| 提交询价信息 |
| 发布紧急求购 |
价格:电议
所在地:安徽 宣城市
型号:
更新时间:2019-12-23
浏览次数:919
公司地址:安徽省广德市柏垫镇凤桥村
![]()
黄威(先生)
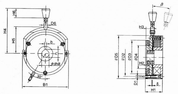
YEJ100电机刹车失电电磁制动器SDZ1-30主要参数说明
尺寸(mm):147*54.5
电压(VDC): 99
额定功率(W):70
额定扭矩(N.m):30
材质:铁
连接形式:法兰
制动类型:失电制动器
适用电机:YEJ100制动电机
型号:SDZ1-30
YEJ100电机刹车失电电磁制动器SDZ1-30用途
本系列电磁失电制动器是通电电磁吸合,断电时,弹簧加压,实现摩擦制动,可与YEJ电机配套。用于冶金、建筑、食品、机床、包装等机械中,以及在断电时制动等场合。该制动器结构紧凑、安装方便、适用性广、噪声低、工作频次高、动作灵敏、制动可靠,是理想的自动化执行元件。

YEJ100电机刹车失电电磁制动器SDZ1-30采购需知:为确保本产品能适用您的设备,请确认您需要的型号、电压、轴径等参数,还有额外需要说明的,都可以先联系我!广德柏赛电器有限公司
免责声明:以上所展示的[ YEJ100电机刹车失电电磁制动器SDZ1-30]信息由会员[广德柏赛电器有限公司]自行提供,内容的真实性、准确性和合法性由发布会员负责。