| 提交询价信息 |
| 发布紧急求购 |
价格:电议
所在地:江苏 无锡市
型号:ALP220-100/L
更新时间:2018-12-12
浏览次数:895
公司地址:沈阳市沈河区团结路7-1号(1--9-11)
![]()
王琪(先生)
ALP系列智能低压线路保护器
1 概述
ALP系列低压保护器集保护、测量、控制、总线通讯为一体,同时提供了远程自动控制、现场直接控制、面板指示、信号报警、操作记录、跳闸报警记录及开关量记录等功能。适用于煤矿、石化、冶炼、电力、船舶、以及民用建筑等领域。
2 符合标准
GB 14048.1 低压开关设备和控制设备 总则
GB 14048.4 低压开关设备和控制设备 机电式接触器和电动机起动器
JB/T 10736-2007 低压电动机保护器
GB/T 17626.2 静电放电干扰试验
GB/T 17626.3 射频电磁场辐射抗扰度试验
GB/T 17626.4 电快速瞬变脉冲群抗扰度试验
GB/T 17626.5 浪涌(冲击)抗扰度试验
3 适用环境
工作温度 -10oC~55oC
贮存温度 -25oC~70oC
相对湿度 ≤95﹪不结露,无腐蚀性气体
海拔 ≤2000m
污染等级 2级
防护等级 主体IP20,分体显示模块IP45(安装在柜体面板时)
安装类别 III级
4 功能配置
注:黑色为标配功能,白色为选配功能。
5 产品介绍
5.1 低压线路保护器
1)主要技术指标
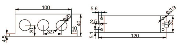
2)外形与开孔尺寸(单位:mm)
● ALP200低压线路保护器
● ALP220低压线路保护器
● ALP320低压线路保护器
主体控制模块
显示模块
● 互感器
1A、专用电流互感器
100A及以下专用电流互感器外形尺寸
160A漏电流互感器外形尺寸
400A漏电流互感器外形尺寸
3)接线端子
● ALP200低压线路保护器
● ALP220低压线路保护器
● ALP320低压线路保护器
5.2 低压PT保护器
1)主要技术指标

2)外形与开孔尺寸(单位:mm)
3)接线端子
免责声明:以上所展示的[ALP220-100/L 安科瑞低压线路保护器过流 零序 断相]信息由会员[沈阳安科瑞电力系统有限公司]自行提供,内容的真实性、准确性和合法性由发布会员负责。