产品简介
YPK-500压力控制器为直顶式结构方式,传感器采用膜片和活塞的组合形式,可用于中性或腐蚀性气体和液体介质
公司简介
金湖县联创仪表有限公司是国内重点测控工程成套单位,化工部、冶金部、电力部、轻工部定点生产配套企业。公司自创建以来,以市场需求为导向、以用户满意为宗旨、勤奋求实、不断创新,是一家集科研开发、生产、销售和服务于一体的综合性高新技术企业。公司专业致力于变送器仪表、温度仪表、压力仪表、流量仪表、校验仪表、显示仪表等系列产品的研究、设计、生产和推广工作,主要产品:智能浓度/密度变送器、压力变送器、液位变送器、电磁流量计、涡街流量计、双金属温度计。本公司拥有雄厚的技术力量,先进的生产设备,齐全的检测手段,高标准的生成环境,科学而严格的管理体系,是公司产品质量的可靠保证。
科技创新是企业发展的原动力,公司一直努力将科技进步融入每一天生活。互惠互利是我们的原则。优质与负责是我们的客户的承诺,诚信与服务是我们永恒的理念。公司将一如既往地坚持以信誉求市场的原则,不断优化产品,完善服务,竭诚为新老客户提供最优质的产品和最满意的服务。
展开
产品说明
| 产品名称: |
YPK-500压力控制器 |
| 产品型号: |
YPK-500 |
| 产品特点: |
YPK-500压力控制器为直顶式结构方式,传感器采用膜片和活塞的组合形式,可用于中性或腐蚀性气体和液体介质。设定值范围可调,调节范围0.02-42Mpa。 |
|
|
|
YPK-500压力控制器为直顶式结构方式,传感器采用膜片和活塞的组合形式,可用于中性或腐蚀性气体和液体介质。设定值范围可调,调节范围0.02-42Mpa。
 单刀双掷微动开关作用过程:
接线端C-NO:压力上升至上切换值时接通。
接线端C-NC:压力上升至上切换值时断开。
|
|
|
|
|
◇ YPK-500主要技术性能:
工作粘度:< 400m2/s
开关元件:微动开关
环境温度:-5~55°C
介质温度:0~90°C
外壳防护等级:IP 65
触点容量:AC 380V 6A(阻性)Pmax=600VA
抗振性能: 20m/s2
重复性误差:≤2%
安装方式:压力接口垂直向下
|
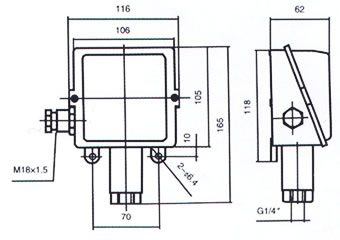
◇ YPK-500外形及安装尺寸:

|
|
◇YPK-500规格:
|
|
设定值
调节范围 Mpa
|
切换差
Mpa
|
zui大
工作压力*
|
开关切换次数
次/分
|
压力传感器材料
|
接口
内螺纹
|
重量
kg
|
|
外壳
|
膜片
|
活塞
|
|
0.01……0.17
|
0.017
|
2.8Mpa
|
20
|
1Cr18Ti9i
不锈钢
|
316L
|
1Cr18Ti9i
不锈钢
|
G1/4"
|
1
|
|
0.04……0.5
|
0.05
|
28Mpa
|
|
0.08……1
|
0.1
|
|
0.3……4.5
|
0.45
|
|
1.0……12
|
1.2
|
|
1.6……24
|
2.4
|
48Mpa
|
|
3.0……42
|
4.2
|
|
|
|
|
◇ 压力控制器YPK-500的调整:
|
[例]:选用设定值范围为1.0~12Mpa的控制器,要求将压力下降至6Mpa(下切换值)发出触点信号,其操作步骤如下:
1. 将产品旋入压力校验台的螺纹接口上。
2. 打开盖板,将电缆穿过电缆接口接入微  动开关的端子上(注意不得松动微动开关)。电缆另一头接上万用表。
3. 将压力加至6Mpa。
4. 顺时针调节六角螺母,使设定值由小变大,直至开关触点在6Mpa处切换。
5. 调节压力校验台的压力使压力在6Mpa处来回变化,检验触点的上切换值是6Mpa加上切换差。
|
|
◇ YPK-500选用和调整:
|
|
● 选用控制器,使预定的设定值位于控制器设定值调节范围的中间部分。一般为调节范围的20%-80%。
● 控制器若要安装在室外时,应给予足够的防护,以免受环境温度的剧烈变化,阳光直接辐射,腐蚀性气体或水的渗入。
● 安装电缆时,应将电缆引入处的压紧螺母拧紧,以免电缆松动并有效防止水流等液体的渗入。
● 通断电流不能大于触点容量。
● 安装(或拆卸)控制器时要特别注意:安装(或拆卸)必须用扳手夹持传感器的平面部分,防止传感器与开关壳体发生相对转动。
|
|
|
本页产品地址:http://www.geilan.com/sell/show-2261750.html

免责声明:以上所展示的[
YPK-500 压力控制器]信息由会员[
江苏金湖联创仪表有限公司]自行提供,内容的真实性、准确性和合法性由发布会员负责。
[给览网]对此不承担任何责任。
友情提醒:为规避购买风险,建议您在购买相关产品前务必确认供应商资质及产品质量!