产品简介
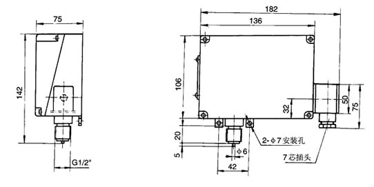
D512/10D压力控制器采用弹簧管式传感器,可用于腐蚀性气体和液体介质
公司简介
金湖县联创仪表有限公司是国内重点测控工程成套单位,化工部、冶金部、电力部、轻工部定点生产配套企业。公司自创建以来,以市场需求为导向、以用户满意为宗旨、勤奋求实、不断创新,是一家集科研开发、生产、销售和服务于一体的综合性高新技术企业。公司专业致力于变送器仪表、温度仪表、压力仪表、流量仪表、校验仪表、显示仪表等系列产品的研究、设计、生产和推广工作,主要产品:智能浓度/密度变送器、压力变送器、液位变送器、电磁流量计、涡街流量计、双金属温度计。本公司拥有雄厚的技术力量,先进的生产设备,齐全的检测手段,高标准的生成环境,科学而严格的管理体系,是公司产品质量的可靠保证。
科技创新是企业发展的原动力,公司一直努力将科技进步融入每一天生活。互惠互利是我们的原则。优质与负责是我们的客户的承诺,诚信与服务是我们永恒的理念。公司将一如既往地坚持以信誉求市场的原则,不断优化产品,完善服务,竭诚为新老客户提供最优质的产品和最满意的服务。
展开
产品说明
| 产品名称: |
D512/10D压力控制器 |
| 产品型号: |
D512/10D |
| 产品特点: |
D512/10D压力控制器采用弹簧管式传感器,可用于腐蚀性气体和液体介质。控制器的设定值可调,调节范围1-40Mpa。 |
|
|
|
D512/10D压力控制器采用弹簧管式传感器,可用于腐蚀性气体和液体介质。控制器的设定值可调,调节范围1-40Mpa。
D512/10D特点:
控制器压力控制范围大;
控制精度高;
切换差小;
传感器适用腐蚀性介质(气体或液体)。
|
|
|
|
|
◇ D512/10D主要技术性能:
工作粘度:≤400mm2/s
开关元件:微动开关一组
外壳防护等级:IP65
环境温度:-25~55℃
介质温度:0~80℃
|
抗振性能:Max 10m/s2
重复性误差:≤1%
安装位置:任意
触点容量:Vmax=380VAC Imax=6A阻性
Pmax=600VA
|
|
|
|
|
单刀双掷微动开关作用过程:
接线端1-3:压力上升至上切换值时接通。
接线端1-2:压力上升至上切换值时断开。
|
|
|
本页产品地址:http://www.geilan.com/sell/show-2260362.html

免责声明:以上所展示的[
D512/10D 压力控制器]信息由会员[
江苏金湖联创仪表有限公司]自行提供,内容的真实性、准确性和合法性由发布会员负责。
[给览网]对此不承担任何责任。
友情提醒:为规避购买风险,建议您在购买相关产品前务必确认供应商资质及产品质量!