产品简介
可用于含油雾的压缩空气及其他对压力传感器材料无腐蚀作用的含油雾气体和液压油、水油乳蚀液及润滑性能良好的中性液体
公司简介
金湖县联创仪表有限公司是国内重点测控工程成套单位,化工部、冶金部、电力部、轻工部定点生产配套企业。公司自创建以来,以市场需求为导向、以用户满意为宗旨、勤奋求实、不断创新,是一家集科研开发、生产、销售和服务于一体的综合性高新技术企业。公司专业致力于变送器仪表、温度仪表、压力仪表、流量仪表、校验仪表、显示仪表等系列产品的研究、设计、生产和推广工作,主要产品:智能浓度/密度变送器、压力变送器、液位变送器、电磁流量计、涡街流量计、双金属温度计。本公司拥有雄厚的技术力量,先进的生产设备,齐全的检测手段,高标准的生成环境,科学而严格的管理体系,是公司产品质量的可靠保证。
科技创新是企业发展的原动力,公司一直努力将科技进步融入每一天生活。互惠互利是我们的原则。优质与负责是我们的客户的承诺,诚信与服务是我们永恒的理念。公司将一如既往地坚持以信誉求市场的原则,不断优化产品,完善服务,竭诚为新老客户提供最优质的产品和最满意的服务。
展开
产品说明
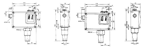
| 产品名称: |
D505/7D压力控制器 |
| 产品型号: |
D505/7D |
| 产品特点: |
D505/7D压力控制器采用无泄漏活塞式的传感器。可用于含油雾的压缩空气及其他对压力传感器材料无腐蚀作用的含油雾气体和液压油、水油乳蚀液及润滑性能良好的中性液体 |
|
|
|
D505/7D压力控制器采用无泄漏活塞式的传感器。可用于含油雾的压缩空气及其他对压力传感器材料无腐蚀作用的含油雾气体和液压油、水油乳蚀液及润滑性能良好的中性液体介质。控制器的设定值可调,调节范围0.3……23Mpa。
D505/7D特点:
用于含油雾的中性气体。
|
|
|
|
|
◇ D505/7D主要技术性能:
工作粘度:<1×10-3m2/s
开关元件:微动开关
外壳防护等级:带槽密封圈IP54;O型密封圈IP65
(符合DIN40050与GB4208中IP54及IP65相当)
环境温度:-5~40℃
介质温度:0~100℃
|
抗振性能:D505/7D 40m/s2
D505/7DK 20m/s2
重复性误差:≤2.5%
安装位置:压力接口垂直向下(允许倾斜15度)
触点容量:DC 220V 6A(阻性负载)
(若有特殊要求,可参阅我厂编制的应用手册
介绍)
|
|
|
|
|
单刀双掷微动开关作用过程:
接线端1-3:压力上升至上切换值时接通。
接线端1-2:压力上升至上切换值时断开。
|
|
|
|
◇ D505/7D附 件:
|
|
可供选用附件目录编号:0574767、0574772、0574773、FT·5·470·505
|
|
|
本页产品地址:http://www.geilan.com/sell/show-2261186.html

免责声明:以上所展示的[
D505/7D 压力控制器]信息由会员[
江苏金湖联创仪表有限公司]自行提供,内容的真实性、准确性和合法性由发布会员负责。
[给览网]对此不承担任何责任。
友情提醒:为规避购买风险,建议您在购买相关产品前务必确认供应商资质及产品质量!