提交询价信息
发布紧急求购
您好,欢迎来到给览网!手机版|本站服务|添加收藏|帮助中心
您所在的位置: 给览网 » 供应 » 传感器 » 转矩传感器 » TJN-1 TJN-1扭矩传感器

TJN-1 TJN-1扭矩传感器

安徽天光传感器有限公司
会员指数: 企业认证:  

价格:电议

所在地:安徽 蚌埠市

型号:TJN-1

更新时间:2020-06-29

浏览次数:2132

公司地址:安徽省蚌埠市高新区嘉和路118号

李芳(先生)  

产品简介

安徽TJN-1扭矩传感器厂家供应商,用途与特点 适用于静态、非连续旋转的扭矩力值测量 量程、规格、外形及安装尺寸 1,2,5,10

公司简介

安徽天光传感器有限公司于1991年创建于中国安徽省蚌埠市,前身为蚌埠天光测控仪表厂,主要研发、生产、销售称重传感器,拉压力传感器,压力传感器,扭矩传感器以及相配套测控仪表等产品。在近二十年的时间里,天光人秉承“务实严谨,开拓创新;”的企业精神,注重同行业间的交流合作,不断吸取国内外的先进技术,引进国外领先的设备与工艺,学习与消化先进企业管理理念,立志打造民族测控品牌,先后研发、生产了百余种测力传感器及配套仪器仪表,产品广泛应用于军工、航空航天、油田、交通、医疗、建材等行业的计量与自动化过程中的检测等方面,其半导体应变计的生产工艺、设备及产量为国内领先。2008年我公司荣幸为北京奥运会的主体育场鸟巢提供不锈钢轴销传感器。

企业愿景

立意进取,开拓创新,与民族测控事业共同发展。

企业理念

专注集中所有的技术与资源,专注于传感器的研发与生产,在该领域做深、做细、做精;谨行公司高层不断加强自身的危机意识与警惕性,不因一时的成功而放松,经营中始终保持清醒的头脑,兢兢业业为本,诚信求实而行。求真态度决定成就。企业在创业阶段,就严把质量关,以质量求生存,以口碑创品牌。在竞争激烈的传感器市场中,坚持自我,不为他动,用可信的产品、合理的性价、优质的服务赢得了广大客户一至的认可与信赖。

企业荣誉
2002年安徽省科学技术厅颁发“安徽省民营科技企业”称号2008年由奥运承包单位颁发传感器质量荣誉证书2010年通过IS9001质量认证


展开

产品说明

安徽TJN-1扭矩传感器厂家供应商用途与特点适用于静态、非连续旋转的扭矩力值测量,安徽TJN-1扭矩传感器厂家供应商量程、规格、外形及安装尺寸1,2,5,10,20,50,100,200N.m

 
 

额定载荷

0~200N.m

综合精度

0.1 0.2 0.3(线性+滞后+重复性)

灵敏度

1.0~1.5 mV/V

蠕变

±0.1~±0.3 %F·S/30min

零点输出

±1%F·S

零点温度影响

±0.1~±0.3 %F·S/10℃

输出温度影响

±0.1~±0.3 %F·S/10℃

工作温度

-20℃~+65℃

输入阻抗

750±30 Ω

输出阻抗

700±5 Ω

缘电阻

>5000 MΩ

安全过载

150% F·S

供桥电压

10VDC 

材质

合金钢

接线方式

输入(+)红线  输入(-)黑

输出(+)绿线  输出(-)白线

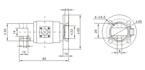
外形尺寸图:


安徽TJN-1扭矩传感器厂家供应商:蚌埠天光传感器有限公司坐落在高新技术开发区,占地面积32亩。是集开发、生产和经营各种力敏传感器及称重控制系统产品为一体的专业化高新技术企业。公司拥有的设备与厂房、高素质的职工队伍、严密的质量保证体系、的管理理念、合理的产品价位、优质的产品服务,在竞争激烈的电子类行业中,迅速地崛起,在广大客户中赢得了良好的声誉。公司生产的轴销传感器成功用于奥运会鸟巢工程,我们真诚欢迎外用户前来我厂参观指导,以求共同发展与进步。创建于1991年,占地面积22000平方米,注册资金1600万。主要研发、生产、销售:称重传感器,电力覆冰检测传感器,扭矩传感器,拉力传感器,轴销传感器,压力传感器,拉压力传感器以及相配套测控仪表等产品。二十多年来天光不断吸取外的技术,引进国外的设备与工艺,学习与吸收现代企业管理理念,先后研发、生产了百余种测力传感器及配套仪器仪表,产品广泛应用于军工、航空航天、油田、交通、医药、冶金建材、教学等行业的计量与自动化过程中的检测等方面,其半导体应变计的生产工艺、设备及产量为,已申报发明。
主要产品:称重传感器; 拉压力传感器; 压力变送器; 扭矩传感器; 测控仪表; 半导体应变计; 位移传感器; 半导体传感器; 压力传感器; 轴销传感器; 传感器;
蚌埠传感器行业领军企业。本公司集中了一批富有创新精神的中、青年精英,专门从事传感器、变送器、智能仪器、仪表等方面的科研开发与制造。创新、求实、守信、奋进,争做是我们的宗旨。您的需要就是我们的服务,我们愿和外客商真诚合作、共同发展。我们等待您的到来。


本页产品地址:http://www.geilan.com/sell/show-2026083.html
免责声明:以上所展示的[TJN-1 TJN-1扭矩传感器]信息由会员[安徽天光传感器有限公司]自行提供,内容的真实性、准确性和合法性由发布会员负责。
[给览网]对此不承担任何责任。
友情提醒:为规避购买风险,建议您在购买相关产品前务必确认供应商资质及产品质量!

发布询价单

没有合适的产品?是否在线询价?
询价标题
联系人
电话
主要内容
验证码