产品简介
GN30-12 GN30-12D户内旋转式高压隔离开关 概述 GN30-12型旋转式户内高压隔
公司简介
六高电气科技有限公司位于著名的“中国电器之都”,是一家集设计、开发、销售于一体的高新科技型企业,公司主要生产:高压真空断路器,高压负荷开关,环网柜,高低压成套设备,箱式变电站,电力变压器,电缆分接箱,不锈钢配电箱,避雷器,高压隔离开关。在全国各地设有营销中心。公司凭着超前的设计理念,先进的生产工艺和监测设备,以科学的管理,始终追求高水准,高标准的质量意识,不断开发高品质产品。公司拥有一支中高级技术人员同时与上海交大、西安高压电器研究所等单位建立技术合作关系。
公司于2003年通过ISO9001:2000国际质量体系认证、产品通过了国家高压电器质量检验监督中心型式检验,公司生产的全部产品均由中国人民保险公司承保、连续多年被相关单位评为“重合同守信用”、“信用等级AAA”单位
公司采用现代化的生产作业模式、生产和管理,各个环节严格贯彻并执行ISO9001标准,并建有企业办公信息平台网,从产品的设计、研发及质检全过程采用CAD、CAM软件技术应用、极大的缩短了产品的开发、生产周期
公司坚持以品质为基础,信誉为前提,服务为保证。经过多年的努力,瑞驰品牌系列已经成功应用于:电力、化工、工矿、冶金、交通、码头等重要领域,深受用户好评。同时部分产品还出口到东南亚、中东等地。
展开
产品说明
GN30-12 GN30-12D
户内旋转式高压隔离开关
| 概述 |
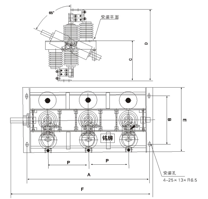
GN30-12型旋转式户内高压隔离开关是一种旋转触刀式的隔离开关,主要结构是在三相共底架的上、下两个平面上,固定两组缘子及触头,通过旋转触刀,从而实现开关的分合闸。
GN30-12D型开关是在GN30-12型开关基础上增加带接地刀的形式,可满足不同电力系统的需要。本产品设计紧凑、占用空间小、缘能力强、易于安装调整,其性能符合GB1985-89《交流高压隔离开关和接地开关》的要求,适用 于额定电压12kV交流50Hz及以下户内系统中,作为在有电压无负载情况下,分合电路之用。可与高压开关柜配套使用,也可单独使用。 |
| 主要技术参数 |
| 项目\参数\产品型号规格 |
GN30-12/400-12.5 |
GN30-12/630-20 |
GN30-12/1000-31.5 |
GN30-12/1250-31.5 |
| GN30-12D/400-12.5 |
GN30-12D/630-20 |
GN30-12D/1000-31.5 |
GN30-12D/1250-31.5 |
| 额定电压(kV) |
10 |
| zui高电压(kV) |
12 |
| 额定电流 (A) |
400 |
630 |
1000 |
1250 |
| 热稳定电流(kA) |
12.5 |
20 |
31.5 |
| 热稳定时间(s) |
4 |
| 动稳定电流(kA) |
31.5 |
50 |
80 |
| 额定缘水平 |
额定冲击电压(kV) |
相间、相地75、断口85 |
| 1min工频耐压 |
相间、相地42、断口48 |
|
|
GN30-12/1250外形及安装尺寸
|
 |
本页产品地址:http://www.geilan.com/sell/show-1841144.html

免责声明:以上所展示的[
GN30-12 户内旋转式高压隔离开关]信息由会员[
温州(上海)六高电气科技有限公司]自行提供,内容的真实性、准确性和合法性由发布会员负责。
[给览网]对此不承担任何责任。
友情提醒:为规避购买风险,建议您在购买相关产品前务必确认供应商资质及产品质量!