提交询价信息
发布紧急求购
您好,欢迎来到给览网!手机版|本站服务|添加收藏|帮助中心
您所在的位置: 给览网 » 供应 » 传感器 » 液位传感器 » WIDEPLUS-L系列 静压液位变送器

WIDEPLUS-L系列 静压液位变送器

福建上润仪器仪表有限公司
会员指数: 企业认证:  

价格:电议

所在地:河南 郑州市

型号:WIDEPLUS-L系列

更新时间:2018-08-23

浏览次数:1632

公司地址:河南省郑州市中原区秦岭路建设路

刘丽(女士) 经理 

产品简介

加工定制 是 品牌 福建上润 型号

公司简介

 公司一直注重于高新产品的研发和先进设备的生产应用,现已成为成熟的智能压力检测、温度检测、物位检测、流量检测、显示调节控制等全系列工业自动化仪表的研发、生产制造基地。产品广泛应用于钢铁、有色冶金、石油化工、电力、城市集中供热、水/污水处理、食品加工、制药等领域。目前,公司拥有近万平米生产办公大楼,多个专业生产车间及标定检定线,200多名员工,技术与销售服务网络遍及华南、华东、华北、西南、西北各省,年产/销工业自动化仪表产品二十多万台/套。

  公司通过了ISO90012000质量体系认证,是中国仪器仪表行业协会会员和国际现场总线委员会“HART”基金会员,拥有多项国家专利和软件著作权,是省科技厅确认的高新技术企业

  公司将始终以市场为导向,以科技创新为核心竞争力,致力于民族测控技术的发展!


展开

产品说明


加工定制 品牌 福建上润
型号 WIDEPLUS-L系列 类型 静压式液位变送器
测量范围 0-60(kPa) 测量精度 0.5
电源 220(V) 输出信号 4-20(mA)(mA)
加工定制 品牌 福建上润
型号 WIDEPLUS-L系列 类型 智能压力变送器
测量范围 0-60(kPa) 精度等级 0.5
输出信号 4-20(mA) 防爆等级 1
防护等级 1 电源电压 220(V)
::产品简介::
通用静压液位变送器    
 
 
 
 产品简介
 
  WIDEPLUS-L系列产品,采用干式陶瓷传感器,多种结构形式,多种材料,多种变送器类型,具有广泛的适应性。
 
产品特点
 
◆稳 定 性 灵敏度高,长期稳定性好。
◆可靠性强 无机械传动部件,无机械磨损,无机械故障
◆抗干扰能力强 防水、防尘、防爆、防腐、防酸。
◆适用性广 具有多种结构形式,多种安装方式,多种结构材料,适合各种工业测量场合。
◆安装简便 使用可靠 有多种安装方式可供选择,用户可以方便地安装、使用。
 
工作原理
 
液体中某一点的静压力与该点到液面的距离成正比,即:P=ρgh 其中 P~被测点的压力(压强) ρ~介质密度 g~重力加速度 h~被测点到液面的高度
对已确定的被测介质及地点,ρ、g为常数,故被测点到液面的位置的变化只与被测的压力(压强)有关。
  WIDEPLUS-L系列静压液位变送器就是通过测定被测点的静压力来确定液面位置的。
  WIDEPLUS-L 系列静压液位变送器配合WP系列数字显示仪即构成静压式液位计。液位变送器把测量的液位压力信号传输至数字显示仪,根据介质的比重等参数,显示仪转换并显示对应的液位数值。
  显示仪的选择请参考我公司的《上润智能仪器之智能显示控制调节仪表》样本及我公司相关的技术文件。
 
 技术参数
 
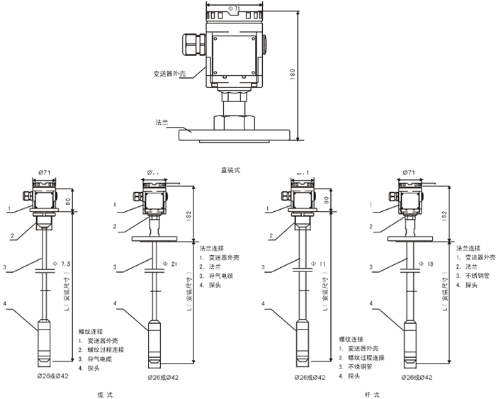
WIDEPLUS-Ld直装式静压液位变送器
工作电压 12.5V~36V DC
输出信号 4mA~20mA 二线制
测量范围 0~100m (* 大)
精  度 0.2级、0.5级
稳 定 性 优于0.1%FS/年
允许温度 常温型 介质 -20℃~70℃ 环境 -20℃~70℃ 贮存 -20℃~80℃
     高、低温型 介质-65℃~150℃
相对湿度 0~95%RH
材  料 过程连接 不锈钢1Gr18Ni9Ti
       密封 氟橡胶、聚四氟乙烯、焊接密封
过程连接方式 法兰(默认为DN50 PN1.6MPa)
防护等级 IP65

WIDEPLUS-LC缆式静压液位变送器
工作电压 12.5V~36V DC
输出信号 4mA~20mA
测量范围 0~100m (* 大)
精  度 0.2级、0.5级
稳 定 性 优于0.1%FS/年
允许温度 介质 -20℃~60℃ 环境 -20℃~70℃ 贮存 -40℃~80℃
传感器材料 外壳 不锈钢1Gr18Ni9Ti 
      密封 氟橡胶、聚四氟乙烯、缆式不需焊接密封
导气电缆材料 聚氯乙烯与丁腈橡胶复合物
过程连接方式 外螺纹G1/2
       法兰(默认为DN20 , PN0.6)
防护等级  Ip65

WIDEPLUS-LR杆式静压液位变送器
工作电压 12.5V~36V DC
输出信号 4mA~20mA
测量范围 0~4m (* 大)
精  度 0.2级、0.5级
稳 定 性 优于0.1%FS/年
允许温度 常温型 介质 -20℃~70℃ 环境 -20℃~70℃ 贮存 -40℃~80℃
     高、低温型 介质 -65℃~150℃ 10℃~200℃
传感器材料 外壳 不锈钢1Gr18Ni9Ti
      密封 氟橡胶、聚四氟乙烯、全密封焊接
过程连接方式 外螺纹G1/2
法兰(默认为DN20, PN0.6)
防护等级 Ip65
 
 
 负载特性  调节范围
   
零点调节 ±5% FS
满量程调节范围为 ±20%FS
   
 外形尺寸
 

本页产品地址:http://www.geilan.com/sell/show-1095925.html
免责声明:以上所展示的[WIDEPLUS-L系列 静压液位变送器]信息由会员[福建上润仪器仪表有限公司]自行提供,内容的真实性、准确性和合法性由发布会员负责。
[给览网]对此不承担任何责任。
友情提醒:为规避购买风险,建议您在购买相关产品前务必确认供应商资质及产品质量!

发布询价单

没有合适的产品?是否在线询价?
询价标题
联系人
电话
主要内容
验证码