提交询价信息
发布紧急求购
您好,欢迎来到给览网!手机版|本站服务|添加收藏|帮助中心
您所在的位置: 给览网 » 供应 » 工控仪表 » 压力仪表 » 压力变送器 » MPM480 压力变送器

MPM480 压力变送器

郑州海业仪器仪表有限公司
会员指数: 企业认证:

价格:电议

所在地:河南 郑州市

型号:MPM480

更新时间:2016-10-24

浏览次数:1493

公司地址:河南省郑州市中原区阳光新干线

胡经理(女士) 经理 

产品简介

产品简介:: MPM430型压力变送器 MPM4700型智能液位变送器 MPM480型压力变送器 M

公司简介


昌晖自动化系统有限公司是专业从事SWP系列智能化数字仪表研发、制造、营销以及工业控制系统集成的企业,已通过了ISO9000:2000质量管理体系认证并被授予高新技术企业称号。

昌晖自动化系统有限公司是科技人员创业的园地,公司核心是国内科技人员和海外留学人员,企业团队精诚默契,立业目标明确--强调"科技先导、服务至上",提倡"以诚为本,以质取信",立志"超越自我、挑战未来",创建信息化时代仪表行业的一流企业。

公司以香港为桥梁,以内地为基地,以人才为资源,汲取国外技术精粹,结合中国工业生产特点,致力创新,努力开发和生产具有信息化特色的SWP智能化仪表和控制系统产品。

昌晖SWP系列智能化仪表年销量已达近10万台,热销国内二十多个省(市)自治区,广泛被应用在国防航天、工业过程、交通运输和科学试验等领域。公司还多次受托为航天基地、石油勘采、武器试验等特殊使用场合研制功能特殊的仪表,受到有关部门的赞誉。

在工业自动化系统方面,昌晖SWP-SPC控制系统以其强大的功能、便捷的界面、经济的价位为中小企业的技术改造和升级所广泛采用;昌晖SWP-FJC发酵过程节能优化控制系统经多家制药厂使用并通过有关部门的鉴定,实践证明,其节电、节能和提高发酵效果明显,经济效益和社会效益十分显著,深受发酵行业用户的欢迎。

几经奋斗,铸就今天--我们拥有了自主知识产权的SWP系列仪表核心技术;建立了规模化和规范化的仪表生产基地;形成了遍及全国的技术服务和营销网络;成为国内仪表行业有一定影响的企业之一。......
展开

产品说明


产品简介::
MPM430型压力变送器                      MPM4700型智能液位变送器
MPM480型压力变送器                      MPM490型压阻式差压变送器
MPM4730型压力变送器                     MPM486型HART协议智能压力变送器
MPM4760型压力变送器                     MSB9418型测控仪
MPM489型压力变送器                      MSB9438型多屏压力/液位显示仪
MPM482型LCD数字显示压力变送器          PD100型4~20mA保护器
MPM4120压缩机专用压力传感器
MPM483型压力变送器
MPM486型智能压力变送器
MPM484型压力变送控制器
MPM460型智能压力变送控制器
MPM484A/ZL型数字化压力变送控制器
MPM4530型压力变送器
MPM4528高温压力测量
MPM489B型压力变送器
MDM3051GP型压力变送器
MDM3051AP型压力变送器
MDM3051GP/DP型远传压力差压变送器
MDM4951GP型压力变送器
MDM4951AP型压力变送器
MPM316W型压阴式液位传感                 MPM380型压力传感器
MPM388型压力传感器                      MDM390型压阻式压力传感器
MPM416W型液位变送器                     MPM426W/436W型投入式液位变送器
产品概述
MPM480型压阻式压力变送器采用带不锈钢隔离膜的压阻式OEM压力传感器作为信号测量元件,并经过计算机自动测试,用激光调阻工艺进行了宽温度范围的零点和温度性能补偿。信号处理电路位于不锈钢壳体内,将传感器信号转换为标准输出信号。整个产品经过了元器件、半成品及成品的严格测试及老化筛选,性能稳定可靠。该产品以其优良的可靠性、灵活性和多样性,广泛应用于石油、化工、冶金、电力、水文等工业过程现场的压力测量和控制中。
产品特点
•量程覆盖范围宽;
•全不锈钢结构,压力接口形式多样,具有齐平膜型、卫生型、防腐型等多种形式,防护等级IP65;
•输出信号形式多样,现场可调校,可显示;
•反性保护和瞬间过电流过电压保护,符合EMI防护要求;
•本安防爆型产品符合GB3836.4标准要求,取得了防爆合格证,防爆标志为ExiaⅡCT6;
•隔爆型产品符合GB3836.2的要求规定,取得了隔爆证书,防爆标志为ExdⅡCT6;
•船用型产品符合CCS《钢质海船入级规范》(2006)的要求,获得了船用产品型式认可证书;
•产品已取得CE认证和RoHS认证;
•产品已获,是ZL002 26957.0。
性能参数
测量范围:    -0.1…0~0.01…100MPa
过    载:    1.5倍满量程压力或110MPa(取zui小值)
压力类型:表压或压或密封表压型
精  确  度:±0.25%FS(典型);         ±0.5%FS(zui大)      
长期稳定性:±0.1%FS/年(典型);       ±0.2%FS/年(zui大) 零点温度漂移:±0.03%FS/℃(≤100kPa);  ±0.02%FS/℃(>100kPa)
满度温度漂移:±0.03%FS/℃(≤100kPa);  ±0.02%FS/℃(>100kPa)
工作温度: -30℃~80℃;              防爆型:-10℃~60℃ 贮存温度:-40℃~120℃
供电电源:15~28VDC(本安型经安全栅供电)     15~28VDC              15~28VDC
输出信号:4~20mADC                           0~10/20mADC           0/1~5/10VDC
传输方式:二线                      三线                    三线
负载电阻:≤(U-15)/0.02Ω         ≤(U-15)/0.02Ω       >5k
外壳防护:电缆线和接插件连接均为IP65
电气连接:接插件或电缆1.5米 壳    体:不锈钢1Cr18Ni9Ti
膜    片:不锈钢316L
O 型 圈:氟橡胶
橡胶套管:丁腈橡胶
 



负载特性 
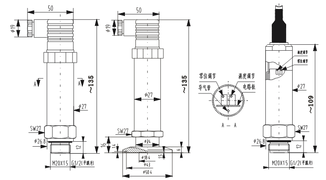
外形结构
非隔爆型产品的外形图
                  B1接插件连接式外形图                                                      B2电缆连接式外形图
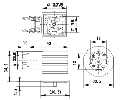
接插件外形及排列
 
隔爆型产品的外形图
MPM480
型压阻式压力变送器
 
量程
测量范围-0.1…0~0.01…100MPa
[0~X]kPa或MPa
X:实际测量量程
 
代号
输出信号
E
4~20mADC
F
1~5VDC
J
0~5VDC
Q
0~10mAC
U
0~20mAC
V
0~10VDC
 
代号
结构材料
隔离膜片
接口
壳体
22
不锈钢316L
不锈钢
不锈钢
25
不锈钢
不锈钢
35
哈氏合金C
不锈钢
 
代号
附加功能
B1
接插件连接输出
B2
电缆线连接输出线长:1.5m
P
齐平膜片型0~70kPa…35MPa,G1/2外螺纹压力接口
P3
卫生型:-0.1…0~0.02…2MPa,DN25卡箍式连接
M3
位LCD数显表头(仅4~20mA输出)
M4
位LED数显表头(仅4~20mA输出)
d
隔爆型ExdⅡCT6
i
本安防爆型ExiaⅡCT6
T
船用产品
C1
M20×1.5外螺纹压力接口,端面密封
C3
G1/2外螺纹压力接口
C5
M20×1.5外螺纹压力接口,水线密封
G
表压型
A
压型
S
密封表压型
   
MPM480
[0~100]kPa
E
22
B1PC3G
完整的型号规格
选型提示
1、选型时请注意被测介质要与接触介质的产品部分相兼。
2、需要零位压力为负压的变送器时,请在订货时注明量程范围。
3、订货时请注意防爆型产品、船用产品不包含数显表头。
4、订购带LCD或LED表头的变送器时,变送器的供电电源应不低于20VDC。
5、为确保产品可靠工作,建议用户在现场加装防雷击保护装置,并确保产品及电源可靠接地。
6、特殊要求,敬请与本公司商洽,并在订单中注明。
7、选M3时,变送器环境温度范围为-20~60℃;选M4时,变送器环境温度范围为-30~70℃。
 

本页产品地址:http://www.geilan.com/sell/show-888570.html
免责声明:以上所展示的[MPM480 压力变送器]信息由会员[郑州海业仪器仪表有限公司]自行提供,内容的真实性、准确性和合法性由发布会员负责。
[给览网]对此不承担任何责任。
友情提醒:为规避购买风险,建议您在购买相关产品前务必确认供应商资质及产品质量!

发布询价单

您最近浏览过的产品

没有合适的产品?是否在线询价?
询价标题
联系人
电话
主要内容
验证码