产品简介
不间断ups电源维修 ups电源箱价格 电脑ups电源 智能在线式ups 专业维修ups电源 家用ups电源报价 电脑电源ups华为ups电源维修服务 华为销售ups 华为小型ups电源报价 华为电脑ups电源报价 华为ups电源监控系统 华为ups电源8kva 华为ups电源4kva
公司简介
山东科士特电子科技有限公司从事UPS不间断电源开发、销售、技术服务为一体的高科技电子公司,公司坐落于山东省省会济南。作为早进入市场的UPS不间断电源代理商,为了应对市场需求及技术不断创新,我公司和多家UPS厂家达成合作;我公司主要销售:山特、APC、艾默生、台达、科士达、金武士等品牌UPS电源和松下、汤浅、山特、德国阳光、荷贝克、台达、大力神、赛特、劲博、圣阳 等品牌蓄电池及各种稳压电源空调及配套设备。公司拥有一支良好的技术服务和销售队伍,凡在我公司购买产品设备的用户,我公司均备有用户档案,设备到达用户现场后,根据双方协商安装时间, 公司将派人员到达现场对UPS电源设备进行安装调试工作。欢迎拨打咨询热线:0531-82968920
展开
产品说明
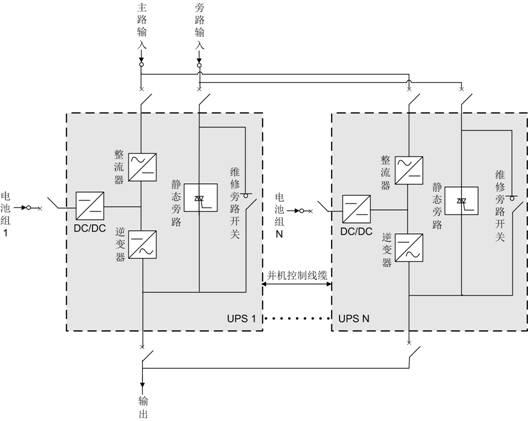
华为UPS2000-G-6KRTL电源防雷
在机房使用华为UPS电源时,会遇到雷击的现象,那么如何避免雷击呢?下文简单的为大家介绍一下华为UPS电源如何防雷。
1、在动力室电源进线总配电盘上安装并联式电源专用高能量避雷器,构成级衰减。
2、在机房配电柜空气开关后,安装适当容量的并联式低压电源避雷器,或在UPS专用配电盘上,安装适当容量的串联式低压电源避雷器,构成第二级衰减。
3、对于有信号或通信接口的UPS,为防止雷电波从信号或通信线引入,必须在信号或通信线接口处加装相应的信号避雷器。机房布线要求不能沿外墙敷设,以防止雷击时墙内钢筋瞬间传导强雷电流时,磁场感应机房内线路,把设备击坏。
华为UPS做到的不仅于此,除了上述因素之外,华为UPS电源包含小型机架式产品在内的设备准备了5KA的防雷部件,内置于设备内部与整体华为UPS电源构造融合,更好地保障了华为UPS电源后端的设备电力使用保障。


以上是华为UPS电源防雷的方法,希望您有所帮助,如果您想了解更多相关资讯.
本页产品地址:http://www.geilan.com/sell/show-8822551.html