公司简介
|
金湖顺仪仪表有限公司是专业的工业自动化仪表生产企业, 生产多个类型的温度仪表、压力仪表、显示仪表、校验仪表、流量仪表、仪表盘、线缆桥架以及仪表专用电缆、补偿导线等。我厂座落在风景秀丽的渔米之乡--江苏省金湖县,毗邻扬州、南京,交通十分便利,经过多年的积累,我厂现已发展成为集生产、销售、研发为一体的综合性仪表生产厂家。
我公司自成立以来,本着“以科技创造奇迹”的经营理念,坚持“与巨人同步”的发展战略,在短短的时间内取得了骄人的业绩和长足的发展。以科技为先导,以客户价值为依托,有包括您在内的社会各界的一如既往的支持,我们相信,我司一定会成为您事业的助推器。
在网络发展"高速化、数字化、综合化、智能化"的今天,我司将以"诚信、创新、高效、进取"的企业精神。我们愿意通过现代化网络手段,为社会各界提供一个更为快捷方便的服务渠道。
当今企业在市场经济大潮中,直接面临着知识经济和商品经济的双重压力,此种情况既给企业创造更多更好的机会,同时也使企业面临更大的风险和挑战!着眼现在,瞄准将来,我们将以过硬的产品质量、良好的企业信誉、诚信的售后服务,创造更加美好的明天。
展开
产品说明
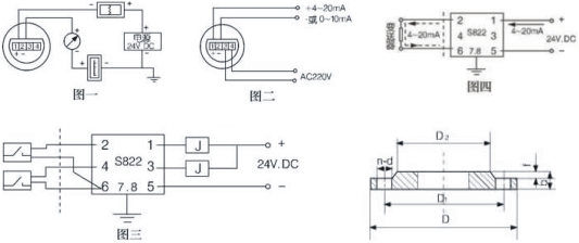
| 翻柱式磁浮子液位计是以磁浮子为测量元件,磁钢驱动翻柱显示,无需能源。适用于低温到高温、真空到高压等各种环境。是石油、化工等工业部门的理想液位测量产品。 磁浮子液位计配置上、下限开关输出,可实 现远距离报警、限位控制。 磁浮子液位计配置变送器,可实现液位的远 距离指示、检测与控制。 根据在容器安装位置的不同,提供侧装和顶 装两种形式。 根据工作介质不同,提供不锈钢和 ABS 工 程塑料两种材质;其中 ABS 特别适用于酸、碱等腐蚀性介质。 |
|
 |
详细内容:
|
 |
|
|
|
本页产品地址:http://www.geilan.com/sell/show-84065.html

免责声明:以上所展示的[
SY-UFO 翻柱式磁浮子液位计]信息由会员[
江苏顺仪仪表有限公司]自行提供,内容的真实性、准确性和合法性由发布会员负责。
[给览网]对此不承担任何责任。
友情提醒:为规避购买风险,建议您在购买相关产品前务必确认供应商资质及产品质量!