| 提交询价信息 |
| 发布紧急求购 |
价格:电议
所在地:上海
型号:
更新时间:2018-08-03
浏览次数:943
公司地址:上海市嘉定区汇宝路555号11幢6层A区
![]()
陈经理(女士)
YTH-100HT全不锈钢压力表防腐应用
全不锈钢防腐压力表,用于测量有较强腐蚀性的气体或液体介质及周围环境腐蚀性也很强的场合
全不锈钢耐震压力表,可对介质及周围环境均有腐蚀性的气体或液体进行测量,并用于有动载荷及振动的测量场所。
一般耐震压力表,用于有动载荷及振动的测量场所,对铜合金没有腐蚀作用的气体或液体进行测量。
|
型号 |
原型号 |
名称特性 |
索引页 |
|
YTHN-100. (512) YTHN-150(512) YTN-100(512) YTN-150. (512) |
YTN-100/150H
YTN-100/150 |
Φ 100; Φ 150 全不锈钢耐震压力表(外卡两件式) Φ 100; Φ 150;一般耐震压力表(外卡两件式)
|
PT.03-2
|
|
YTHN-100. (522) YTN-100. (522) |
YTN-100H YTN-100 |
Φ 100 全不锈钢耐震压力表(外卡安装式) YTN-100 Φ 100 一般耐震压力表(外卡安装式) |
PT.03-4
|
|
YTHN-100. (532) |
YTN-100HZ |
Φ 100; 全不锈钢耐震压力表(外卡焊壳式专用)
|
PT.03-6
|
|
YTHN-127. (502) |
YTN-127H |
Φ 100 全不锈钢耐震压力表 |
PT.03-8 |
|
YTHN-100. (518) YTH-100. (518) |
YTH-100H YTHN-100H |
Φ 100 全不锈钢、全不锈钢耐震压力表 (外卡锁式罩壳、两件式) |
PT.03-10 |
|
PT.03 系列 量程范围规格代码表 |
PT.03-13 |
||
|
PT.03 系列 选型表 |
PT.03-14 |
||
YTH-100HT全不锈钢压力表防腐产品型号:
YTH-100. AO. 518 (YTH-100H)
YTH-100. BO. 518 (YTH-100HT)
YTH-100. BT. 518 (YTH-100HZT)
YTH-100HT全不锈钢压力表防腐简介:
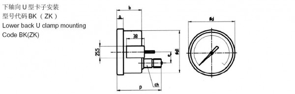
此类(外卡锁式罩壳、两件式)压力表采用独特的不锈钢外壳及测压部件的两件式设计,分为径向、下轴
向和下轴向、U型卡子三种安装款式。外壳罩圈具有锁紧及加铅封的功能。表壳顶部设有充液塞,可在现场向表内充液。仪表根据是否充液的选择,可分为YTH及YTHN型。YTH型为不锈钢防腐压力表“干式”;YTHN型为不锈钢耐震压力表“充液型”,通过向表内充液可有效降低表针在工作中的振颤,同时,还可延长仪表内机部件的使用寿命。
仪表几何尺寸

单位Unit (mm)
|
径向 |
主体尺寸 |
卡边尺寸 |
||||||||
|
规格 |
a |
b |
d |
d1 |
ch |
c |
h |
|
|
|
|
|
13 |
50 |
108 |
99 |
22 |
15.5 |
90 ± 5 |
|
|
|
|
|
||||||||||
|
轴向 |
主体尺寸 |
卡边尺寸 |
||||||||
|
规格 |
a |
b |
d |
d1 |
ch |
e |
p |
D |
E |
f |
|
BO |
13 |
50 |
108 |
99 |
22 |
29 |
90 |
± |
5 |
128 |
主要技术参数
仪表公称直径100mm
精度等级1.5%;(1% 可选)
测量范围-0.1MPa -70 MPa (型号选择见量程代
码表)
防护等级IP65
环境温度-40℃~70℃
介质温度充液型-20 ℃至-70℃
干式-40 ℃至-70℃;
连接螺纹Z14(Z1/4);Z12(Z1/2) 其它见选型表
仪表外壳SUS304 外卡锁式罩壳
仪表接头SUS304 两件式
波登管SUS316 与仪表接头氩弧焊接
密封件橡胶
仪表充液充填甘油;232.D1、212C1
(干式不充液可选)
仪表机芯不锈钢
仪表玻璃仪表平板玻璃,(有机玻璃、聚炭
酸脂玻璃、安全双层玻璃可选)
仪表度盘铝制白底黑色标示,可根据需要特殊
加工。
量程范围规格代码表
|
选型代码 |
量程规格 |
选型代码 |
量程规格 |
选型代码 |
量程规格 |
|
M500 |
-0.1~0 MPa |
M010 |
0.06MPa |
M160 |
2.5 MPa |
|
M510 |
-0.1~0.06MPa |
M030 |
0.1 MPa |
M180 |
4.0 MPa |
|
M520 |
-0.1~0.15MPa |
M040 |
0.16 MPa |
M200 |
6.0 MPa |
|
M530 |
-0.1~0.3MPa |
M060 |
0.25 MPa |
M220 |
10 MPa |
|
M540 |
-0.1~0.5MPa |
M080 |
0.4 MPa |
M230 |
16 MPa |
|
M550 |
-0.1~0.9MPa |
M100 |
0.6 MPa |
M240 |
25 MPa |
|
M560 |
-0.1~1.5MPa |
M120 |
1.0 MPa |
M270 |
40 MPa |
|
M570 |
-0.1~2.4MPa |
M140 |
1.6 MPa |
M280 |
60 MPa |
|
M285 |
70 MPa |
|
|
|
|
免责声明:以上所展示的[ YTH-100HT全不锈钢压力表防腐]信息由会员[上海布莱迪仪器仪表有限公司]自行提供,内容的真实性、准确性和合法性由发布会员负责。