提交询价信息
发布紧急求购
您好,欢迎来到给览网!手机版|本站服务|添加收藏|帮助中心
您所在的位置: 给览网 » 供应 » 行业专用仪器 » 其他行业专用仪器 » YTH-100H全不锈钢压力表耐震

YTH-100H全不锈钢压力表耐震

上海布莱迪仪器仪表有限公司
会员指数: 企业认证:

价格:电议

所在地:上海

型号:

更新时间:2018-08-03

浏览次数:852

公司地址:上海市嘉定区汇宝路555号11幢6层A区

陈经理(女士)  

产品简介

YTH-100H全不锈钢压力表耐震应用 全不锈钢防腐压力表,用于测量有较强腐蚀性的气体或液体介质及周围环境腐蚀性也很强的场合 全不锈钢耐震压力表,可对介质及周围环境均有腐蚀性的气体或液体进行测量,并用于有动载荷及振动的测量场所。 一般耐震压力表,用于有动载荷及振动的测量场所,对铜合金没有腐蚀作用的气体

公司简介

上海布莱迪仪器仪表公司,是测压、测温仪表专业生产厂家。公司成立以来,一直致力于研制和生产在石油化工、化纤、冶金、食品、制药、精细化工、科研等行业使用的各种特殊用途的测压、测温仪表。现可生产包括有不锈钢防腐、耐震、微压、差压、各类化学密封及压力传感器,压力开关等具有电信号输出的等近20多个系列的测压测温产品;压力测量范围Z高到250MPa,Z小可到0.5kPa;机械式精密表精度做到0.25%,电子式仪表精度可达万分之五以上。   本公司具有生产规格品种多,加工工艺精良的特点。特别是在微小压力的测量,单、双膜合微压表的制造;化学密封及世界先进的等离子、激光、无氧焊接工艺在产品上的应用方面更具特色。 为满足不同用户的要求,布莱迪公司可为用户提供多种标准的产品,如中国GB标准;日本JIS标准;欧洲DN标准;美国及北美标准等。为出口上述国家和地区,公司除开发以上几种标准的螺纹接体,法兰接体外,还为这几种不同标准地区生产各种仪表的外壳、防爆耐震表体及其它仪表的另部件。公司的部分产品并完成了“UL、CE”安全认证。   布莱迪公司是上海市外商投资的先进技术企业;并自2002起一直成为上海市的高新技术企业。   布莱迪公司产品在国内销售市场不断扩大的同时,其产品还远销到了以东南亚、欧洲、北美洲为主的境外20多个国家和地区。 本着“优质、服务、高效、创新”的方针,布莱迪公司的全体员工时刻准备为全球的广大新老客户提供优良的产品和周到的服务。
展开

产品说明


 

YTH-100H全不锈钢压力表耐震应用

    全不锈钢防腐压力表,用于测量有较强腐蚀性的气体或液体介质及周围环境腐蚀性也很强的场合

    全不锈钢耐震压力表,可对介质及周围环境均有腐蚀性的气体或液体进行测量,并用于有动载荷及振动的测量场所。

    一般耐震压力表,用于有动载荷及振动的测量场所,对铜合金没有腐蚀作用的气体或液体进行测量。

型号

原型号

名称特性

索引页

YTHN-100. (512)

YTHN-150(512)

YTN-100(512)

YTN-150. (512)

YTN-100/150H

 

 

YTN-100/150

Φ 100; Φ 150 全不锈钢耐震压力表(外卡两件式)

Φ 100; Φ 150;一般耐震压力表(外卡两件式)

 

PT.03-2

 

YTHN-100. (522)

YTN-100. (522)

YTN-100H

YTN-100

Φ 100 全不锈钢耐震压力表(外卡安装式)

YTN-100 Φ 100 一般耐震压力表(外卡安装式)

PT.03-4

 

YTHN-100. (532)

YTN-100HZ

Φ 100; 全不锈钢耐震压力表(外卡焊壳式专用)

 

PT.03-6

 

YTHN-127. (502)

YTN-127H

Φ 100 全不锈钢耐震压力表

PT.03-8

YTHN-100. (518)

YTH-100. (518)

YTH-100H

YTHN-100H

Φ 100 全不锈钢、全不锈钢耐震压力表

(外卡锁式罩壳、两件式)

PT.03-10

PT.03 系列 量程范围规格代码表

PT.03-13

PT.03 系列 选型表

PT.03-14

YTH-100H全不锈钢压力表耐震产品型号:

YTH-100. AO. 518 (YTH-100H)

YTH-100. BO. 518 (YTH-100HT)

YTH-100. BT. 518 (YTH-100HZT)

YTH-100H全不锈钢压力表耐震简介:

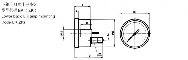
    此类(外卡锁式罩壳、两件式)压力表采用独特的不锈钢外壳及测压部件的两件式设计,分为径向、下轴

向和下轴向、U型卡子三种安装款式。外壳罩圈具有锁紧及加铅封的功能。表壳顶部设有充液塞,可在现场向表内充液。仪表根据是否充液的选择,可分为YTH及YTHN型。YTH型为不锈钢防腐压力表“干式”;YTHN型为不锈钢耐震压力表“充液型”,通过向表内充液可有效降低表针在工作中的振颤,同时,还可延长仪表内机部件的使用寿命。

仪表几何尺寸

1.jpg

 

2.jpg

 

3.jpg

单位Unit (mm)

径向

主体尺寸

卡边尺寸

规格

a

b

d

d1

ch

c

h

 

 

 

 

13

50

108

99

22

15.5

90 ± 5

 

 

 

 

轴向

主体尺寸

卡边尺寸

规格

a

b

d

d1

ch

e

p

D

E

f

BO

13

50

108

99

22

29

90

±

5

128

 

主要技术参数

仪表公称直径100mm

精度等级1.5%;(1% 可选)

测量范围-0.1MPa -70 MPa (型号选择见量程代

码表)

防护等级IP65

环境温度-40℃~70℃

介质温度充液型-20 ℃至-70℃

干式-40 ℃至-70℃;

连接螺纹Z14(Z1/4);Z12(Z1/2) 其它见选型表

仪表外壳SUS304 外卡锁式罩壳

仪表接头SUS304 两件式

波登管SUS316 与仪表接头氩弧焊接

密封件橡胶

仪表充液充填甘油;232.D1、212C1

(干式不充液可选)

仪表机芯不锈钢

仪表玻璃仪表平板玻璃,(有机玻璃、聚炭

酸脂玻璃、安全双层玻璃可选)

仪表度盘铝制白底黑色标示,可根据需要特殊

加工。

量程范围规格代码表

选型代码

量程规格

选型代码

量程规格

选型代码

量程规格

M500

-0.1~0 MPa

M010

0.06MPa

M160

2.5 MPa

M510

-0.1~0.06MPa

M030

0.1 MPa

M180

4.0 MPa

M520

-0.1~0.15MPa

M040

0.16 MPa

M200

6.0 MPa

M530

-0.1~0.3MPa

M060

0.25 MPa

M220

10 MPa

M540

-0.1~0.5MPa

M080

0.4 MPa

M230

16 MPa

M550

-0.1~0.9MPa

M100

0.6 MPa

M240

25 MPa

M560

-0.1~1.5MPa

M120

1.0 MPa

M270

40 MPa

M570

-0.1~2.4MPa

M140

1.6 MPa

M280

60 MPa

M285

70 MPa

 

 

 

 

 

 

 

 

 

 

 

 

 

 

 

4.jpg

 

 

 

 

 

 

 

 

 

 

 

 

 

 

 

 

 

 

 

 

 

 

 

 


本页产品地址:http://www.geilan.com/sell/show-8076787.html
免责声明:以上所展示的[ YTH-100H全不锈钢压力表耐震]信息由会员[上海布莱迪仪器仪表有限公司]自行提供,内容的真实性、准确性和合法性由发布会员负责。
[给览网]对此不承担任何责任。
友情提醒:为规避购买风险,建议您在购买相关产品前务必确认供应商资质及产品质量!

发布询价单

您最近浏览过的产品

没有合适的产品?是否在线询价?
询价标题
联系人
电话
主要内容
验证码