提交询价信息
发布紧急求购
您好,欢迎来到给览网!手机版|本站服务|添加收藏|帮助中心
您所在的位置: 给览网 » 供应 » 行业专用仪器 » 泵阀类 » 真空泵 » 2BV 2BV水环式真空泵

2BV 2BV水环式真空泵

永嘉县弘凌泵阀有限公司
会员指数: 企业认证:

价格:电议

所在地:浙江 温州市

型号:2BV

更新时间:2018-06-12

浏览次数:965

公司地址:浙江省永嘉县瓯北镇浦西工业区

向淼(先生)  

产品简介

2BV系列水环真空泵为整体结构—机泵同轴的单级泵。轴封采用机械密封,具有结构简单,安装简捷、无油、安全可靠等特点。2BV真空泵由泵盖、泵体、圆盘,叶轮、机械密封、电动机等零部件组成。

公司简介

永嘉弘凌泵阀有限公司是专业从事各类水泵阀门及附属产品生产和销售,集科研、设计、制造、服务于一体的高新技术的企业,公司落座于具有“泵阀之乡”美称的温州瓯北。公司具备高水平的研发、制造、检测、试验能力,产品结构合理,制作工艺独特精湛,规格齐全,质量可靠,管理科学。 弘凌泵业部生产销售:离心泵,磁力泵,排污泵,真空泵,自吸泵,隔膜泵,化工泵,齿轮泵,螺杆泵,浓浆泵,泥浆泵,多级泵,旋涡泵,液下泵,污水泵,油泵,齿轮油泵,管道泵,屏蔽泵,耐腐蚀泵,管道离心泵.多级离心泵.气动隔膜泵.电动隔膜泵.水环式真空泵.旋片式真空泵.水力喷射器,ZX型自吸泵.自吸排污泵.管道排污泵.潜水排污泵.液下排污泵.无堵塞排污泵.自动搅匀排污泵.玻璃钢泵.潜水泵.手摇油泵.W型旋涡泵,水泵电气控制柜、变频柜恒压供水设备,隔膜式气压罐等(ISG、IH、GDL、DL、LG、TSWA、XBD、I-1B、G、AFB、FSB、ZW、QW、ZCQ.CQ、FY、FS、SYB等)达二十多各系列一千多个品种,广泛用于市政工程、电站、化工、水厂、工矿企业,公司以先进的设备合理的价格深受广大用户青昧。 本公司通过了ISO9001质量体系认证,拥有数控车床、产品加工高新设备和各类检测装置以及配套的生产、研发、物流和生活设施设备,汇聚了一大批资深的科研专家,专业的技术人才,经验丰富的管理人才,刚刚走出校门的有志青年。经过多年的风风雨雨,不断创新,最终形成了自己在行业中独特而领先的企业文化,坚信好产品才是硬道理,不断创新,提高产品科技含量。我们将以优质的产品和最完善的售后服务来真诚与各界朋友开展广泛的合作,"为你为我,奋斗兴企",共同创造一个美好的未来!
展开

产品说明

2BV水环式真空泵用途及使用范围:

2BV系列水环真空泵为整体结构—机泵同轴的单级泵。轴封采用机械密封,具有结构简单,安装简捷、无油、安全可靠等特点。2BV系列水环真空泵适于抽除气体和湿润蒸汽,吸气压力可达到33mbar压(97%真空度),当2BV水环式真空泵在吸气压力低于80mbar的状态下长期工作时,应联接汽蚀保护管以对泵进行保护,2BV水环式真空泵如配大气喷射器吸气压力可达10mbar,喷射器可直接安装在真空泵吸气口上,作为压缩机使用时,其压力zui大至0.26MPa(压)。2BV系列水环真空泵及压缩机被广泛用于石油、化工、制药、食品、制糖工业等领域。由于在工作过程中,气体的压缩过程是等温的,所以在压缩和抽吸易燃易爆气体时,不易发生爆炸,所以其应用更加广泛。

2BV水环式真空泵工作原理:


2BV水环式真空泵如图(1)所示叶轮3偏心地安装在泵体之内,起动时向泵内注入一定高度的水,因此当叶轮3旋转时,水受离心力的作用而在泵体内壁形成一旋转水环1,水环下部内表面与轮毂相切,沿箭头方向旋转,在前半转过程中,2BV水环式真空泵水环内表面逐渐与轮毂脱离,因此在叶轮叶片间与水环形成封闭空间,随着叶轮的旋转,该空间逐渐扩大,空间气体压力降低,气体自圆盘吸气口被吸入;在后半转过程中,水环内表面逐渐与轮毂靠近,叶片间的空间逐渐缩小,空间气体压力升高,高于排气口压力时,叶片间的气体自圆盘排气口被排出。如此叶轮每转动一周,叶片间的空间吸排气一次,许多空间不停地工作,2BV水环式真空泵就连续不断地抽吸或压送气体。

2BV水环式真空泵由于在工作过程中,做功产生热量,会使工作水环发热,同时一部分水和气体一起被排周,因此,在工作过程中,必须不断地给泵供水,以冷却和补充泵内消耗的水,满足泵的工作要求。当2BV水环式真空泵排出的气体不再利用时,在2BV水环式真空泵排气口上接有气水分离器,废气和所带的部分水排入气水分离器后,气水分离,气体由排气管排出,留下的水经回水管供至泵内继续使用。随着工作时间的延长,工作水温度会不断地升高,这时需从供水管供给冷水,以降低工作水的温度,保证泵能达到所要求的技术要求和性能指标。

1、水环。2、泵盖。3、叶轮。4、吸气口。5、排气口
图1 水环真空泵及压缩机工作原理图

当2BV水环式真空泵作为压缩机使用时,泵排气口接有气水分离器,气水混合物进入气水分离器后自动分,气体由排气管输送到所需系统而工作水经过分离器进入2BV水环式真空泵内。压缩气体时,工作水易热,水由泵排气口排出,温度会变的较高,要由供水管不断地供给冷水.以补充被放走的水,同时起冷却作用,使工作水温度不致过高,从而保证压缩机性能,达能技术指标,满工艺要求。

结构说明:

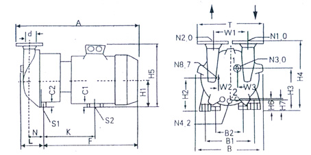
2BV水环式真空泵的结构如图2、图3,图4所示

图2 2BV-2060/2061/2070/2071水环泵结构图 图3 2BV-5110/5111/5121/5131/5161水环泵结构图
1.泵盖 2.园盘 3.平键 4.叶轮 5.机械密封 6.泵体 7.电动机 1.泵盖 2.园盘 3.平键 4.叶轮 5.机械密封 6.泵体 7.电动机

图4 2BV-6110/6111/6121/6131/6161水环泵结构图
1.泵盖 2.园盘 3.平键 4.叶轮 5.机械密封 6.泵体 7.电动机


2BV真空泵由泵盖、泵体、圆盘,叶轮、机械密封、电动机等零部件组成。进气管排气管通过安装在泵盖上的园盘上的吸气孔和排气孔与泵腔相连,轴偏心地安装在泵体中,叶轮用平键固定在轴上,2BV真空泵两端面的部间隙由泵体和园盘之间的垫来调整,叶轮与泵盖上的园盘之间的间隙由园盘和泵体之间的垫来调整,叶轮两端面与泵盖上园盘之间间隙决定气体在泵腔内由进气口至排气口流动中损失的大小及其限压力。
  2BV真空泵的密封采用机械密封,机械密封安装在叶轮和泵体间。由机械密封定出叶轮与泵体之间的间隙。
在2BV真空泵盖上安装有园盘,园盘上设有吸、排气孔和柔性排气阀片,柔性阀片的作用是当叶轮叶片间的气体压力达到排气压力时,在排气口以前就将气体排出,减少了因气体压力过大而消耗的功率、从而降低率消耗。

2BV水环式真空泵产品说明:


2BV真空泵及压缩机系统由真空泵(压缩机)、电动机、气水分离器管路组成,如图5所示。2BV真空泵及压缩机与气水分离器的工作过程如下:气体由管路经阀门进入2BV真空泵或压缩机,然后经排气管进入气水分离器中,经气水分离器排气管排出。当作为压缩机使用时,经压缩机排出的气水混合物在气水分离器中分离后,气体经阀门输送到需要压缩气体的系统上去。2BV真空泵或压缩机内的工作水是由气水分离器不经冷却排至真空泵重新使用,其余工作水由供水管补充,供水量的大小,由供水管上的阀门来调整。

气体抽吸和压送系统的区别仅在于气水分离器的内部构造有所不同。抽吸气体时,吸气口压力低于大气压,而排气口压力等于大气压,气水分离器有溢水管;压送气体时,吸气口为常压(也可为真空状态),排气口压力高于一个大气压,为保证输送气体压力,气水分离器的水位通过溢水开关来控制。

图5 2BV水环泵系统示意图
1. 2BV 真空泵 2. 供水管 3. 逆止阀 4. 吸气管 5. 气水分离器 6. 排气管 7. 溢水管
主要技术数据:
产品型号
限压力
Mbar(Pa)
zui大气量
M3/min
功 率
KW
转 速
Rpm
水耗量
L/min
噪 声
dB(A)
重 量
Kg
2060 33(3300) 0.45 1.1 2880 ~2 62 20
2061 33(3300) 0.87 1.5 2880 ~2 65 22
2070 33(3300) 1.33 2.35 2880 ~2.5 66 31
2071 33(3300) 1.83 3.85 2880 ~4.2 72 42
5110 33(3300) 2.75 4 1450 ~7 63 78
5111 33(3300) 3.83 5.5 1450 ~8.5 68 100
5121 33(3300) 4.68 7.5 1450 ~10 69 145
5131 33(3300) 6.68 11 1450 ~15 73 165
5161 33(3300) 8.3 15 970 ~20 74 252
6110 33(3300) 2.75 4 1450 ~7 63 107
6111 33(3300) 3.83 5.5 1450 ~8.5 68 142
6121 33(3300) 4.68 7.5 1450 ~10 69 198
6131 33(3300) 6.68 11 1450 ~15 73 238
6161 33(3300) 8.3 15 970 ~20 74 350

注:1、表中所列数据在下列技术条件下测出:① 大气压力101325Pa(1013mbar)② 进水温度15℃ ③ 吸入空气温度20℃ ④ 空气相对湿度70% 2、 性能允许偏差±10%

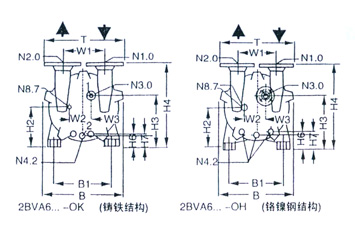
安装尺寸:
2BV-2060/2061/2070/2071水环真空泵外形尺寸

A B B1 H1 H2 H3 H4 H6 E P2 P3 R M S2 W1 W2 W3 d N3.0 N4.2 N8.7
2060 455 186 140 90 118 126 195 37.5 100 250 180 217 244 Φ10 110 26 21 G1″ G3/8″ G1/4″ G3/8″
2061 476 186 140 90 118 195 195 37.5 100 250 180 236 263 Φ10 110 26 21 G1″ G3/8″ G1/4″ G3/8″
2070 545 223 160 222 100 128 222 33 140 270 203 252 280 Φ12 110 33 27 G1 G3/8″ G1/4″ G3/8″
2071 566 223 234 140 112 140 234 45 190 300 225 278 309 Φ12 110 33 37 G1 G3/8″ G1/4″ G3/8″
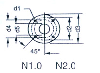
N1.0 吸气口。N2.0 排气口。N3.0 工作液接口。N4.2 排水口。N8.7 气蚀保护(内置)
2BV-5110/5111/5121/5131/5161水环真空泵外形尺寸

A B B1 B2 C1 C2 H1 H2 H3 H4 H5 H6 H7 F K L N T S1 S2 d1 d2 d3 d4 d5 W1
5110 637 325 255 190 41 26 140 156 202 361 328 38 57 464 320 130 92 340 Φ12 Φ12 19 160 123 97 52 180
5111 672 325 265 290 38 26 150 166 212 371 363 48 68 500 325 130 92 340 Φ12 Φ12 19 160 123 97 52 180
5121 771 347 265 290 36 26 150 167 217 385 363 39 60 584 410 147 97 382 Φ12 Φ12 19 182 142 113 67 200
5131 840 377 300 335 35 30 175 194 249 427 435 53 76 659 440 147 103 382 Φ12 Φ12 19 182 142 113 67 200
5161 1044 479 370 389 52 30 210 225 303 521 485 51 80 808 570 201 138 450 Φ15 Φ15 22 200 156 130 80 250

W2 W3 d(N1.0,N2.0) N3.0 N4.2 N8.7
5110 52 27 DN50/2″ G3/4″(丝长24) G3/8″(丝长25) G3/8″(丝长11)
5111 52 27 DN50/2″ G3/4″(丝长24) G3/8″(丝长25) G3/8″(丝长11)
5121 57 29 DN65/2 G3/4″(丝长24) G3/8″(丝长25) G3/8″(丝长11)
5131 63 32 DN65/2 G3/4″(丝长24) G3/8″(丝长25) G3/8″(丝长11)
5161 81 41 DN80/3″ G3/4″(丝长24) G3/8″(丝长25) G3/8″(丝长11)

N1.0 吸气口、N2.0 排气口、N3.0 工作液接口、N4.2 排水口、N8.7 气蚀保护(内置)
2BV-6110/6111/6121/6161/水环真空泵外形尺寸
Amax B B1 C1 F1 F2max H1 H2 H3 H4 H6 H7 K L N
6110-H..0 1097 330 255 26 291 446 160 173 223 381 58 77 319 319 281
6110-K..0 1190 330 255 26 291 540 160 173 223 381 58 77 319 319 281
6111-K..0 1291 330 279 26 360 500 180 196 242 401 78 97 349 349 311
6121-K..0 1332 351 279 26 361 540 180 197 247 415 69 90 384 384 340
6131-K..0 1525 382 320 26 461 615 215 234 287 467 93 116 405 405 353
6161-K..0 1680 484 320 26 461 705 230 230 310 526 56 85 477 477 413
W1 W2 W3 S1 T d1 d2 d3 d4 d5 d(N1.0, N2.0) N3.0 N4.2 N8.7

6110-0.....

180 52 27 Φ13×23 340 19 160 123 97 52 DN50/2″ ″DN15+G3/4″(丝长24) G3/8″(丝长25) G3/8″(丝长11)

6110-0.....

80 52 27 Φ13×23 340 19 160 123 97 52 DN50/2″ ″DN15+G3/4″(丝长24) G3/8″(丝长25) G3/8″(丝长11)
6121-0..... 200 57 29 Φ13×23 382 19 182 142 113 67 DN60/21/2″ ″DN15+G3/4″(丝长24) G3/8″(丝长25) G3/8″(丝长11)
6131-0..... 200 63 29 Φ13×27 382 19 182 142 113 67 DN60/21/2″ ″DN15+G3/4″(丝长24) G3/8″(丝长25) G3/8″(丝长11)
6161-0..... 250 81 41 Φ13×27 450 22 200 156 130 80 DN80/3″ ″DN15+G3/4″(丝长24) G3/8″(丝长25) G3/8″(丝长11)


设备安装: 1、水环真空泵的安装:水环真空泵和压缩机在安装时,安装面必须水平,并通过底角的孔用螺栓安装牢固。为防止在安装时焊渣进入真空泵,在安装时,应在吸气管上安装上过滤网。
2、水环真空泵气水分离器的安装:水环真空泵气水分离器可直接安装在水环真空泵的排气口上,并用螺栓固定牢固。气水分离器有一管路与泵相连,由此供给水环真空泵工作需水量,其余工作水由供水管供给,供水量大小由管路上的阀门调节。水环真空泵或压缩机的进气管上应装有逆止阀,以便在停车时,防止真空泵或压缩机内的水在排气管方面的压力作用下返回系统。

水环式真空泵,2bv水环式真空泵,真空泵厂家

启动及停车: 1、水环真空泵启动
水环真空泵长期停车的泵在开动以前,必须用手转动数圈,以证实水环真空泵内没有卡住或其它损坏现象。
水环真空泵启动按以下顺序进行(参见图5)
(1)打开排气管阀门。
(2)启动电动机(应注意电机的正反转)
(3)迅速打开图5供水管2。逐渐增加供水量,至供水量符合规定要求为止,(应注意不要干运行真空泵)。
2、水环真空泵停车
水环真空泵停车按以下顺序:
(1)(如进气管有阀门)关闭进气管上的阀门。
(2)关闭供水管2,并迅速关停真空泵。

(3)停车后应将泵腔内的水放掉,以免再次启动时,会造成叶片与泵轴断裂。

九、设备维护:

1、2BV型水环式真空泵为避免磨损叶轮、泵体或卡住叶轮,随气体和工作液进入泵腔的灰尘颗粒,可通过2BV型水环式真空泵泵底部的冲洗口冲洗掉。

2、如果用硬水作工作液,须经软化,或在一定周期内用溶液清洗泵。
3、2BV型水环式真空泵电动机常工作的轴承比周围温度高15℃~20℃,zui高不允许超过55℃~60℃,正常工作的轴承每年应装油1-2次,每年至少清洗轴承一次,并将润滑油全部更换。
4、2BV型水环式真空泵采用的机械密封,出现泄漏现象,应检查机械密封的动、静环是否已损坏,或是密封圈已老化,如出现上述情况,均需更换新零件。


故障和消除方法:
2BV型水环式真空泵故障现象 2BV型水环式真空泵可能原因 2BV型水环式真空泵排除方法
2BV真空泵电机不起动;无声音 两根电源线断裂 检查接线
电机不起动;有嗡嗡声 一根接线断,电机转子堵转
叶轮故障
电机轴承故障
必要时排空清洁泵,修正叶轮间隙
换叶轮
换轴承
电机开动时,电流断路器跳闸 绕组短路
电机过载
排气压力过高
工作液过多
检查电机绕组
降低工作液流量
降低排气压力
减少工作液
消耗功率过高 产生沉淀 清洁、除掉沉淀
2BV真空泵不产生真空 无工作液
系统泄漏严重
旋转方向错
检查工作液
修复泄漏处
更换两根导线改变旋转方向
2BV真空泵真空度太低 泵太小
工作液流量太小
工作液温度过高(<15℃)
磨蚀
系统轻度泄漏
密封泄漏
用大一点的泵
加大工作液流量
冷却工作液,加大流量
更换零件
修复泄漏处
检查密封
2BV真空泵尖锐噪声 产生气蚀
工作液流量过高
联接气体蚀保护件
检查工作液,降低流量
2BV真空泵泄漏 密封垫坏 检查所有密封面

本页产品地址:http://www.geilan.com/sell/show-8073728.html
免责声明:以上所展示的[2BV 2BV水环式真空泵]信息由会员[永嘉县弘凌泵阀有限公司]自行提供,内容的真实性、准确性和合法性由发布会员负责。
[给览网]对此不承担任何责任。
友情提醒:为规避购买风险,建议您在购买相关产品前务必确认供应商资质及产品质量!

发布询价单

您最近浏览过的产品

没有合适的产品?是否在线询价?
询价标题
联系人
电话
主要内容
验证码