产品简介
现货供应线性模组KK6010C 台湾进口上银HIWIN线性模组 原装
公司简介
能诚科技是上银(HIWIN)集团在中国大陆华南地区的专业行销服务系统。集团总部位于台湾省台中市工业区。关系企业:大银微系统股份有限公司、上银科技股份有限公司,主要生产基地均在台湾。同时上银(HIWIN)集团分别在德国、瑞士、捷克、日本、美国、俄罗斯、巴西、南非国家设立研发生产及销售机构。已基本构成覆盖全球主要工业国家的销售和服务网络。 经营理念:整合全球资源、持续创新,为人类更佳的福祉与更好的工作环境而努力不懈,藉由‘专业水准、工作热诚、职业道德’之实践,实现企业永续经营之职志。 企业使命:为人类更佳的福祉与更好的工作环境而努力不懈。 品牌意义:上银(HIWIN)源自Hi-TechWinner的缩写,用意是Withus,youareahi-techwinner。意即客户使用上银(HIWIN)的线性传动产品而创新价值、增强竞争力,成为市场赢家;当然也有自我期许成为创新科技的赢家。上银(HIWIN)在中国、美国、日本及欧体等具有工业基础的34个国家,完成商标注册登记,并且持续推广运用,如今上银(HIWIN)已是世界知名品牌之一。 产品主要包括产品有滚珠丝杆,直线导轨,直线光轴,模组等几个大类,代理及销售品牌有台湾上银(HIWIN)、台湾TBI、台湾银泰(PMI)等。产品广泛应用于数控机床,木工机械,搬运、输送机械,精密测量仪器,产业自动化机械,电子半导体机械,机械手臂、包装机械等,所有需求精密直线传动及定位的领域.
展开
产品说明
现货供应线性模组KK6010C台湾进口上银HIWIN线性模组原装
产品介绍:
HIWIN KK60单轴机器人主要是透过模组化之设计,将滚珠螺杆和线性滑轨整合在一起,因此可提供具有、快速安装、选用、高刚性、体积小、节省空间等特性。
藉由之滚珠螺杆做为传动机械,以及配合化设计之U型轨道做为导引机械,来确保精度与刚性之需求。
产品特性:
-
设计及安装容易
-
体积小重量轻
-
-
高刚性
-
配备齐全
-
适化设计
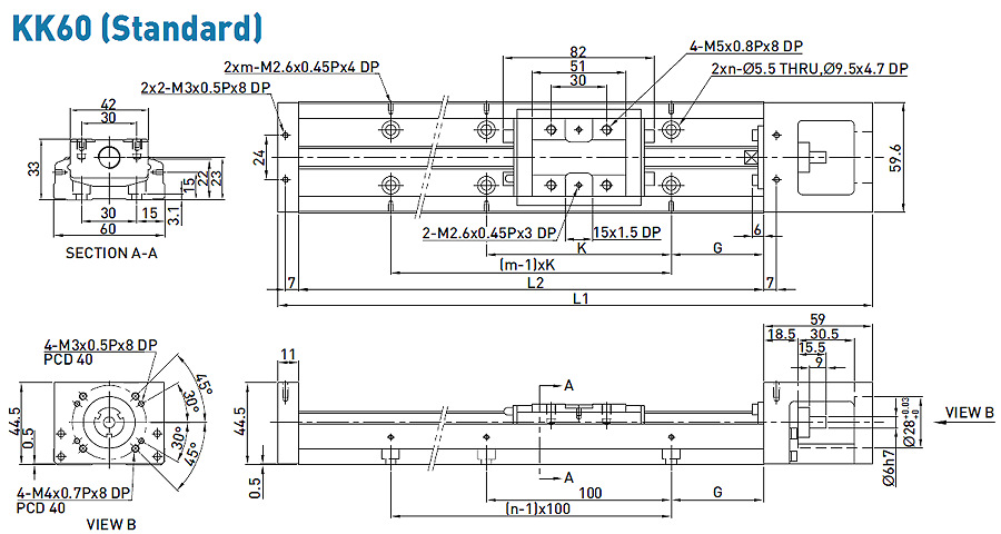
型号规格:

本页产品地址:http://www.geilan.com/sell/show-7787647.html

免责声明:以上所展示的[
KK6010C 现货供应线性模组KK6010C ]信息由会员[
东莞市能诚自动化科技有限公司]自行提供,内容的真实性、准确性和合法性由发布会员负责。
[给览网]对此不承担任何责任。
友情提醒:为规避购买风险,建议您在购买相关产品前务必确认供应商资质及产品质量!