产品简介
scription]} mod= 风机压力: 高压风机 功率: 15(kw)
公司简介
东莞市全风环保设备有限公司是一家专业生产高压、中压、低压鼓风机及各种工业吸尘机之高新企业,公司位于中国制造业名城 - 广东省东莞市,距离东莞新火车站和市轻轨站仅8分钟车程,是广深高速,广深高铁等重要交通干道必经之地。
地处中国经济最为活跃地区之一“珠江三角洲”黄金地段,周围毗邻香港、澳门、深圳、珠海、广州等经济发达地区,借助周边地区先进的经营理念和自身不断的科技创新,铸就了东莞市全风环保设备有限公司,近年来在鼓风机行业中飞速发展。作为一家集研发、生产、销售为一体的风机专业生产厂家,拥有一批专业的研发团队,高素质的技术人员和管理人才,并有先进的生产加工和检测设备。全风工厂专业研制:环形高压鼓风机,透浦式中压鼓风机,直叶式鼓风机,多翼式鼓风机,冷却风扇及工业用吸尘机。经过多年的技术研发和创新,我公司与2009年隆重推出第二代新产品,其中环形高压风机压力比第一代增大30%,品质,性能同步升级,以“欧冠”新品牌投放市场。
东莞市全风环保设备有限公司生产之鼓风机行销全球多个国家,应用于印制电路板(PCB)的设备,清洗设备,罐装饮料设备,塑胶周边设备,不干胶商标印刷设备,木工机械,造纸机械,包装机械,食品机械,纺织机械,污水处理,水产养殖,窑业矿业,燃烧机,集尘机,焚化炉,粉立体输送,干燥机,玻璃工业,制冰工业,机械冷却,一般送风等种种行业。全风公司因产品性能稳定,安全可靠,服务高效,快捷而受到客户的广泛赞誉。
多年来公司始终坚持“以诚为本,精益求精,追求卓越,崇尚一流”的经营理念,“以科技为依托,以品质求生存,以管理求效益,以创新求发展”,创世界品牌,做百年欧冠,争取做到要风的地方就有“欧冠风机”。
“诚信赢市场,品质铸品牌”,是东莞市全风环保设备有限公司永恒的主题,不变的宗旨。我们真诚的期待与广大国内外客户携手共创美好未来。
展开
产品说明
scription"]}" mod="">
| 风机压力: |
高压风机 |
功率: |
15(kw) |
| 升压: |
29.4(kPa) |
风量: |
25(m3/min) |
| 加工定制: |
是 |
材质: |
铸铝 |
| 类型: |
高压鼓风机 |
气流方向: |
回转式 |
| 重量: |
182(kg) |
型号: |
RB-1520 |
| 适用范围: |
220V/380V |
高压鼓风机: |
全风高压鼓风机 |
| 品牌: |
BAIYUN/白云 |
用途: |
管道风机 |
| 性能: |
耐高温风机 |
|
|
scription"],"title":"详细信息","tabConfig":{"trace":"tabdetail","showKey":"mod-detail-de
scription"}}" mod-info="">
供应全风RB-1520(15KW)耐高温高压鼓风机,高压漩涡气泵
全风环形高压风机RB-1520图如下:

注意:以下参数值频率(HZ )值为50/60得出,大陆电流频率一般为50HZ
zui大风量(吐出)Air FLow(max)25/28(立方米/分钟)
zui大静压(吐出)Presure(max)3000/3500(毫米水柱)
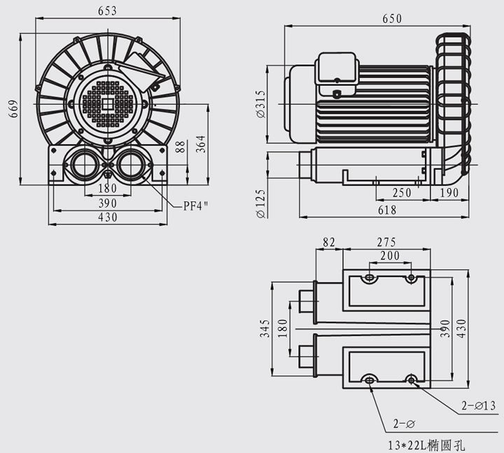
全风环形高压鼓风机RB-1520尺寸图如下:

RB环形高压风机系列产品技术参数:
顾客请注意:请在下列参数表里查对RB-1520型号
RB环形高压系列产品规格表和结构图:

RB环形高压风机系列产品性能曲线图:

全风的:
全风鼓风机公司专业研制:环形高压鼓风机(风泵)、透浦式中压鼓风机(风泵)、直叶式鼓风机(风泵)中压透浦多段式鼓风机、多翼式鼓风机(风泵)、冷却风扇及工业用吸尘机!
全风风机有30年以上风机(风泵)生产的经验!
全风风机拥有一批专业的研发团队、高素质的技术人员和管理人才,并有的生产加工和检测设备!
全风风机(风泵)的应用:印制电路板(PCB)的设备,清洗设备,罐装饮料设备,塑胶周边设备,不干胶商标印刷设备,木工机械,造纸机械,包装机械,食品机械,纺织机械,污水处理,水产养殖,窑业矿业,燃烧机,集尘机,焚化炉,粉立体输送,干燥机,玻璃工业,制冰工业,机械冷却,一般送风等种种行业。全风公司因产品性能稳定,安全可靠,服务,快捷而受到客户的广泛赞誉!
|

|
高压环形鼓风机(风泵)特点:
小型:重量轻,高风压:前倾式叶片设计,体积小,质量轻且较有高压力之产生。
低噪音:新设计,能消除切风时产生之高频集特殊之消音材质,大幅降低噪音比。
地震动:叶片均经过计算机平衡校正与高的机械加工,使震动降到zui低
|
|

|
中压TB鼓风机(风泵)特点:
高压、大风量、低噪音、轻量化
采用铝合金材质,大幅降低重量,达到轻量化的目的。
马达为I.E.C设计(1HP以上),全闭外扇型铝框马达,特殊轴心设计,可适合长时间使用。
特殊叶片设计,压力高,风量大,噪音低,寿命长。
特殊风量调节风门,风量控制稳定性高,操作容易(CX.TB.HYB适用)。样式种类齐全,库存多,交货迅速
|
|

|
中压CX鼓风机(风泵)特点:
高压、大风量、低噪音、轻量化
采用铝合金材质,大幅降低重量,达到轻量化的目的。
马达为I.E.C设计(1HP以上),全闭外扇型铝框马达,特殊轴心设计,可适合长时间使用。
特殊叶片设计,压力高,风量大,噪音低,寿命长。
特殊风量调节风门,风量控制稳定性高,操作容易(CX.TB.HYB适用)。
样式种类齐全,库存多,交货迅速。
|
|

|
中压透浦多段式风机(风泵)特点:
高压、大风量、低噪音、轻量化
采用铝合金材质,大幅降低重量,达到轻量化的目的。
马达为I.E.C设计(1HP以上),全闭外扇型铝框马达,特殊轴心设计,可适合长时间使用。
特殊叶片设计,压力高,风量大,噪音低,寿命长。
特殊风量调节风门,风量控制稳定性高,操作容易(CX.TB.HYB适用)。样式种类齐全,库存多,交货迅速。
|
|

|
直叶式PF散热风机(风泵)特点:
低压、大风量、低噪音、轻量化
采用铝合金材质,大幅降低重量,达到轻量化的目的。
马达为I.E.C设计(1HP以上),全闭外扇型铝框马达,特殊轴心设计,可适合长时间使用。
特殊叶片设计,压力高,风量大,噪音低,寿命长。
样式种类齐全,库存多,交货迅速
|
|

|
离心式MS、FMS用途:
炉灶、塑胶、印刷业之送风、冷却、吹干﹔一般机械之送排风
|
|

|
工业吸尘器特性:
本集尘机为本公司新制造,采用旋风收尘机与袋式吸尘机之特长,吸力特强。
用途:
可靠近粉尘场收尘,不需配管,节省经费,大幅提升方便与机动性。
适用于喷砂、砂轮、木工、研磨、切割…等,吸尘粉、棉屑、木削之用
|
多年来公司始终坚持“以诚为本,精益求精,追求,崇尚”的经营理念,“以科技为依托,以品质求生存,以管理求效益,以创新求发展”,创品牌,做百年全风,争取做到有风的地方就有 全风风机。
“品质、谁与争锋”,是全风公司永恒的主题,不变的宗旨。我们真诚的期待与广大外客户携手共创美好未来。
本页产品地址:http://www.geilan.com/sell/show-2739913.html