公司简介
广州市科诚电气地处于广东省番禺区,公司自成立起致力于仪器仪表传感器及自控系统的研究开发及生产应用,公司主营:接近开关,光电开关,旋转编码器,固态继电器,温控器,传感器专用数显表,电压电流表,计数器,计米器,计时器,数字调节仪,数字面板表,频率,转速表,线速表等,产品及控制设备广泛用于化工,热电,石化,制药,冶金,机械,热处理,食品,纸类及科研试验等领域.
中山市科诚电气公司秉承:科技铸就,诚信经营,质量为本的经营理念,坚持“客户第一”的原则为广大客户提供优质的服务,以合理的价格和过硬的品质来回报广大新老客户对我们支持
展开
产品说明
| H系列智能计米/计数综合仪表 |
| 1.特点 |
|
◎按键设定,能测量各种计数,计米设备。
◎可分二段任意参数设定,任意分频、计长系数设定
◎输入/输出光电隔离,抗干扰能力强
◎2路输入,有加、减计数功能,可配各种编码器
◎4位/5位/6位显示,外供传感器电源
◎两路报警输出,多种输出方式选择
◎一路可选择各种测量信号电流变送输出
◎带RS485通信接口,可选择MODBOS RTU通信协议.
|
| 2.型号说明 |
|
型 号
|
说明
|
备注
|
|
FH
|
|
-
|
|
|
|
|
|
|
DW系列电参量综合测量仪表
|
|
| 外形尺寸 |
4 |
|
|
|
|
|
|
|
48H×96W |
|
| 7 |
|
|
|
|
|
|
|
90H×96W |
|
| 电源 |
|
缺省
|
|
|
|
|
|
|
90-260V AC/DC
|
|
| |
E
|
|
|
|
|
|
|
DC 24V ±2V
|
|
|
显示位数
|
|
|
4
|
|
|
|
|
|
无变送输出
|
|
| |
5 |
|
|
|
|
|
|
|
| |
6
|
|
|
|
|
|
0~10mA 或 4~20mA 输出
|
软件可选
|
|
功能选择
|
|
| |
L |
|
|
|
|
频率、转速、线测量 |
|
| |
C |
|
|
|
|
计数、计长 |
|
|
AL1
|
|
N
|
|
|
|
N:无输出
|
|
|
R
|
|
|
|
R:继电器
|
|
|
S
|
|
|
|
S:SSR/LOGIC
|
|
|
T
|
|
|
|
T:SCR 过零控制
|
|
|
AL2
|
|
R
|
|
|
|
R:继电器
|
|
|
S
|
|
|
|
S:SSR/LOGIC
|
|
|
T
|
|
|
|
T:SCR 过零控制
|
|
|
N
|
|
|
|
N:无输出
|
|
|
通信接口
|
|
缺省
|
|
|
无通信
|
|
|
2
|
|
|
2:RS232
|
|
|
4
|
|
|
4:RS485 自有通信协议或MODBUS RTU协议
|
订货注明
|
|
外供电源
|
|
| A |
|
A:12V |
|
|
B
|
|
B:24V
|
|
|
输入信号
|
|
1
|
一路脉冲输入
|
|
|
2
|
二路脉冲输入,(计数用)
|
配编码器 |
|
| 3.计数参数 |
| 电源 |
AC 220V/100V±15% 50Hz/60Hz ≤5VA |
| 输入信号 |
脉冲信号、方波、正弦波 5V≤H≤30V 0≤L≤2V,上升沿触发,计数用,频率为0.01~ 9KHz |
| 计数速度 |
≤4000 CPS |
| 显示计数范围 |
-1999~9999、-19999~99999、-199999~999999(依显示位数变化) |
| 比率设定范围 |
0.001~999.9、0.0001~9999.9、0.00001~99999.9 |
| 输入阻抗 |
≥10KΩ |
| 继电器输出方式 |
R、N、C、F、H、L(计数),上下限报警(频率),容量 250V AC/3A,DC 30V/3A COS¢ =1 |
| 变送输出 |
4~20mA、0~10mA 软件可调整 |
| 缘阻抗 |
≥100MΩ (DC 500V电源端子与外接端子之间) |
| 缘强度 |
AC 1500V 1min (电源端子与外接端子之间) |
| 工作环境 |
0~50℃ 30~85% RH |
| 辅助电源 |
DC 12V±5% 50mA max/DC 24V ±5% 30mA max |
| 重量 |
|
|
| *输入/输出方式参看FC系列 |
| 4.安装尺寸 |

|
| 型号 |
A
|
B
|
L
|
C
|
D
|
|
FH4
|
48
|
48
|
80
|
45+0.5
|
45+0.5
|
| FH7 |
72 |
72 |
100 |
67.5+0.5 |
67.5+0.5 |
|
FH8
|
96
|
48
|
100
|
91+0.5
|
45+0.5
|
|
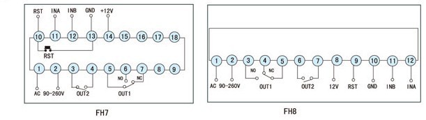
| 5.端子连接 |

|
| 6.输入方式A、B、C、D的计数情况 |
| A 输入方式UP(加法) |
B 输入方式UP/DOWN(加或减算) |
CP1:计数输入 CP2:控制端
CP2高电平时禁止CP1输入,低电平(悬空)时CP1加计数.
|
CP1:计数输入,CP2:控制端
CP1为高电平时(悬空)CP1减计数.
CP2为高低平时(悬空)CP1加计数. |
| C 输入方式UP/DOWN(加减算) |
D 输入方式UP/DOWN(可逆计算) |
CP1:计数输入,CP2:计数输入
CP1为加数输入端
CP2为减数输入端 |
CP1:计数输入,CP2:计数输入
CP1超前CP2,为加计数
CP1滞后CP2,为减计数
|
|
| 6.输入方式选择 |
| 输入方式 |
功能说明 |
| A模式 |
IN1加计数,IN2为GATE功能,当IN2为高电平时(或与+12V短接),IN1输入被禁止. |
| B模式 |
IN1加计数,IN2为倒计数控制功能,当IN2为高平电时,IN1加计数变为减计数. |
| C模式 |
IN1加计数,IN2减计数 |
| D模式 |
IN1信号超期IN2信号,为加计数,IN1信号滞后IN2信号,为减计数. |
|
| 7.输出方式选择 |
| 输出模式 |
功能说明 |
| R方式 |
加计数到设定值HI时,显示值保持到延时一段时间后,自动复位.(简称延时复位) |
| N方式 |
加计数到达设定值HI时,显示值保持到外接或手动复位.(简称手动复位) |
| C方式 |
加计数到达设定值HI时,显示值自动复位,重新计数.(简称自动复位) |
| F方式 |
加计数到达设定值HI时,显示值继续增长到外接或手动复位 |
| H方式 |
加计数到达设定值HI时,HI和LO分别作为一段和第二段的控制输出 |
| L方式 |
HI和LO分别作为高报警和低报警的控制输出 |
|
| 其中R、N、C、F四种方式的LO输出还有三种方式进行选择 |
| dHOL |
表示LO动作后,跟随HI一起复位 |
| dOFF |
表示LO动作后,保持到HI动作时立刻复位 |
| dTIM |
表示LO动作后,延时另一段时间后,自动复位 |
|
本页产品地址:http://www.geilan.com/sell/show-2292239.html