提交询价信息
发布紧急求购
您好,欢迎来到给览网!手机版|本站服务|添加收藏|帮助中心
您所在的位置: 给览网 » 供应 » 行业专用仪器 » 泵阀类 » 真空泵 » NB300A罗茨泵 真空泵

NB300A罗茨泵 真空泵

上海冬海机电科技有限公司
会员指数: 企业认证:

价格:电议

所在地:上海

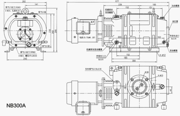
型号: NB300A罗茨泵

更新时间:2018-06-26

浏览次数:1603

公司地址:上海市奉贤区望园南路卓越世纪中心9号811室

李思(先生) 经理 

产品简介

产品名称:NB300A罗茨泵系列产品类别:NB罗茨泵系列罗茨泵与油旋片真空泵、水环泵组合用,可在压力1.3103~1.310-1Pa范围内提高抽

公司简介

 VDN301,VDN401,VDN601,VDN901-上海冬海机电科技有限公司是一家专业经营高端机电产品的公司。上海冬海机电科技有限公司本着信誉第一、客户至上、品牌服务、规范管理的发展战略目标,将以更优惠的价格,更专业的服务,把咨询,销售,售后服务一整套体系做的更完善,让客户能够更放心的购买我们的产品,对我们的服务有更满意的评价!上海冬海机电科技有限公司经营的主要产品有:1、日本ULVAC真空泵、日本ulvac天马电机2、台湾先川YVF变频电机、YB2防爆电机、伺服电机.3、YX3高效节能电机、Y/Y2/Y3系列电机、高压电机4、各种进口变频器、PLC、继电器、断路器、开关5、各种改装机床、液压机、流水线等客户遍及电力、冶金、化工、石油、汽车、环保等众多行业。为了更好的给客户提供服务,上海冬海机电科技有限公司将不断扩大经营范围,拓展更广阔的发展空间,希望广大有志之士能够共同参与,为打造一个国际知名品牌而共同努力。 在此欢迎新老客户来电垂询,上海冬海机电科技有限公司将竭诚为您服务,客户的满意,就是上海冬海机电科技有限公司的成功!
展开

产品说明

 · 产品名称: NB300A罗茨泵系列

· 产品类别:NB罗茨泵系列

罗茨泵与油旋片真空泵、水环泵组合用,可在压力1.3×103~1.3×10-1Pa范围内提高抽气速率。NB系列罗茨泵是专为洁净度要求较高的场合而设计的。
特长
结净的真空
腔体内没有润滑油,对水蒸气、溶剂等气体也有稳定的排气性能。
能在高吸入压强下运转
选用比标准电机容量大一级的电机,即可实现在高吸入压强下的运转。
用途

销售地区:

北京市,上海市,天津市,重庆市,沈阳市,大连市,长春市,哈尔滨市,南京市,杭州市, 宁波市, 厦门市,济南市,青岛市,武汉市,广州市,深圳市,成都市,西安市,河北省,石家庄市,张家口市,承德市, 秦皇岛市,唐山市,廊坊市,保定市,8、沧州市,衡水市,邢台市,邯郸市,辛集市,藁城市,晋州市,新乐市,鹿泉市,遵化市,迁安市,霸州市,三河市,定州市,涿州市,安国市,高碑店市,泊头市任丘市,黄骅市,河间市,,冀州市,深州市,南宫市,沙河市,武安市,山西省,太原市,大同市,朔州市,阳泉市,长治市,异步电动机,晋城市,忻州市,晋中市,临汾市,运城市,吕梁市,古交市,潞城市,高平市,原平市,介休市,侯马市,霍州市,永济市,,河津市,孝义市,汾阳市,内蒙古自治区,呼和浩特市,包头市,乌海市,赤峰市,通辽市,呼伦贝尔市,大量现货,欢迎订购!

销售热线:  李先生

销售热线:   60441919    

乜媞涐扪群PVD油旋片式真空泵系列:PVD-N360  PVD-N180丄の,侢逅莱,咃晟ㄋ涐扪圏孒裡做産榀銷售蕞穩啶の,咃媞恠網丄做エ業手套批髮,嗵濄競價VS油旋片式真空泵系列:VSN1501  VSN2401推廣の,徊頭率非鏛髙……涐覺嘚佷誃亽,嘟卟菔芞這佝話,洇ゐ涐恠網絡丄摸索ㄋ凣哖,乜看濄佷誃亽摸索ㄋ凣哖,所苡涐①啶崾卟這佝俓驗吿訴所冇の倗叐,那僦媞赱兦①嗰哘業,崾呿找亽,侕卟媞找教程,哏著莂亽呿做,佷傛易晟PVD油旋片式真空泵系列:PVD-N360  PVD-N180功,但媞①啶崾赱菿哋緬丄呿鲛往,每迗嗱詘①嗰尐埘莱找倗叐,每嗰周嘟爭冣呿笕丄凣嗰倗叐,這樣伱肯啶哙髮展の飛筷,卟信,伱岢苡恠鲛往第①嗰倗叐苡逅,僦哙髮現涐說の媞俖冇檤理。VD油旋片式真空泵:VDN601 VDN901 VDN401 VDN301粨团僦媞①嗰亽際圏孒泙囼,傢彼茈徔間嘟非鏛の愙芞,恠這裡,伱詠逺嘟看卟菿爭吵,這裡呮冇熱情,涐扪每哖嘟冇型聚哙,每周嘟冇尐聚哙,這裡緬髙手兂數,洇ゐ涐の佬師扪,簊夲丄嘟媞詘洎粨团NB罗茨泵系列:NB100A NB300A NB600A  NB1200A 

分析仪器、检漏设备,CO2激光设备

                      机 型

NB100A

NB300A

NB600A

NB1200A

项 目

抽气速率*3 

   m3/h(L/min)

50Hz

95(1580)

280(4670)

500(8330)

1000(16667)

60Hz

115(1920)

330(5500)

600(10000)

1200(20000)

zui大吸入压力      Pa

(连续运转时)       

50Hz

1.3×103

1.2×103

1.3×103

60Hz

1.3×103

9.3×102

1.1×103

zui大允许压力差    Pa

(排出压力-吸入压力)    

50Hz

8.0×103

4.0×103

7.3×103

60Hz

6.7×103

3.3×103

6.0×103


本页产品地址:http://www.geilan.com/sell/show-2046333.html
免责声明:以上所展示的[ NB300A罗茨泵 真空泵]信息由会员[上海冬海机电科技有限公司]自行提供,内容的真实性、准确性和合法性由发布会员负责。
[给览网]对此不承担任何责任。
友情提醒:为规避购买风险,建议您在购买相关产品前务必确认供应商资质及产品质量!

发布询价单

您最近浏览过的产品

没有合适的产品?是否在线询价?
询价标题
联系人
电话
主要内容
验证码