提交询价信息
发布紧急求购
您好,欢迎来到给览网!手机版|本站服务|添加收藏|帮助中心
您所在的位置: 给览网 » 供应 » 仪器配件 » 阀/接头 » F43CX 手动扇形盲板阀

F43CX 手动扇形盲板阀

永嘉县双德阀门公司
会员指数: 企业认证:

价格:电议

所在地:浙江 温州市

型号:F43CX

更新时间:2016-10-22

浏览次数:1044

公司地址:温州市永嘉县瓯北镇浦一工业区

母小龙(先生) 销售 

产品简介

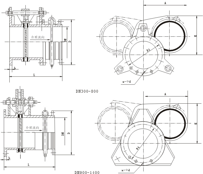
F43CX手动扇形盲板阀详细资料: 一、 扇形盲板阀产品特点:F43CX手动扇形盲板阀又名手动眼镜阀、翻板阀、扇形阀,为长结构系列

公司简介


  永嘉县双德阀门有限公司是一家集阀门研发,生产,销售,售后为一体的综合性高新技术企业。坐落于“中国泵阀之乡”---永嘉县瓯北镇。

   永嘉县双德阀门有限公司以温州销售中心向全国各地辐射,并计划拓展到东南亚和美国日本等国际市场,以此编织一张富有挑战性的全球营销网络。公司秉承“立足温州”“服务全球”,以中国泵阀之乡---瓯北为立足点, 以高科技为依托,以科技成果快速产业化为己任,不断开发科技含量高的泵阀类系列产品,以满足国内外客户的需求。在未来的时间里公司将抓住机遇,在产品系列化、产业多元化、经营规模化、国际化的基础上,使公司的品牌真正成为国内、国际上的知名品牌。
   永嘉县双德阀门有限公司主要研发生产:闸阀系列,截止阀系列,真空阀系列,刀形闸阀系列,球阀系列,蝶阀系列,止回阀系列,旋塞阀系列,减压阀系列,水力控制阀系列,针型阀系列以及非标阀门等产品,分为软密封和硬密封两大类。阀门的主体材料有WCB、WC1、WC6、WC9、CF8、CF8M、CF3、CF3M、、ZG1Cr18Ni9Ti、ZG1Cr18Ni12Mo2Ti等;驱动形式有手动、蜗轮传动、电动、气动、液动、电液联动等;公称通径从DN10~3000及1/2"~40";工作压力从0.6~42.0MPa及150Lb~2500Lb;工作温度-196℃~700℃。产品广泛应用于电站、锅炉、石油、化工、城建、医药、化肥、冶金、采矿等行业,部分产品已代替进口,应用于国家重点工程项目的关键设备上。
   永嘉县双德阀门有限公司从奉行“科技为本,质量取胜”的宗旨,始终秉承“认真、诚信、创新、效果”的经营理念,以优质的服务,上乘的产品,打造一流的品牌,使你买得放心,用得满意。我们竭诚欢迎国内外广大客户前来洽谈交流产品技术及质量,开展卓有成效的合作。
                                                                          这一路走来......  
                                                                          总有些关怀值得感激!
展开

产品说明


F43CX手动扇形盲板阀详细资料: 一、 扇形盲板阀产品特点:
F43CX手动扇形盲板阀又名手动眼镜阀、翻板阀、扇形阀,为长结构系列,在右阀体上设有伸缩器,用于较长管路中(注:不能作为管路的补偿器),可以补偿阀门启闭过程中产生的阀体轴向位移,减小阀门的启闭力矩。根据大口径阀门的特点,阀体设计成三角形结构,加强了阀门的整体刚性。橡胶密封圈分别安装在左、右阀体上。
二、主要性能指标:
公称压力MPa
0.25
0.15
0.10
0.05
密封试验压力MPa
0.275
0.165
0.11
0.055
强度试验压力MPa
0.40
0.225
0.15
0.075
适用温度℃
丁腈橡胶
硅橡胶
氟橡胶
<120
<250
<300
适用介质
煤气等
采用标准
连接法兰尺寸符合JB/T81-94标准,检测方法符合GB/T13927-92标准
主要零部件材料
阀体、闸板为碳钢;连接轴、伸缩器为碳钢或不锈钢;密封圈为橡胶

三、主要外形连接尺寸:
F43CX手动扇形盲板阀

DN

D

D1

b

n-φd

长系列 L

200

320

280

14

8-φ18

500

250

375

335

14

12-φ18

500

300

440

395

16

12-φ22

500

350

490

445

16

12-φ22

500

400

540

495

16

16-φ22

600

450

595

550

20

16-φ22

600

500

645

600

20

20-φ22

600

600

755

705

20

20-φ26

600

700

860

810

20

24-φ26

600

800

975

920

22

24-φ30

600

900

1075

1020

22

24-φ30

630

1000

1175

1120

22

28-φ30

630

1200

1375

1320

22

32-φ30

750

1400

1575

1520

26

36-φ30

750

1500

1675

1620

26

36-φ30

750

1600

1790

1730

26

40-φ30

750

1800

1990

1930

26

44-φ30

750

2000

2190

2130

26

48-φ30

750


四、扇形盲板阀订货须知:
1、①产品名称与型号②扇形盲板阀口径③是否带附件以便我们的为您正确选型。
2、若已经由设计单位选定的扇形盲板阀型号,请按扇形盲板阀型号直接向我司销售部订购。
3、当使用的场合非常重要或环境比较复杂时,请您尽量提供设计图纸和详细参数


永嘉县天星阀门有限公司主要研发生:

温高高压蝶阀双向压蝶阀煤气蝶阀通风蝶阀高温烟气蝶阀钢厂专用煤气蝶阀球阀系列电动阀门盲板阀气动阀门安全阀调节阀闸阀截止阀止回阀系列以及各种非标阀门

销售热线:

QQ:1250129970

邮箱:

:

我们竭诚欢迎外广大客户前来洽谈交流产品技术及质量,开展卓有成效的合作。


本页产品地址:http://www.geilan.com/sell/show-1906695.html
免责声明:以上所展示的[F43CX 手动扇形盲板阀]信息由会员[永嘉县双德阀门公司]自行提供,内容的真实性、准确性和合法性由发布会员负责。
[给览网]对此不承担任何责任。
友情提醒:为规避购买风险,建议您在购买相关产品前务必确认供应商资质及产品质量!

发布询价单

您最近浏览过的产品

没有合适的产品?是否在线询价?
询价标题
联系人
电话
主要内容
验证码