| 提交询价信息 |
| 发布紧急求购 |
价格:电议
所在地:上海
型号:
更新时间:2015-03-11
浏览次数:1191
公司地址:上海市闵行区元江路5500号
![]()
杨挺(先生) 经理
上海传流阀门有限公司成立于世界闻名的大城市━上海,地理位置优越,陆、海、空交通便利,是一家专业代理及经销进口阀门的企业。公司拥有一支非常稳定的专业技术队伍,具备丰富的销经验售和完善技术支持,周到的售后服务体系,时刻把满足客户放在首位,以“服务与价格并重”的服务理念,使得传流公司长期稳定发展。
USA FRANK VALVE LIMITED美国富兰克阀门公司作为美洲大型的阀门制造厂之一,在这一领域中,我们居于全球的领先地位。直属拥有3家专业的阀门研究单位,全球拥有12家分公司,在阀类流体理论和基础部件加工方面具有一定的权威性。此外,许多国家的大量分销商也在销售着富兰克的产品。美国富兰克阀门公司秉承一流美洲的工程技术传统,研发、制造调节阀产品,提供多项优质服务于能源领域,同时更致力于通过技术创新和高品质追求以及灵活服务的组合,为广大用户提供更安全稳定的高新产品。作为在阀门行业高性价比的代名词,美国富兰克为客户提供从单一产品到复杂系统的阀门全面解决方案。C系列直行程调节阀,V系列自力式调节阀是当今世界应用最广泛的调节阀,可以在任何流体需要控制的工业里发现它。被应用于全球众多建筑、商业、机械设备、工业和市政供水领域。
富兰克的价值理念概括为:责任-远见-创新。我们因自身的责任感、远见及专注于创造前所未有的解决方案和理念,而成为全球领先的阀门制造商。早在2003年富兰克已进入中国,中国上海设立了办事处,也就是现今的富兰克亚太区总部,2006年在香港建立了独资工厂。富兰克始终认为中国的发展对于全球的发展具有着重要意义,同时也热切期望融入其中,为中国发展做出努力和贡献。
目前在中国市场已拥有一批稳定的用户,如中石油、中石化、中航、中船、华能集团、蒙牛乳业、雅士利乳业、旺旺集团、武钢、攀钢、吴忠仪表股份、杭州汽轮机股份、山西压缩天然气集团公司、上海宝钢集团、国华准格尔发电厂、海拉尔发电厂、广州丰田汽车、上海华东理工大学、上海上仪集团、上海人民电器开关厂、浙江大学、宁波象山电站湖南湘潭电厂、深圳制药厂、大庆炼化、辽河油田、恒安纸业、深圳水务集团、香港中华电力公司等等。
进口二位二通先导式活塞型电磁阀/常闭型

进口活塞式电磁阀产品原理:
二位二通常闭型电磁阀,断电关闭,通电打开
进口活塞式电磁阀性能规范:
阀体材质:锻铜、SS304、SS316
密封材料:Teflon 四氟塑料 φ5.5mm以下可配 V=VITON、E=EPDM、N=NBR
控制方式:常开型、常闭型
zui大耐压力:40kgf/cm2
环境温度:0℃~65℃(F级)、0℃~80℃(C级)
产品系列化生产,体积小,流量大,适用范围广
按阀上所标流向箭头,线圈向上,水平安装
电压:AC220V/230V/240V/110V/24V 50/60HZ DC24V/12V +10%到-10%允许波动
常规备货:AC220V/230V/240V 50/60HZ DC24V
密封件采用聚四氟乙烯材料(Teflon),以适用不同流体的开关控制
| 接管 口径 |
流量 通径 mm |
CV值 |
压力差(Kgf/cm2) |
zui大 流体 温度 |
线圈 配置 |
功率 | 线圈 等级 |
外行尺寸 长×宽×高 A×B×H |
重量 KG |
||||||||
| zui大工作压力 |
VA AC220V |
||||||||||||||||
| zui小 压力 |
空气 瓦斯 |
水、热水液体 | 轻油 | ||||||||||||||
| AC | DC | AC | DC | AC | |||||||||||||
| 3/8" | 15 | 4.5 | 0.5 | 25 | 20 | 25 | 20 | 20 | 20 | 110 | D | 33 | 32 | F | 75×52×129 | 1.25 | |
| 15 | 4.5 | 0.5 | 25 | 20 | 25 | 20 | 20 | 20 | 10 | 185 | W | 30 | 25 | H | 75×52×129 | 1.25 | |
| 1/2" | 15 | 4.5 | 0.5 | 25 | 20 | 25 | 20 | 20 | 20 | 110 | D | 33 | 32 | F | 75×52×129 | 1.2 | |
| 15 | 4.5 | 0.5 | 25 | 20 | 25 | 20 | 20 | 20 | 10 | 185 | W | 30 | 25 | H | 75×52×129 | 1.2 | |
| 3/4" | 20 | 0.9 | 0.5 | 25 | 20 | 25 | 20 | 20 | 20 | 110 | D | 33 | 32 | F | 85×60×141 | 1.5 | |
| 20 | 0.9 | 0.5 | 25 | 20 | 25 | 20 | 20 | 20 | 10 | 185 | W | 30 | 25 | H | 85×60×141 | 1.5 | |
| 1" | 25 | 13 | 0.5 | 25 | 20 | 25 | 20 | 20 | 20 | 110 | D | 33 | 32 | F | 100×70×148 | 1.9 | |
| 25 | 13 | 0.5 | 25 | 20 | 25 | 20 | 20 | 20 | 10 | 185 | W | 30 | 25 | H | 100×70×148 | 1.9 | |
| 11/4" | 35 | 26 | 0.5 | 25 | 20 | 25 | 20 | 20 | 20 | 110 | D | 33 | 32 | F | 120×90×168 | 3.6 | |
| 35 | 26 | 0.5 | 25 | 20 | 25 | 20 | 20 | 20 | 10 | 185 | W | 30 | 25 | H | 120×90×168 | 3.6 | |
| 11/2" | 35 | 26 | 0.5 | 25 | 20 | 25 | 20 | 20 | 20 | 110 | D | 33 | 32 | F | 120×90×168 | 3.5 | |
| 35 | 26 | 0.5 | 25 | 20 | 25 | 20 | 20 | 20 | 10 | 185 | W | 30 | 25 | H | 120×90×168 | 3.5 | |
| 2" | 45 | 45 | 0.5 | 25 | 20 | 25 | 20 | 20 | 20 | 110 | D | 33 | 32 | F | 150×110×190 | 4.2 | |
| 45 | 45 | 0.5 | 25 | 20 | 25 | 20 | 20 | 20 | 10 | 185 | W | 30 | 25 | H | 150×110×190 | 4.2 | |
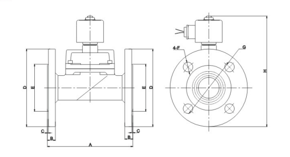
不锈钢法兰系列二位二通电磁阀 <常闭型>
型号规格(法兰接口)
| 流量 通径 mm |
CV值 | zui大 流体 温度 |
线圈 | zui大 流体 温度 |
重量 KG |
|||||||||||
|
压力差(Kgf/cm2) |
功率 | |||||||||||||||
| zui大工作压力 |
VA AC220V |
|||||||||||||||
| zui小 压力 |
空气 瓦斯 |
水、热水液体 | 轻油 | |||||||||||||
| AC | DC | AC | DC | AC | DC | 配置 | ||||||||||
| 25 | 13 | 0.5 | 25 | 20 | 25 | 20 | 20 | 20 | 110 | D | F | 110 | 33 | 32 | 3.4 | |
| 25 | 13 | 0.5 | 25 | 20 | 25 | 20 | 20 | 20 | 10 | 185 | W | H | 185 | 30 | 25 | 3.4 |
| 35 | 26 | 0.5 | 25 | 20 | 25 | 20 | 20 | 20 | 110 | D | F | 110 | 33 | 32 | 6 | |
| 35 | 26 | 0.5 | 25 | 20 | 25 | 20 | 20 | 20 | 10 | 185 | W | H | 185 | 30 | 25 | 6 |
| 40 | 26 | 0.5 | 25 | 20 | 25 | 20 | 20 | 20 | 110 | D | F | 110 | 33 | 32 | 6.5 | |
| 40 | 26 | 0.5 | 25 | 20 | 25 | 20 | 20 | 20 | 10 | 185 | W | H | 185 | 30 | 25 | 6.5 |
| 50 | 45 | 0.5 | 25 | 20 | 25 | 20 | 20 | 20 | 110 | D | F | 110 | 33 | 32 | 7.3 | |
| 50 | 45 | 0.5 | 25 | 20 | 25 | 20 | 20 | 20 | 10 | 185 | W | H | 185 | 30 | 25 | 7.3 |
外形尺寸

| A | B | C | φD | φE | φF | φG | H | |
| DN25 | 134 | 13 | 2 | 110 | 58 | 4-14 | 85 | 185 |
| DN32 | 160 | 15 | 2 | 135 | 76 | 4-18 | 100 | 200 |
| DN40 | 160 | 15 | 2 | 145 | 84 | 4-18 | 125 | 205 |
| DN50 | 200 | 160 | 2 | 155 | 88 | 4-18 | 125 | 250 |
二位二通电磁阀

免责声明:以上所展示的[ 进口二位二通先导式活塞型电磁阀/常闭型]信息由会员[上海传流阀门有限公司]自行提供,内容的真实性、准确性和合法性由发布会员负责。