提交询价信息
发布紧急求购
您好,欢迎来到给览网!手机版|本站服务|添加收藏|帮助中心
您所在的位置: 给览网 » 供应 » 行业专用仪器 » 泵阀类 » 真空泵 » 2X 2X型旋片式真空泵

2X 2X型旋片式真空泵

温州市威王泵阀制造有限公司
会员指数: 企业认证:

价格:电议

所在地:浙江 温州市

型号:2X

更新时间:2021-06-25

浏览次数:1691

公司地址:浙江省永嘉县瓯北镇五星工业区

朱宝 (先生) 经理 

产品简介

一、2X型旋片式真空泵的产品用途及使用范围:   1、2X型旋片式真空泵是用以抽除特定密封容器内的气体,使该容器获得一定真空的基本

公司简介


温州市威王泵阀制造有限公司(原永嘉县高盾泵阀厂)座落在风景秀丽的中国泵阀之乡——温州瓯北,与市区隔江相望,甬台温、金丽温高速贯穿市中心;到火车站仅需20分钟车程,至机场不到1小时,交通十分便利,资讯发达。企业自成立以来,充分的利用区域性专业集群优势,大力开发科技创新,迅速发展壮大,在强手如林的泵阀世界占据了一席之地。
  我公司主要生产产品:管道泵,离心泵,排污泵,隔膜泵,化工泵,消防泵,潜水泵,热水泵,气动隔膜泵,电动隔膜泵,不锈钢离心泵,不锈钢化工泵,不锈钢管道泵,管道离心泵,单级离心泵,油泵,清水泵,液下泵,多级泵,磁力泵,螺杆泵,真空泵,磁力泵,污水泵,泥浆泵,浓浆泵,成套供水设备等产品已广泛应用于石油、化工、电力、食品、医药、造纸、冶金、能源、楼宇、市政工程、污水处理、环保、给排水等各个领域。公司还根据用户需求开发设计有特殊要求的产品,同时为用户提供技术咨询并解决相关的问题。
  公司一直奉行“以质量求生存,靠科技求发展”的宗旨。在实施全面质量管理的基础上,以精良的工艺装备,先进合理的设计,专业化的生产,外观与内在并重的质量理念和用户至上的服务意识,及具有竞争力的成本,为您提供高品质且不断改进的产品及优质服务,诚邀中外客商、各界用户和友仁前来考察、洽谈贸易,愿与您在成功的道路上携手并进,共谱凯歌.

展开

产品说明


一、2X型旋片式真空泵的产品用途及使用范围:

   1、2X型旋片式真空泵是用以抽除特定密封容器内的气体,使该容器获得一定真空的基本设备,由于现代科学技术的高度发展,真空泵的应用遍及各个科学领域和各种企业事业单位,可供冶金、化工、轻工、石油、医疗、制药、印染、电器、电真空、半导体、食品、原子能、纺织等科研机关、大专院校、工矿企业作科研和生产与教学之用。
   2、由于旋片式真空泵是用黑色金属制造,而且比较,整个泵的工作都是联系在一起的,所以旋片式真空泵不适用于抽除含氧过高的、有毒的、有爆炸性的浸蚀黑色金属的和对真空油起化学作用的各种气体,也不可做为压缩机和输送泵使用。如有气镇装置的泵,可抽除一定地的可凝汽体。,
   3、旋片式真空泵可以用来直接获得真空度在10~3托以下的真空作业,以及配合其它真空作业之用。
   4、旋片式真空泵一般在不低于5℃的室温及不高于90%的相对温度的环境内使用。

二、2X型旋片式真空泵的结构及原理:

   5、图1是旋片式真空泵泵原理图,转子3及7与高真空室外1及低真空室6相切,转子3及7沿箭头方向旋转,带动转子槽内滑动的转片旋转,由于弹簧9及离心力的作用, 转片外端紧贴高低真空室的内表面滑动,把转子与高低真空室所形成的月洼形空间从进气嘴2到排气阀门5和从过气管4到排气阀门10之间分隔开来,形成二或三个容积,并且周期性的大小变化,当在图示旋片式真空泵位置继续旋转时A及C容积逐渐增大,被抽容积气体没进气嘴进入泵内,同时B及D容积逐渐减少,压力升高,随后冲开排气阀门5及10,将气体排出真空室外,气体经过油面而排于大气之中,因为油是淹住排气门的,故能防止气体返回真空室。当抽气压强较高时,高低真空室的阀门都排气,相当于单级泵,当真空度较高时,全部气体进入真空室,再由排气阀门10排出,此时二级串联即进入双级泵工作。

   如被抽除的气体中含有较高的蒸汽气体时,在气体受到压缩而其蒸汽的分压强超过此蒸汽在泵内温度下的饱和压强时,此时蒸气被压缩成为液体,旋片式真空泵无法排出,而混在真空油内,使泵的性能大大降低。如果掺入适量的空气,使蒸汽在受到压缩时,其分压强也低于泵温的饱和压强,则蒸汽在变成液体前就能被排出泵外去,故本系列2X-4以上的都装有能放入一定量气体的掺气阀11见图1


(图1)附表

1
高真空室外
2
进气嘴
3
转子
4
过气管
5
排气阀门
6
低真空室
7
转子
8
刮片
9
弹簧
10
排气阀门

  6、2X系列的各种真空泵的外形和结构是基本相同的,泵由电机经三角皮带传动到转子。电动机和泵用螺钉卡板固定在底盘上。
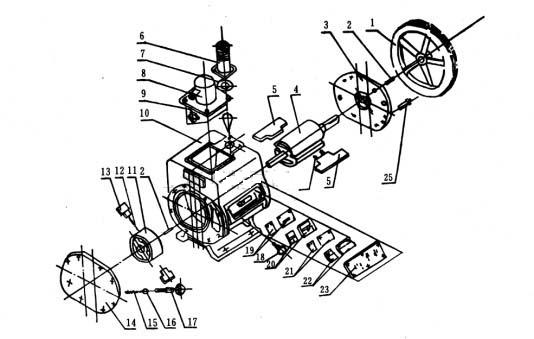
2X旋片式真空泵由泵体、高转子、低转子、前端板、后端板、高转片、低转片、排气阀、排气罩、视镜等零部件组成。见图2、图3。

   在2X旋片式真空泵体内压入一个中隔板、将真空泵壳分成高低真空室,各室都有排气门,高真空室排气与低真空气相通。高转子前端伸出前轴;后端伸出后轴。前轴通过前端板的轴承支持、经过油密封室而伸出前端板外:后轴由中隔板上的轴承支持。而伸入低真空室内,低真空室转子则装在后轴上、故高低转子均由前轴带动。高低转子都有对开的槽子,呈“T”形的旋片由弹簧支撑开而装于槽内。2X旋片式真空泵的进气口处有过滤网,而排气口处有挡油网,视镜左边有掺气阀,下边有放油塞。



(图2)2X旋片式真空泵附表

气体路径
3
过滤网
8
弹子
13
排气罩
18
后端板
23
水盖板
—→高真空路径
4
皮带轮
9
前轴
14
排气罩垫
19
低转子
24
排气阀片
—→高真空路径
5
前端板
10
油密封室
15
挡油网
20
冷却水接头
25
视窗
1
进气嘴
6
高转片
11
弹簧
16
泵壳
21
26
掺气阀
2
密封圈
7
高转子
12
定位销钉
17
中隔板
22
底转片
27
放油塞


(图3)2X旋片式真空泵附表

1
皮带轮
6
排气咀
11
低转子
16
钢珠
21
阀片
2
7
密封圈
12
弹簧
17
手柄
22
档板
3
前端板
8
排气罩
13
底转片
18
放油塞
23
油盖
4
高转子
9
过滤网
14
后端板
19
纸垫
24
定位销钉
5
高转片
10
泵体
15
弹簧
20
阀座
   

   7、2X旋片式真空泵抽气过程:见图2,气体由进气嘴进入高真空室,起初是高压强,高低真空室都充满大气,两个排气门都打开排气。随着抽气的进行,气压下降(即真空度提高),高真空室压力不足以推开排气门,气体经中隔板进入低真空室,此时压力亦不足推开排气门,但低真空室进入有一定量油,帮助推开排气门,气体亦随之排出。排出的气体平杂着的油粒,经挡油网滤而使油分离,只有气体排出泵外,气体路径见图2。
   8、2X旋片式真空泵油密封室里的油,由油池A经前端板上的孔供给。低真空室里的油,由油池A经后端板上的孔供给。高真空室的油,由中隔板上的孔,循环供给。2X旋片式真空泵前后端盖的密封是由泵体上部的油池B经泵体端面室的孔而流入油槽进行密封。


三、2X型旋片式真空泵的性能参数


旋片真空泵参数
2X-2
2X-4A
2X-8A
2X-8
 
2X-1
2X-15
2X-30
2X-70
2
4
8
15
30
70
限真空
关气镇
开气镇
Pa(Torr)
6×10-2(≤5×10-4)110
6×10-1(5×10-3)
(≤1×10)
电动机功率(KW)
0.37
0.55
1.1
1.5
3
5.5
温升(℃)
≤40
进气口径(mm)
18
25
40
40
65
80
转速(r/min)
450
590
   450      420
420
用油量(L)
0.7
1.0
2.0
2.8
3.0
4.2
噪声dB(A)
68
≤68
≤70
≤75
≤78(~70)
≤80(~75)
外形尺寸(cm)
56×31×39
56×34×37
79×43×54
79×53×54
78×50×56
91×65×70
适用电磁阀型号
DDC-JQ25
DDC-JQ40
DDC-JQ65
DDC-JQ80
重量(kg)
58
55
80
110
232
330
2X旋片式真空泵冷却方式
自然冷却
水冷
 
自然冷
水冷
冷却水量(L/min)
-
>0.5
 
-
>0.8
>1
>2

2X旋片式真空泵注意:(1)真空度是指被抽容器内剩余气体压强,以分压强为我厂出厂标准,总压强为辅助标准,热偶计测的是各种蒸汽和气体的总压强,而麦氏表只能测出气体占的分压强,故二表的数值有一定的差异。
   (2)抽速度是根据几何尺寸算出的在大气压强j时,实际抽速与几何抽速基本相符合,在各种不同的压强时,抽速有一定下降,抽速与压力关系见图4。
   (3)温升是指泵温稳定后,在排气阀门处的油的温度与室温之差。
   (4)2X旋片式真空泵型号表示方法:列2K—1,2代表双级泵,K代表旋片式真空泵,一横线后面的数字代表每秒钟的抽速。

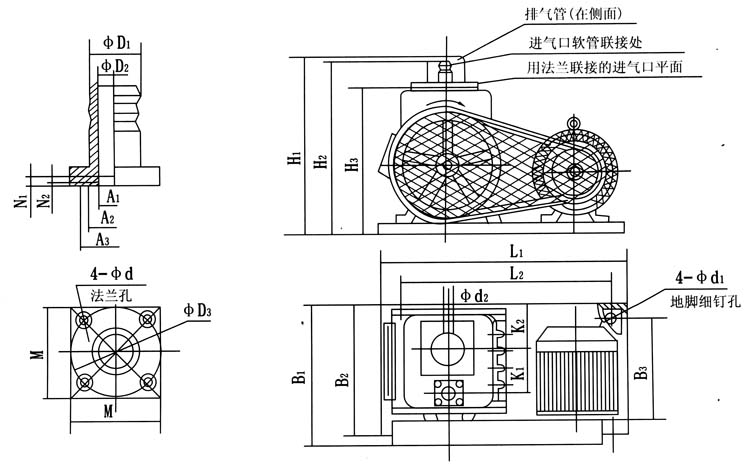
 四、2X型双级旋片式真空泵的安装尺寸表:

代号型号
φD1
φD2
φD3
Al
A2
A3
N1
N2
M
φd
H1
H2
H3
L1
L2
L3
B1
B2
B3
K1
K2
φdl
φd2
2X-1
27
20
50
23
30
34
3
3
48
5.5
270
265
230
435
352
135
250
215
157
60
 
11
20
2X-2
30
25
     
45
3
3
55
6
270
260
 
400
380
 
260
260
200
   
10
25
2X-4
32
28
55
31
35
45
4
3
55
6.5
340
327
267
520
480
119
300
260
200
82
105
11
25
2X-8
41
34
64
38
42.5
52.5
4
3
64
7
360
380
302
560
520
130
328
280
210
88
112
11
32
2X-15
56.5
36
105
54
70
80
5
3
100
11
540
511
340
772
736
170
542
492
364
120
80
14
 
2X-30
85
65
105
75
85
93
5
3
100
9
560
550
463
780
730
185
500
390
340
140
136
16
 
2X-70
 
80
125
96
105
113
6
3
130
9
692
680
556
908
848
210
650
530
470
176
144
20
G3

五、2X型旋片式真空泵的拆箱安装:

拆箱后小心取出旋片式真空泵体、备附件及说明书并保管好作日后备用。除去填充物,擦净泵的表面灰尘、垢。按装箱单清点数目。
旋片真空泵安装在环境清洁、通气良好,光线充足符合第4条要求的室内。根据使用情况泵应安装在有一定宽裕的场地,以便于操作维护。泵的外形尺寸见。旋片真空泵可以放置在坚实平坦的地面上,不需特别的地基,如需固定可另加螺钉与基础固牢,地脚螺钉尺寸见。旋片真空泵如靠近仪表使用时,应考虑增加防震装置。
将被抽容器用真空软管或法兰与旋片式真空泵相联结,如用法兰联接时,法兰上应有橡胶圈槽,形式及尺寸见图50联接被抽容器的管径不应小于泵进气口直径,管通宜短,接头宜少,否则影响抽速,管道和接头的漏气量应小。被抽容器的气体量应与泵的抽速相适应,旋片真空泵的抽速关系见图4。在泵与被抽容器之间建议装上一个真空阀,以便控制气体流量。对于泵并建议装上一个放气阀(或电磁阀)以便停车时对泵放气,能防止返油以及容易起动。
按照电机标牌所示电压和接线方式接上电源,并建议采用保险装置以免超载,判明电机旋转方向,应与泵上箭头方向一致。取下排气塞装上排气罩,或将排所嘴上的套子取下。旋片真空泵需冷却者接上水源。
如必须使泵抽除有毒的及腐蚀黑色金属的气体、对真空油起化学变化的气体、及超过常温和有尘埃的气体时,应在进气管道上加装中和、冷却、过滤等有关装置配合使用,否则将影响旋片真空泵使用性能和寿命。抽除对人体有害的气体时,应安上相应的管道,将排出气体引至室外远离工区进行处理。

  注:安装时应小心,防止铁屑、污物、尘埃等落入泵内

六、2X型旋片式真空泵的使用说明:

   1、旋片式真空泵运转注意事项:
   (1)断续起动1—2次,观察在运转中有无异常声响及特殊的震动,无问题方可边续运转。
   (2)注意油面应在视镜的两条油标线之间,油量多了会引起起动困难、返油、喷油等不良现象,少了则影响真空度。油量不足时应通过加油孔加油。注意久停的泵油面要下降,将泵连续运转几转后,油面才会上升。
   (3)打开冷却水
   (4)打开泵进气嘴上的阀门,打开的大小视具体情况而定。

 


本页产品地址:http://www.geilan.com/sell/show-1020500.html
免责声明:以上所展示的[2X 2X型旋片式真空泵]信息由会员[温州市威王泵阀制造有限公司]自行提供,内容的真实性、准确性和合法性由发布会员负责。
[给览网]对此不承担任何责任。
友情提醒:为规避购买风险,建议您在购买相关产品前务必确认供应商资质及产品质量!

发布询价单

您最近浏览过的产品

没有合适的产品?是否在线询价?
询价标题
联系人
电话
主要内容
验证码