产品简介
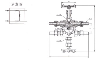
QFF3 流量计 平衡阀是用在差压变送器配套上,起平衡作用,它有一个输入端二个输出端,在不切断管道流体的情况下,完成排污,它优于三阀组,可以避免三阀组误操作而产生单向静压的缺点。当前针型阀广泛应用于城建、化工、冶金、石油、制药、食品、饮料、环保中。
公司简介
广西茂斯福液压设备有限公司是集科工贸于一体的系统集成供应商,致力于为中国工矿企业客户提供自动化领域产品与服务,作为工业领域多个世界品牌的经销商和服务商,凭着拼搏与智慧,历经多年成长,已经成为行业内实力的产品供应商和服务商。
优势经销品牌:德国BOSCH博世、德国REXROTH力士乐、德国费斯托FESTO、日本SMC、德国威卡WIKA、英国诺冠NORGREN、美国诺信Nordson、日本喜开理CKD、德国西克SICK、日本基恩士KEYENCE、德国易福门IFM、德国倍加福P F、美国艾默生-安沃驰Aventics、 恩德斯豪斯E H、美国邦纳BANNER、德国巴鲁夫BALLUFF、 德国菲尼克斯PHOENIX、德国魏德米勒WEIDMULLER 、德国劳易测LEUZE、德国瑞士ABB(低压产品、变频器、机器人)、美国康耐视COGNEX读码和视觉、德国威图RITTAL 、德国KTR 、美国仙童FAIRCHILD 、瑞士HeinrichKübler 、瑞士贝林格Beringer 、西班牙欧宾罗斯ORBINOX 、芬兰拉赫蒂LAHTIPRECISION 、德国GLOBE 、台湾精锐APEX减速机-齿轮-齿条、台湾气立可CHELIC、德国皮尔磁PILZ、德国图尔克TURCK、日本小金井KOGANEI、台湾金器Mindman、德国浩亭HARTING连接器 、台湾元利富ALIF磁性开关、德国SEW减速电机、美国MAC、德国宝得BURKERT、美国派克PARKER(法国乐可利LEGRIS)、日本欧姆龙OMRON、德国西门子SIEMENS、法国施耐德SCHNEIDER 、日本三菱MITSUBISHI等,广泛服务于冶金化工、铸造、汽车、电力电子、卷烟、机器人、医药、纺织、造纸、新能源、半导体、啤酒饮料、光伏、太阳能、非标机械、包装机械、橡胶机械等行业;在价格及周期上具有较大优势,衷心希望能有机会与贵公司合作。
机械设备部:公司实力雄厚,重信用、守合同、保证产品质量,承接自动化项目开发设计、电气系统改造、数控改造、电气配套及各种非标设备的整机设计制造。在机械、汽车、电子、仪器仪表、冶金、铸造、金属加工等诸多领域,建立了良好的合作伙伴关系,业内已取得众多客户的好评与信赖。
展开
产品说明
主要外形尺寸
规格 4-Ф A L1 L2 Do 重量(kg)
|
DN6
|
4-Ф14
|
54
|
240
|
204
|
63
|
2.9
|

性能规范 单位:MPa
|
实验项目
|
压力值
|
|
公称压力
|
16
|
|
壳体实验
|
24
|
|
密封试验
|
17.6
|
|
气压试验
|
9.6
|
|
适用温度
|
≤425℃
|
|
适用介质
|
水、蒸汽、油品等
|
本页产品地址:http://www.geilan.com/sell/show-9302557.html

免责声明:以上所展示的[
QFF3 广西供应 流量平衡针型阀一体式三阀]信息由会员[
广西茂斯福液压设备有限公司]自行提供,内容的真实性、准确性和合法性由发布会员负责。
[给览网]对此不承担任何责任。
友情提醒:为规避购买风险,建议您在购买相关产品前务必确认供应商资质及产品质量!