产品简介
EBB经济型传感器产品特点:●坚固耐用,全封闭设计;●性价比高,可测量精度要求相对较低的场合位移的测量;●非接触式测量,使用周期长 ;●测量起始位置,全量程可调。
公司简介
烟台拿度仪器有限公司(Yantai Nado Instrument Co., Ltd. )是一家专注于工业自动化以及遥感测控领域的产品应用开发与技术服务的高科技企业。光电传感器、激光传感器、磁致伸缩位移传感器、超声波传感器是我们关于传感器的4大主要业务板块。我们的业务开展始终聚焦在每个客户的个性化需求之上:我们满怀对自动化的热情,致力于科技创新,并辅以国内外的产品和技术,为您提供特定、优质、高性价比的解决方案,并将其整合到您的处理流程中。不拘一格的合作方式,迅捷的行事风格,不放弃每一单的合作态度,我们致力于成为您现在以至将来的合作伙伴。
公司位于烟台经济技术开发区创业园区,设有研发部、检测部、生产部、工程部、品保部、售后服务部、网络推广部、市场部、财务部、行政部等部门。公司拥有的传感器研发、设计和测试工程师团队,骨干成员均为博士、硕士学历,并有着十年以上的行业经验。
公司目前拥有十二个系列,六十多个品种的位移传感器产品。产品技术上不断创新,品质上均经过严格的实验与应用测试以及出厂检测,从性能指标、到产品的稳定性与耐用性均达到国外同级水平。
公司技术带头人来自于中国科学院西安北方光电机械研究所,在激光、光电及光谱等应用领域,有着深厚的技术背景。我们和中国兵器工业集团•西安北方光电技术有限公司结成战略联盟,在业务领域展开广泛、深入的合作。拿度仪器同时也是西安北方光电技术有限公司华东办事处驻所。
西安北方光电技术有限公司由北方光电集团有限公司和兵器205所共同出资组建,旗下7家子公司,总资产1.8亿元,员工750人,业务领域涉及光电信息及通讯产品、机电产品、光电器件、光学材料与器件、红外成像仪器及仪表产品、专业望远镜系列产品等的研发、生产和销售。
服务热线:(0535)6936196 18562255186 18562255176
传真:0535-6936196:www.na-do.cn
公司地址:山东省烟台经济技术开发区珠江路32号3号楼·0..
0
展开
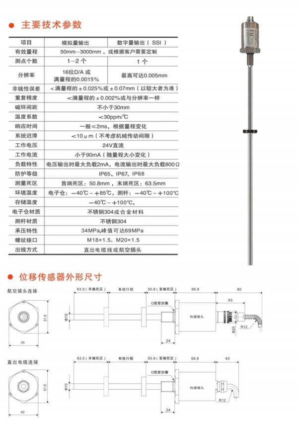
产品说明
EBB经济型传感器产品特点:
●坚固耐用,全封闭设计;
●性价比高,可测量精度要求相对较低的场合位移的测量;
●非接触式测量,使用周期长 ;
●测量起始位置,全量程可调。
|
产品名称
|
经济型位移传感器
|
|
测量范围
|
50mm~3000mm 需要更长量程需定制
|
|
温度系数
|
< 30PPm/℃
|
|
输出信号
|
电流,电压,SSI
|
|
供电电压
|
+24V
|
|
温度范围
|
-40℃ ~ +100℃
|
|
电气防护
|
IP65 IP67 IP68
|
|
耐压能力
|
34MPa(连续) / 69MPa (峰值)
|







.jpg)





本页产品地址:http://www.geilan.com/sell/show-9231123.html

免责声明:以上所展示的[
EBB 拿度模拟量/数字量/Modbus485/SSI磁致伸缩直线位移传感器油缸]信息由会员[
烟台拿度仪器有限公司]自行提供,内容的真实性、准确性和合法性由发布会员负责。
[给览网]对此不承担任何责任。
友情提醒:为规避购买风险,建议您在购买相关产品前务必确认供应商资质及产品质量!