| 提交询价信息 |
| 发布紧急求购 |
价格:电议
所在地:河南 郑州市
型号:ZBK380
更新时间:2024-07-13
浏览次数:740
公司地址:郑州高新开发区翠竹街6号02幢东3单元2层19号
![]()
王艳艳(女士)
电机监测装置(轴承温度、振动)煤矿安全时刻保持警惕

199*0383*2913
我公司的定制化产品是为客户量身剪裁,让用户介入产品的生产过程,将客户要求的功能和其他特殊要求添加到产品中,定制才是真正的个性化消费,更加贴合用户对产品的需求同时也能考验一个生产研发型公司的综合实力,让呆板的定制化产品赋予生命,更加适应市场的变化趋势,让定制经济开始进入市场经济,力争成为备受人们推崇的新经济模式。
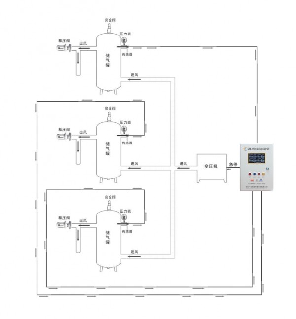
产品主要功能配置
1. 可同时监控2-8台空压机(或空压机集群定制)
2. 空压机断油或断水保护(专利技术放机油结焦、防机头抱死)
3. 空压机油位监测功能
4. 储气罐超温、超压保护
5. 油滤更换智能提醒功能
6. 电动机及主要轴承的温度和振动监测
7. 预留物联网接口,运行状态可实时上传到移动端及远程PC端查看,通过多级权限设定,可在权限范围内实现远程控制空压机启动和停止
8. 地面空压机集中远程监控及无人值守功能
9. 带上传接口,可作为前端采样设备接入无人值守系统,避免重复投资。
产品主要配置
1.保护功能完善、稳定可靠、触摸屏操作,简单方便,可广泛应用于煤矿空压机及非煤矿山压风自救系统空压机的安全保护。
2.采用先进的传感探测技术、工控技术、微电脑控制技术及高效网络传输技术综合研发而成,具有智能化程度高、可靠性高、工艺先进、维修维护超便捷等优良特性。
3.当在监测数据异常时,能够迅速进行保护动作,同时伴有声光报磐,提醒就地值班人员及时处理。
4.产品采用模块化设计,维修维护方便快捷。
5.预留扩展功能接口,可扩展更多监测传感器,支持功能定制。
免责声明:以上所展示的[ZBK380 电机监测保护装置(温度、振动)煤矿安全时刻保持警惕]信息由会员[郑州广众科技发展股份有限公司]自行提供,内容的真实性、准确性和合法性由发布会员负责。