提交询价信息
发布紧急求购
您好,欢迎来到给览网!手机版|本站服务|添加收藏|帮助中心
您所在的位置: 给览网 » 供应 » 工控仪表 » 压力仪表 » 压力变送器 » CYDK-III 防爆数显压力开关

CYDK-III 防爆数显压力开关

西安新敏传感有限公司
会员指数: 企业认证:

价格:电议

所在地:陕西 西安市

型号:CYDK-III

更新时间:2023-03-03

浏览次数:929

公司地址:西安市电子二路西京电气中心7楼

段香(女士)  

产品简介

防爆数显压力开关 CYDK-III是以高精度压力传感器作为检测元件,用CPU模块化信号处理技术,实现对介质压力信号的检测、显示和报警(开关量输出)。具有精度高、迟滞小、响应快、性能稳定可靠的特点。广泛应用于水文、电力、石油、化工、机械、液压等行业,对流体介质的压力进行现场测量、显示和控制。

公司简介

     段香  18066878912         西安新敏公司专业从事压力、液位、温度、流量、称重等传感器配套仪器仪表、测控系统的产品开发、生产、销售为一体的高新技术企业;
展开

产品说明

防爆数显压力开关CYDK-Ⅲ

一、产品介绍
防爆数显压力开关CYDK-III是以高精度压力传感器作为检测元件,用CPU模块化信号处理技术,实现对介质压力信号的检测、显示和报警(开关量输出)。具有精度高、迟滞小、响应快、性能稳定可靠的特点。

广泛应用于水文、电力、石油、化工、机械、液压等行业,防爆数显压力开关CYDK-Ⅲ对流体介质的压力进行现场测量、显示和控制。

二 、技术性能

三、产品特点

● 4位LED显示当前压力值,2只发光LED指示开关报警点

● 两路控制点继电器输出,一路模拟量输出(4~20mA)

● 开关量可在零点至满度之间任意设定

● 24VDC或220VAC供电可选

● 采用防爆外壳

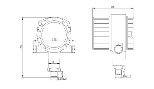
四、外型结构


五、产品选型

CYDK-III


防爆数显压力开关


G


表压


A


绝压


0~X (KPa或MPa)


量程


J03


±0.3%FS


J05


±0.5%FS


C1


4~20mA输出


C5


两组开关信号


C0


特殊


M1


M20×1.5 外螺纹


M2


G1/2   外螺纹


M0


特殊


V1


24VDC供电


V2


220VAC供电


F5

接线端子出线


F0

特殊



本页产品地址:http://www.geilan.com/sell/show-9144248.html
免责声明:以上所展示的[CYDK-III 防爆数显压力开关]信息由会员[西安新敏传感有限公司]自行提供,内容的真实性、准确性和合法性由发布会员负责。
[给览网]对此不承担任何责任。
友情提醒:为规避购买风险,建议您在购买相关产品前务必确认供应商资质及产品质量!

发布询价单

您最近浏览过的产品

没有合适的产品?是否在线询价?
询价标题
联系人
电话
主要内容
验证码