提交询价信息
发布紧急求购
您好,欢迎来到给览网!手机版|本站服务|添加收藏|帮助中心
您所在的位置: 给览网 » 供应 » 行业专用仪器 » 其他行业专用仪器 » 卧式角通除污器 宇成DN300卧式角通除污器 不锈钢滤网

卧式角通除污器 宇成DN300卧式角通除污器 不锈钢滤网

泰安市宇成矿用设备有限公司
会员指数: 企业认证:

价格:电议

所在地:山东 泰安市

型号:卧式角通除污器

更新时间:2021-07-07

浏览次数:1179

公司地址:山东省泰安市岱岳区粥店街道办事处旺普路15-4号

张经理(女士) 销售经理 

产品简介

角通除污器具有阻力小、重量轻、安装调试方便等特点,特别是排污方便、迅速,可不停机操作并可反向冲刷滤网,使之不堵塞,对连续运行的系统更为适用,广泛应用于工业及民用建筑采暖系统。宇成DN300卧式角通除污器 不锈钢滤网

公司简介

泰安市宇成矿用设备有限公司成立于2015年,坐落于泰山脚下的泰山青春创业开发区,紧邻京福、京沪高速公路及京沪高铁,交通便利,四通八达,汇聚了泰山美丽的自然风光及浓厚的齐鲁文化底蕴。公司是一家集设计、开发、生产和销售煤矿用大小型设备为主的现代化企业,主要产品有矿用风机、防爆电器、安防器材、轨道交通器材、提升运转、矿压机械、喷浆支护、泵类设备、凿岩设备等产品已应用于电力、化工、采暖、矿山、建材、隧道、冶金、轻工、石油、化肥等领域,先后在各大矿务局、公路桥梁、铁路等使用,并取得了一致好评。 泰安市宇成矿用设备有限公司坚持“以质为钢,以诚为本”的基本宗旨,“诚实守信,精益求精”作为我们的经营理念,愿同各行各业有志之士真诚合作,携手共进,共创辉煌明天。
展开

产品说明

宇成DN300卧式角通除污器 不锈钢滤网

DN300卧式角通除污器,角通除污器,卧式角通除污器,304不锈钢过滤网角通除污器

泰安宇成卧式角通除污器的作用是用来清chu和过滤管道中的杂质和污垢,保持系统内水质的洁净,减少阻力,保护设备和防止管道堵塞。各种规格尺寸均可以定做。DN300卧式角通除污器为你介绍。

一、DN300卧式角通除污器概述:

DN300卧式角通除污器,用来清chu、过滤管路中杂质和污物,以保证系统内水质清洁,减少阻力并防止堵塞管路。角通除污器具有阻力小、重量轻、安装调试方便等特点,特别是排污方便、迅速,可不停机操作并可反向冲刷滤网,使之不堵塞,对连续运行的系统更为适用,广泛应用于工业及民用建筑采暖系统。

二、DN300卧式角通除污器结构特征及工作原理:

除污器主要由滤网、阀门、筒体、排污装置组成。滤网和筒体材料根据用户需要可以使用碳钢或不锈钢制造;法兰材料为碳钢结构,表面光洁;阀门主要用于改变介质在除污器内的流动方向;整机密封材料由石棉板和橡胶密封,密封性能良好。宇成DN300卧式角通除污器 不锈钢滤网

当除污器工作时阀门处于开启状态,介质进入除污器经过出口;当除污器需排污时,阀门处于关闭状态,介质亦经滤网过滤通过阀板周边间隙改变流向,反向经滤网,开启排污阀,排除杂质,整个过程处于不停止运动。

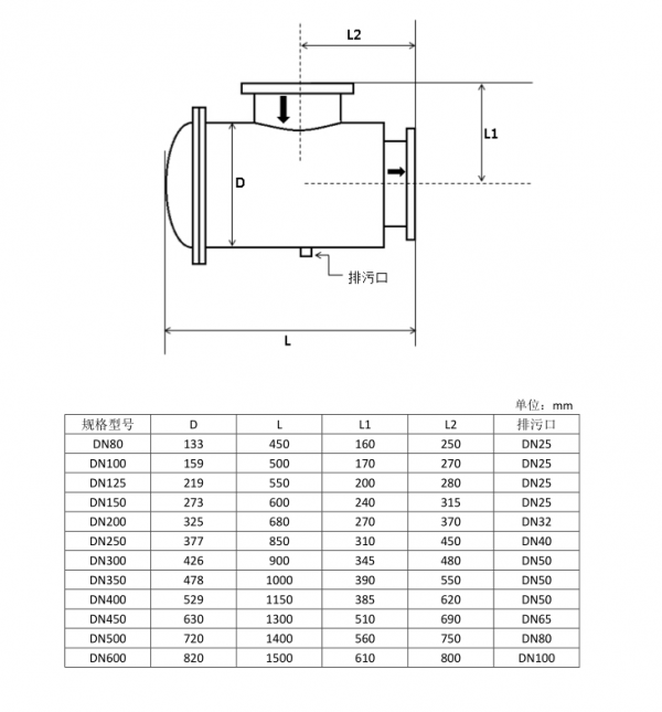
三、DN300卧式角通除污器结构尺寸表:

DN300卧式角通除污器功能特点技术性能:密封不泄漏;系统不停机,自动排污;过滤精度取决于过滤网的目数。来电采购提供管道大小,压力大小,过滤精度等信息,以便业务人员提供准确报价。宇成DN300卧式角通除污器 不锈钢滤网


本页产品地址:http://www.geilan.com/sell/show-9139399.html
免责声明:以上所展示的[卧式角通除污器 宇成DN300卧式角通除污器 不锈钢滤网]信息由会员[泰安市宇成矿用设备有限公司]自行提供,内容的真实性、准确性和合法性由发布会员负责。
[给览网]对此不承担任何责任。
友情提醒:为规避购买风险,建议您在购买相关产品前务必确认供应商资质及产品质量!

发布询价单

您最近浏览过的产品

没有合适的产品?是否在线询价?
询价标题
联系人
电话
主要内容
验证码