提交询价信息
发布紧急求购
您好,欢迎来到给览网!手机版|本站服务|添加收藏|帮助中心
您所在的位置: 给览网 » 供应 » 工控仪表 » 物位仪表 » 液位开关 » 2205678型 浮球液位开关-2205678型

2205678型 浮球液位开关-2205678型

技承仪表(上海)有限公司
会员指数: 企业认证:

价格:电议

所在地:上海

型号:2205678型

更新时间:2020-12-02

浏览次数:778

公司地址:上海市青浦工业园区新业路759弄6号厂房

小蔡(先生)  

产品简介

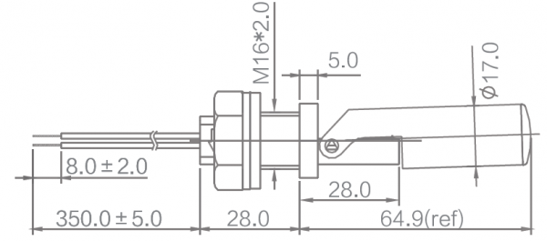
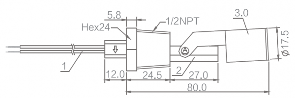
浮球液位开关-2205678型水平(侧装)外装式,塑胶外壳,外螺纹M16*2.0, 导线长度350mm.旋转180度即是常开与常闭切换水平(侧装)外装式,塑胶外壳,外螺纹NPT1/2, 导线长度350mm.旋转180度即是常开与常闭切换

公司简介

技承仪表(上海)有限公司创建于2005年,是一家致力于工业自动化仪表工程及过程控制的压力仪表,液位仪表,流量计与流量开关等产品研发和生产的高科技仪器仪表企业。05年建厂,近10年水质分析仪表,气象仪表,压力传感器,压力变送器,液位变送器,流量计等仪表外贸贴牌生产经验,大量进口配件现货库存,为广大客户提供优质的产品和服务。技承目前在上海有1处生产基地,国内大中城市设立6个办事处。
展开

产品说明

浮球液位开关-2205678型




型号

负载

水平(侧装)外装式,塑胶外壳,外螺纹M16*2.0, 导线长度350mm.旋转180度即是常开与常闭切换

2205-A01

DC 24V,1A

2205-A02

AC 220V,2.25A

 

 

 

 

型号

负载

水平(侧装)外装式,塑胶外壳,外螺纹NPT1/2, 导线长度350mm.旋转180度即是常开与常闭切换

2206-A02

DC 24V&AC 220V通用型,1A

 浮球液位开关-2205678型

 

 

 

 

型号

负载

水平(侧装)外装式,304不锈钢外壳,外螺纹NPT1/2,导线长度350mm.旋转180度即是常开与常闭切换。

2207-A01

DC 24V,1A

2207-A02

AC 220V,2.25A

 

 

 

 

 

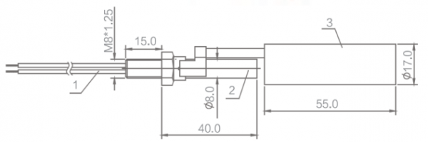
型号

负载

水平(侧装)外装式,304不锈钢外壳,外螺纹M8*1.25,导线长度350mm.旋转180度即是常开与常闭切换。

2205-A01

DC 24V,1A

2205-A01

AC 220V,2.25A

 

 

 

 

 

浮球液位开关-2205678型

技承仪表是主营压力仪表,液位仪表,流量计与流量开关等产品研发和生产的高科技仪器仪表企业。05年建厂,近10年水质分析仪表,气象仪表,压力传感器,压力变送器,液位变送器,流量计等仪表外贸贴牌生产经验,大量进口配件现货库存,为广大客户提供优质的产品和服务。
 
如果您有需求,请与我们接洽,我们将请我们的技术人员帮你解决问题。


本页产品地址:http://www.geilan.com/sell/show-9030095.html
免责声明:以上所展示的[2205678型 浮球液位开关-2205678型]信息由会员[技承仪表(上海)有限公司]自行提供,内容的真实性、准确性和合法性由发布会员负责。
[给览网]对此不承担任何责任。
友情提醒:为规避购买风险,建议您在购买相关产品前务必确认供应商资质及产品质量!

发布询价单

没有合适的产品?是否在线询价?
询价标题
联系人
电话
主要内容
验证码