产品简介
温度压力双侧变送器采用进口机芯,热电偶类型为:J、K、E型或PT100铂电阻,温度与压力一体化结构,同时测量同一点的介质压力与温度。适用于在测量的压力的同时要测量介质温度的场合。
公司简介
东莞市南力测控设备有限公司是集自主研发、生产、销售为一体的高新技术企业,公司本着科技立业、持续发展的原则,东莞市南力测控设备有限公司立足压力、测力传感器行业并不断向传感器领域的深度和广度进军,不断推出性价比高的中高端压力、测力传感器等。
目前公司拥有一支技术过硬、创新高效、经验丰富的研发团队,公司产品一经推入市场,即受到海内外客户的广泛认同。公司Nanli品牌,已成为品质稳定、性能优良、性价比高的象征。
产品涵盖了溅射薄膜压力传感器、工业压力传感器、熔体压力传感器、称重测力传感器、扭矩传感器、压力开关、公路便携式称重检测系统、温度传感器、仪器仪表、工业控制器。广泛应用于工业过程压力测量、医疗、化纤、石油、机械、能源、路政等领域。
公司目前拥有三条生产线、并配有多台数控加工设备、具备完整的制造加工能力,确保产品即时规模生产、交货准时。
公司下设经理办公室、行政管理部、技术研发中心、生产部、质检部、国内营销部、外贸部、客服中心八大部门,技术研发中心主要负责产品的创新改进、新产品的研发试验工作,生产部将严格按照技术研发中心的技术要求为您提供优质的产品。
南力测控本着为及时有效为用户提供优质产品的宗旨、并提供完善的服务。
展开
产品说明
温度压力双侧变送器采用进口机芯,热电偶类型为:J、K、E型或PT100铂电阻,温度与压力一体化结构,同时测量同一点的介质压力与温度。
适用于在测量的压力的同时要测量介质温度的场合。
温度压力双侧变送器技术参数
量 程: 0-1,5,10,20,30,40,50,50~100MPa
综合精度:0.2%FS、0.5%FS、1.0%FS ©
压力输出信号:4~20mA(二线制)、0~5V、1~5V、0~10V(三线制)
温度信号输出:J、K、E型热电偶或PT100铂电阻,数字温度信号DS18B20
供电电压:24VDC (9~36VDC)
介质温度:-20~85~350℃
环境温度:-20~85℃
负载电阻:电流输出型:zui大800Ω;电压输出型:大于50KΩ
缘电阻:大于2000MΩ/50VDC
密封等级:IP65
长期稳定性能:0.1%FS/年
振动影响:在机械振动频率20Hz~1000Hz内,输出变化小于0.1%FS
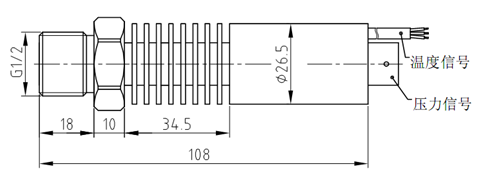
电气接口:四芯航空接插件,温度信号直接出线
机械连接:G1/2-14,M20×1.5等,其它螺纹可依据客户要求设计
温度压力双侧变送器外形尺寸
本页产品地址:http://www.geilan.com/sell/show-7470211.html

免责声明:以上所展示的[
PTS706 变送器]信息由会员[
东莞市南力测控设备科技有限公司]自行提供,内容的真实性、准确性和合法性由发布会员负责。
[给览网]对此不承担任何责任。
友情提醒:为规避购买风险,建议您在购买相关产品前务必确认供应商资质及产品质量!