产品简介
l89755o4245邝 株洲静态扭矩传感器特性与应用· 电阻应变为敏感元件和集成电路构成的一体产品,精度高,性能稳定可靠,中低量程扭矩测量,安装使用方便。· 静态扭矩测量。一端为外四方键连接,一端为法兰盘连接。 特性与应用· 电阻应变为敏感元件和集成电路构成的一体产品,精度高,性能稳定可靠,中低量程扭矩测量,安
公司简介
东莞市南力测控设备有限公司是集自主研发、生产、销售为一体的高新技术企业,公司本着科技立业、持续发展的原则,东莞市南力测控设备有限公司立足压力、测力传感器行业并不断向传感器领域的深度和广度进军,不断推出性价比高的中高端压力、测力传感器等。
目前公司拥有一支技术过硬、创新高效、经验丰富的研发团队,公司产品一经推入市场,即受到海内外客户的广泛认同。公司Nanli品牌,已成为品质稳定、性能优良、性价比高的象征。
产品涵盖了溅射薄膜压力传感器、工业压力传感器、熔体压力传感器、称重测力传感器、扭矩传感器、压力开关、公路便携式称重检测系统、温度传感器、仪器仪表、工业控制器。广泛应用于工业过程压力测量、医疗、化纤、石油、机械、能源、路政等领域。
公司目前拥有三条生产线、并配有多台数控加工设备、具备完整的制造加工能力,确保产品即时规模生产、交货准时。
公司下设经理办公室、行政管理部、技术研发中心、生产部、质检部、国内营销部、外贸部、客服中心八大部门,技术研发中心主要负责产品的创新改进、新产品的研发试验工作,生产部将严格按照技术研发中心的技术要求为您提供优质的产品。
南力测控本着为及时有效为用户提供优质产品的宗旨、并提供完善的服务。
展开
产品说明
株洲静态扭矩传感器 l89755o4245邝
特性与应用
· 电阻应变为敏感元件和集成电路构成的一体产
品,精度高,性能稳定可靠,中低量程扭矩测量,安装使用方便。
· 静态扭矩测量。一端为外四方键连接,一端为法兰盘连接。
特性与应用
· 电阻应变为敏感元件和集成电路构成的一体产
品,精度高,性能稳定可靠,中低量程扭矩测量,安装使用方便。
· 静态扭矩测量。一端为外四方键连接,一端为法兰盘连接。
特性与应用
· 电阻应变为敏感元件和集成电路构成的一体产
品,精度高,性能稳定可靠,中低量程扭矩测量,安装使用方便。
· 静态扭矩测量。一端为外四方键连接,一端为法兰盘连接。
株洲静态扭矩传感器技术参数
测量范围 :0~20,50,100,200,300,500Nm
输出灵敏度:1.0~2.0 mV/V
综合精度:±0.1; ±0.3; ±0.5%F.S(线性+重复性+滞后)
工作温度:-35~+80℃
温度补偿范围:20~+60℃
零点温度影响:±0.1%F.S/10 ℃
激励电压:12 VDC
响应频率:100μS
缘电阻:2000 MΩ/100VDC
输入电阻:700±10/350±10Ω
输出电阻:700±5/350±5Ω
零点输出:0~±1%F.S
安全过载:120%F.S
材质:合金钢
电气连接方式: 输入(电源+):1-红 输出信号+:2-黄
输出信号- : 3-白 输入(电源-):4-绿
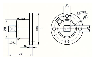
株洲静态扭矩传感器外形尺寸
本页产品地址:http://www.geilan.com/sell/show-7468294.html

免责声明:以上所展示的[
WTQ32 扭矩传感器]信息由会员[
东莞市南力测控设备科技有限公司]自行提供,内容的真实性、准确性和合法性由发布会员负责。
[给览网]对此不承担任何责任。
友情提醒:为规避购买风险,建议您在购买相关产品前务必确认供应商资质及产品质量!