提交询价信息
发布紧急求购
您好,欢迎来到给览网!手机版|本站服务|添加收藏|帮助中心
您所在的位置: 给览网 » 供应 » 工控仪表 » 压力仪表 » 气体压力表 » ITV2050-042L SMC比例阀工作原理,日本SMC代理

ITV2050-042L SMC比例阀工作原理,日本SMC代理

东莞宸越工业设备有限公司
会员指数: 企业认证:         

价格:电议

所在地:广东 东莞市

型号:ITV2050-042L

更新时间:2019-05-13

浏览次数:1147

公司地址:东莞市南城区莞太路12号中兴大厦510室

王荫(女士)  

产品简介

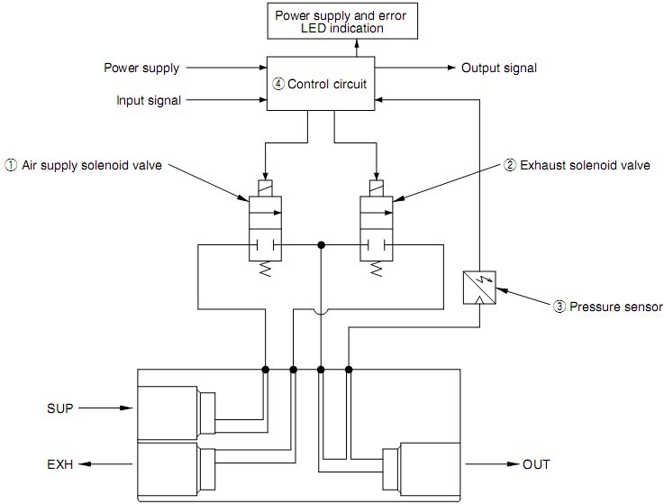
SMC比例阀工作原理,日本SMC代理SMC ITV2000/ITV3000系列电气比例阀控制框图SMC ITV2000/ITV3000系列电气比例阀动作原理图控制框图如上所示。输入信号增大,供气用电磁先导阀1换向,而排气先导阀7处于复位状态,则供气气压力从SUP口通过阀1进入先导室5,

公司简介

东莞宸越工业设备有限公司是日本SMC德国FESTO费斯托、德国宝德BURKERT、日本喜开理CKD、日本KOGANEI小金井一级代理商.
主营产品有日本SMC气缸,SMC薄型气缸,日本SMC电磁阀,德国FESTO电磁阀,德国FESTO气缸,德国BURKERT电磁阀,德国BURKERT角座阀,BURKERT流量计,BURKERT变送器等BURKERT产品.CKD电磁阀,CKD气缸,CKD气动元件.KOGANEI电磁阀,KOGANEI气缸,KOGANEI气动元件等.
欢迎各界朋友莅临东莞市宸越工业设备有限公司参观、指导和业务洽谈。

联系人:王荫
电  话:0769-33319812
Q  Q:2720653032
邮  箱:2720653032@qq.com
地址:东莞市南城区莞太路12号中兴大厦510室


展开

产品说明

SMC比例阀工作原理,日本SMC代理

SMC ITV2000/ITV3000系列电气比例阀控制框图
SMC ITV2000/ITV3000系列电气比例阀动作原理图控制框图如上所示。输入信号增大,供气用电磁先导阀1换向,而排气先导阀7处于复位状态,则供气气压力从SUP口通过阀1进入先导室5,先导室压力上升,气压力作用在膜片2的上方,则和膜片2相连的供气阀芯4便开启,排气阀芯3关闭,产生输出压力。此输出压力通过传感器6反馈至控制回路8.在这里,与目标值进行快速比较修正,直到输出压力与输入电信号成一定比例为止,从而得到输出压力与输入电信号的变化成比例变化。由于没有使用喷嘴挡板机构,故阀对杂志不敏感,可靠性高。

SMC比例阀结构原理
输入信号增大,供气用电磁阀先导阀1换向,而排气用电磁先导阀7处于复位状态,则供气压力从SUP口通过阀1进入先导室5,先导室压力上升,气压力作用在膜片2的上方,则和膜片2相连的供气阀芯4便开启,排气阀芯3关闭,产生输出压力。此输出压力通过压力传感器6反馈至控制回路
8。在这里,与目标值进行快速比较修正,知道输出压力与输入信号成一定比例为止,从而得到输出压力与输入信号的变化成比例的变化。由于没有喷嘴挡板机构,故阀对杂质不敏感,可靠性高。
SMC比例阀工作原理,日本SMC代理
ITV2050-042L
ITV2050-042S
ITV2050-043CL2
ITV2050043CS425
ITV2050-043L
ITV2050-043S
ITV2050-04F3B
ITV2050-04F3N
ITV2050-04F3N3
ITV2050-04N2CL4
ITV205004N3L469
ITV2050-112L
ITV2050-112S
ITV2050-112S3
ITV2050-113S
ITV2050-11F3N-Q
ITV2050-122L
ITV2050122L2167
ITV2050-143L
ITV2050-143S
ITV2050-202S
ITV2050-212L
ITV2050-212LX26
ITV2050-212N
ITV2050-212S
ITV2050-213L
ITV2050-213S
ITV205021F2BN3Q
SMC比例阀工作原理,日本SMC代理
ITV2050-21T2S4
ITV2050-222S
ITV2050-232L2
ITV2050-232S
ITV2050-243L
ITV2050-302L
ITV2050-312BL3
ITV2050-312CS
ITV2050-312L
ITV2050-312L2
ITV2050-312L3
ITV2050-312L3-Q
ITV2050-312L4
ITV2050-312LX88
ITV2050-312N
ITV2050312NX153
ITV2050-312NX26
ITV2050-312S
ITV2050-312S2
ITV2050-312S3
ITV2050-313L
ITV2050-313L3
ITV2050-313S
ITV2050-313S2
ITV2050-313S3
ITV205031F2BN31
ITV205031F2BN38
ITV205031F2CN3Q
SMC比例阀工作原理,日本SMC代理
顾诚说过:“黑夜给了我黑色的眼睛就是为了让我寻找光明”公司给了您这边采购的权利,您这边寻找的不就是我们这边的气动品牌元件
,我们专业销售日本SMC,德国FESTO,德国BURKERT,日本CKD,美国ASCO等等气动元件产品,全新原装进口,价格好,货期有!:
萧小姐,:0!

本页产品地址:http://www.geilan.com/sell/show-6969220.html
免责声明:以上所展示的[ITV2050-042L SMC比例阀工作原理,日本SMC代理]信息由会员[东莞宸越工业设备有限公司]自行提供,内容的真实性、准确性和合法性由发布会员负责。
[给览网]对此不承担任何责任。
友情提醒:为规避购买风险,建议您在购买相关产品前务必确认供应商资质及产品质量!

发布询价单

没有合适的产品?是否在线询价?
询价标题
联系人
电话
主要内容
验证码