产品简介
100NYL立式泥浆泵其主机部分是采用铸钢而成,具有体积小、重量轻、泵效高、噪音低、振动小、安装简便、外形美观等优点。因其轴承及轴封均采用了高耐磨的硬质合金材质,所以更具有寿命长、维修少的特点,是九十年代节能型新产品。
公司简介
山西临龙泵业有限公司地处三晋大地的尧都古城——临汾市。
公司始建于一九五八年,是我市机械装备制造业的骨干企业,公司从研制、生产、销售、售后服务为一体,现生产离心式液下泥砂泵的杂质泵类、立式冷热离心泵的清水泵类、排污泵的污水循环泵类、耐腐蚀化工泵类,四大系列及铆焊制作相配套的浮体(浮漂)式采砂设备、水-水(气)热交换设备、无塔供水设备、制砂成套设备,数十个品种上百种规格。其中NYL和ZDL系列离心式液下泥砂泵和杂质泵采用高铬合金材质打造,是传统立式泥浆泵、污水泵的上游产品。该产品结构新颖、密封、过流零部件使用寿命长。出水口径从2英寸到8英寸;功率从1.5kw到55kw。可抽取直径为30毫米以下的固体颗粒。产品由电机或柴油机驱动,操作简便,高效节能。广泛应用于,河沙开采,采矿排尾、金矿排沙、港湾
排沙,建筑打桩,大中小型水利工程,市政输水工程的清淤 ,疏通航道,洗煤厂、焦化厂、化工厂、造纸厂、采石场等;农业方面主要应用在江河湖泊的筑坝淤背、鱼塘开挖及打井洗井。是在水灾自救的排水、淤泥介质物处理上的必配设备。
公司注册的“临龙”牌商标被认定为山西省著名商标,并被评为山西省用户满意产品和山西省优质产品。二00三年通过了ISO9001.2000质量体系认证。二零零八年元月被临汾市科技局评定为“科技创新企业”,同年三月经山西省质量技术监督局评定为山西省质量信誉AA级企业。
展开
产品说明
100NYL立式泥浆泵特点:
该100NYL立式泥浆泵其主机部分是采用铸钢而成,具有体积小、重量轻、泵效高、噪音低、振动小、安装简便、外形美观等优点。因其轴承及轴封均采用了高耐磨的硬质合金材质,所以更具有寿命长、维修少的特点,是九十年代节能型新产品。
100NYL立式泥浆泵
1. 整机为干式下泵型,电机采用油室密封方式,内设机械密封,能有效防止高压水和杂质进入电机内腔。
2. 除主叶轮外,还有搅拌叶轮,能将沉淀于水底的淤渣搅拌成湍流后抽取出来。
3. 叶轮和搅拌叶轮等过流部件采用高硬度的高鉻铸钢制造,耐磨、耐腐、排污能力强,能通过较大的固体颗粒。
4. 电机潜入水下,不受吸程限制,吸渣率高,清淤更彻底。
5. 整体设备简化,不许配备辅助搅拌装置或喷射装置,操作简便,机组总投资降低。
6. 搅拌叶轮直接接近沉积面,通过下潜深度控制浓度。在介质比重大的情况下可以通过加装辅助装置,增加介质浓度
100NYL立式泥浆泵产品参数:
| 4寸泥浆泵 |
|
| 型号 |
100NPL120-16 |
| 流量(m³/h) |
120 |
| 扬程(m) |
16 |
| 转速(r/min) |
1450 |
| 效率(%) |
55 |
| 电机功率(KW) |
15 |
| 叶轮直径(mm) |
251 |
| 泵杆长度(mm) |
1100 |
| 售后服务 |
临龙原装,联保。 |
|
冯阳辉(经理) |
| : |
/ |
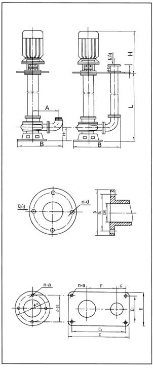
100NYL立式泥浆泵结构图:

100NYL立式泥浆泵实拍图:

本页产品地址:http://www.geilan.com/sell/show-6429726.html