| 提交询价信息 |
| 发布紧急求购 |
价格:电议
所在地:河南 郑州市
型号:3051F1-S卫生型
更新时间:2019-03-04
浏览次数:828
公司地址:全国
![]()
秦静(女士)
公司创建于1995年,自有10000m2厂房,拥有200多名员工,本着“以市场为导向,以科技创新为核心竞争力,致力于民族测控技术的发展”的发展战略,紧跟国际先进技术、立足自主创新与国内生产配套,目前已和英国ABB、美国KURZ、美国A+K、德国宝曼四个进口一线品牌厂家形成战略渠道合作。同时代理销售艾默生、西门子、Honeywell、VEGA等众多国际一线品牌产品。为用户提供仪表成套、PLC控制系统、DCS控制系统等工厂自动化解决方案,产品涉及工业自动化软件、温度、压力、流量、物位、阀门执行机构、分析仪器等。应用面覆盖了电力、冶金、化工、建材、食品、环保等大部分工业领域。
公司拥有强大的技术体系和严谨的质量管控体系,通过ISO9000/14000/18000等管理体系认证。拥有全国自动化行业少有的销售服务平台,在全国拥有100多个办事处与技术服务网点,销售服务网络覆盖全国各地工厂企业。
公司将始终秉持集百家之特长的信念、以优质的产品、精品的工程、周到的服务让客户满意。
“诚信、务实、和谐、创新”是百特的企业精神。
“以市场为导向,以科技创新为核心竞争力,致力于民族测控技术的发展。”是百特的经营理念。
“关注客户期望、帮助客户成功”是百特人的服务理念。
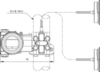
HR-3051F1-S卫生型差压变送器用于测量液体、气体或蒸汽的液位、密度、压力,然后将其转变成4~20mADC HART电流 信号输出。
HR-3051F1-S也可与RST375手持终端或RSM100 Modem 相互通信,通过它们进行参数设定、过程监控等。

标准规格
(以标准零点为基准调校量程,不锈钢 316L膜片,填充液为硅油)
调量程的参考精度
(包括从零点开始的线性、回差和重复性)
HR-3051F1-SA:±0.05%
HR-3051F1-SB:±0.075%
HR-3051F1-SC:±0.1%
若TD>10 (TD=zui大量程/调节量程),则为:
HR-3051F1-SA:±(0.0075×TD)%
HR-3051F1-SB:±(0.0075×TD)%
HR-3051F1-SC:±(0.01×TD)%
环境温度影响
-20℃~65℃时总影响量为:
±(0.3×TD+0.1)%×Span
-40℃~-20℃和65℃~85℃时总影响量为:
±(0.3×TD+0.1)%×Span
过范围影响:±0.075%×Span
稳定性:±0.1%×Span /3 年
电源影响
±0.001% /10V(12~42V DC),可忽略不计
零点设置
零点和量程可以调节到表中测量范围内的任何值,只要:标定量程≥zui小量程
安装位置影响
变送器本体可直接固定于任何位置。使过程法兰轴处于垂直状态,位置偏差将产生可校正的零位偏移。电子表壳zui大可旋转360°,定位螺钉可将其固定于任何位置。
毛细管部件和法兰应仅可能安装在相同的环境温度中。毛细管的zui小弯曲半径为75mm,严禁缠绕!
输出
2线制,4~20mADC HART输出,数字通讯,可选择线性或平方根输出,HART协议加载在4~20mADC信号上。
输出信号限:
Imin=3.9mA,Imax=20.5mA
报警电流
低报模式(zui小):3.7mA
高报模式(zui大):21 mA
不报模式(保持):保持故障前的有效电流值
报警电流标准设置:高报模式
响应时间
放大器部件阻尼常数为0.1s;传感器和远传法兰时间常数为0.2~6s,取决于传感器的量程、量程比,毛细管的长度,以及充灌液的粘度。附加的可调时间常数为:0.1~60s。
预热时间:< 15s
环境温度:-40~85℃
带液晶显示、氟橡胶密封圈时-20~65℃
储存温度/运输温度:-50~85℃
带液晶显示时:-40~85℃
介质温度:-30~250℃
压力限:从3.5kPa压力至额定压力。
单向过载限
低压侧为变送器本体额定压力,高压侧为远传法兰额定压力,可能出现可修正的零点漂移。
防爆性能
NEPSI隔爆许可:Ex dⅡC T6
NEPSI本安许可:Ex iaⅡC T4
允许使用温度为:-40℃~65℃
电源及负载条件
电源电压为24V
R≤(Us-12V)/Imax kΩ
其中 Imax=23 mA
zui大电源电压:42VDC
zui小电源电压:12VDC,15VDC(背光液晶显示)
数字通讯负载范围: 250~600Ω
电气连接
M201.5电缆密封扣,接线端子适用于0.5~2.5mm2的导线。
过程连接
标准过程连接:DN25/DN40/DN50/DN76.1卫生型接口。
材质
膜片: 不锈钢 316L、哈氏合金C
过程连接:不锈钢 316
填充液: 硅油、植物油
变送器外壳:铝合金材质,外表喷涂环氧树脂
外壳密封圈:丁腈橡胶(NBR)
铭牌:不锈钢 304
重量:约10~16.5kg
外壳防护等级:IP67
免责声明:以上所展示的[3051F1-S卫生型 差压变送器]信息由会员[百特(福建)智能装备科技有限公司]自行提供,内容的真实性、准确性和合法性由发布会员负责。