| 提交询价信息 |
| 发布紧急求购 |
价格:电议
所在地:天津
型号:
更新时间:2019-06-06
浏览次数:2023
公司地址:天津市北辰区京津公路东侧
![]()
张娜(女士) 销售主管
智能气体腰轮流量计是集流量、温度、压力检测功能于一体,并能进行温度、压力自动 补偿的新一代流量计,气体是一种可压缩流体,其体积值与温度和压力密切相关,为了贸易 双方统一标准,必需将实际体积转换成基准条件下的标准体积 (101.325 kPa 20 ℃)。为了 实现这一目的,智能气体腰轮流量计,能对气体的体积进行修正。是石油、化工、电力、 冶金等行业用于气体计量的理想仪表。
l 集、温度、压力、流量传感器和智能体积修正于一体,可检测被测气体的温度、压力和流量 , 并进行流量自动跟踪补偿和压缩因子修正运算。
l 采用的微机技术与高性能的集成芯片,整机功能强大,性能优越。
l 压力传感器、温度传感器、流量传感器全部内置,使结构更加紧凑。
l 采用的微功耗高新技术,整机功耗低,即能凭内置电池长期供电运行,又可由外电源供电运行 。
l 按流量频率信号,可将仪表系数分段自动进行线性修正,从而提高了仪表的使用精度 。
l 具有故障自诊断和报警功能,可靠度高,采用 LCD 显示,清晰直观,读数方便。
l 流量计带有脉冲信号输出,也可根据用户需要输出 4 ~20mA 标准模拟信号。
l 仪表自带实时数据库,通过 RS -485 通讯接口和本厂的专用 MODEM 配套,可组成抄表网络,便于 数据的集中采集和实时管理。
l 采用的微功耗技术,整机功耗低,使用内置电池可运行五年以上。
l 就地显示流量值,并带多种信号输出功能可满足不同现场及系统的需求。
l 采用高对比度的三行液晶显示器,可显示日期、标准累积流量、标准瞬时流量、介质温度、压力值和 电池电压。
l 具有实时数据存储功能,可防止更换电池或突然断电时数据丢失,在停电状态下,内部参数可性 保存。

2.2 智能气体腰轮流量计的工作原理(见图 2 )
轭转子在流通气体的出入口压差( P 入>P 出)作用下,通过加工的调校齿轮使转子保持正确的相对位 置。转子间、转子与壳体、转子与墙板间保持工作间隙,实现了连续的无接触密封。转子每转动一周, 则输出四倍计量室有效容积的气体,转子的转数通过磁性密封联轴装置及减速机构 ,传递到智能流量积算 仪,从而显示输出气体的累计体积量。其计量过程和工作原理如图 2 所示(图中仅表示了四分之一周期)。

3.1 流量计规格、基本参数和性能指标(见表 1)
|
型规格号
|
公称通径
DN(mm )
|
流量上限
m 3/h
|
始动流量
m 3/h
|
QMAX时压力损失pa
|
公称压力MPa
|
度%
|
范围度
|
材质
|
|
LLQ-20
|
25
|
20
|
0.06
|
100
|
1.0
|
1.0
1.5
|
20:1
|
铝合金
|
|
LLQ-30
|
40
|
30
|
0.06
|
100
|
30 :1
|
|||
|
LLQ-40
|
40
|
40
|
0.06
|
1 40
|
40:1
|
|||
|
LLQ-60
|
50
|
6 0
|
0.07
|
100
|
60 :1
|
|||
|
LLQ-85
|
50
|
85
|
0.07
|
1 40
|
70 :1
|
|||
|
LLQ-100
|
80
|
100
|
0.07
|
1 10
|
70 :1
|
|||
|
LLQ-140
|
80
|
1 4 0
|
0.07
|
150
|
120:1
|
|||
|
LLQ-200
|
80
|
200
|
0.1
|
180
|
100:1
|
|||
|
LLQ-250
|
100
|
2 5 0
|
0.12
|
180
|
110:1
|
|||
|
LLQ-300
|
100
|
300
|
0.15
|
130
|
110 :1
|
|||
|
LLQ-450
|
100
|
450
|
0.15
|
200
|
11 0 :1
|
|||
|
LLQ-650
|
150
|
650
|
0.6
|
35 0
|
80 :1
|
铝
|
||
|
LLQ-1000
|
150
|
1000
|
1
|
450
|
80:1
|
铝
|
||
|
LLQ-1600
|
200
|
1600
|
1.2
|
50 0
|
80 :1
|
铝
|
3.2 标准状态条件:P=101.325 kPa T= 293.15K
a. 内电源:1 节 3VDC 锂电池,电池电压在 2.0V~3.0V 时均可正常工作。
b. 外电源:±24VDC±15%,纹波≤±5% ,适用于 4~20mA 输出,脉冲输出,RS-485 等。
c. 定标脉冲信号,输出幅度 0 ~3V ,输出脉冲宽度 500ms。该脉冲主要用于城市燃气计量的 IC 卡
3.4.5 RS485 通信(采用光电隔离 RS485 通信模块)
本积算仪通过内装的 RS485 标准接口能与个人计算机和 PLC 等主机连接,进行串行通信。可显示介 质压力、温度、瞬时流量、累计标准流量、电池电压。
P -- 当时管道中气体的实际压力,若计量过程中压力有波动,则为管道中气体实际平均压力(Pa )
P= P工 +B
T -- 当时管道中气体的实际温度( K )若计量过程中温度有波动,则为管道中气体实际
|
Q
|
= Q ⋅
|
P0
|
⋅
|
T
|
= 9500× |
101.325
|
×
|
273. 15 + 40 |
= 933. 7 m 3 / h
|
||
|
101. 3 + 1000
|
|||||||||||
|
max
|
0
|
P T
|
293. 15
|
||||||||
|
0
|
|||||||||||
|
Q min
|
= 4000× |
101.325
|
×
|
273.15 + ( − 10) |
= 227.2 m 3 / h
|
|
|
101.3 + 1500
|
293.15
|
|||||
![]()
![]()
|
型号规格
|
公称通径 DN
|
进出口
方向
|
A
(mm)
|
B
(mm)
|
C
(mm)
|
W
(mm)
|
H
(mm)
|
结构
形式
|
重量
(kg)
|
法 兰
|
|
|
C1
|
n-d
|
||||||||||
|
LLQ-20
|
25
|
上进下出
|
409
|
135
|
107
|
135
|
144
|
Ⅰ、Ⅱ
|
9
|
φ75
|
4-M10
|
|
LLQ-30
|
40
|
上进下出
|
433
|
135
|
119
|
135
|
144
|
Ⅰ、Ⅱ
|
11
|
φ90
|
4-M12
|
|
LLQ-40
|
40
|
上进下出
|
463
|
135
|
134
|
135
|
144
|
Ⅰ、Ⅱ
|
13
|
φ100
|
4-M12
|
|
LLQ-60
|
50
|
上进下出
|
470
|
180
|
137.5
|
180
|
172
|
Ⅰ、Ⅱ
|
15
|
φ125
|
4-M12
|
|
LLQ-85
|
50
|
上进下出
|
507
|
180
|
156
|
180
|
172
|
Ⅰ、Ⅱ
|
16.5
|
φ125
|
4-M12
|
|
LLQ-100
|
80
|
上进下出
|
539
|
180
|
172
|
180
|
172
|
Ⅰ、Ⅱ
|
18
|
φ160
|
8-M16
|
|
LLQ-140
|
80
|
上进下出
|
575
|
180
|
190
|
180
|
172
|
Ⅰ、Ⅱ
|
20
|
φ160
|
8-M16
|
|
LLQ-200
|
80
|
上进下出
|
569
|
210
|
187
|
210
|
245
|
Ⅰ、Ⅱ
|
24
|
φ160
|
8-M16
|
|
LLQ-250
|
100
|
上进下出
|
647
|
210
|
226
|
210
|
245
|
Ⅰ、Ⅱ
|
30
|
φ180
|
8-M16
|
|
LLQ-300
|
100
|
上进下出
|
647
|
210
|
226
|
210
|
245
|
Ⅰ、Ⅱ
|
30
|
φ180
|
8-M16
|
|
LLQ-450
|
100
|
上进下出
|
743
|
210
|
274
|
210
|
245
|
Ⅰ、Ⅱ
|
36.5
|
φ180
|
8-M16
|
|
LLQ-650
|
150
|
上进下出
|
745
|
φ285
|
275
|
370
|
380
|
Ⅰ、Ⅱ
|
92.5
|
φ240
|
8-M16
|
|
LLQ-1000
|
150
|
上进下出
|
779
|
φ285
|
292
|
460
|
490
|
Ⅰ、Ⅱ
|
111
|
φ240
|
8-M16
|
|
LLQ-1600
|
200
|
上进下出
|
875
|
φ340
|
340
|
460
|
510
|
Ⅰ、Ⅱ
|
125
|
φ295
|
8-M20
|
c. 安装流量计前应将进出口封装物去掉,必须防止颗粒状杂质掉入计量室内,如计量室表面涂有防锈 油,可用汽油或煤油冲洗干净,并严格清除管道内杂质。流量计上游应安装过滤器或过滤网,以防止 锈渣、焊渣及其它杂质进入计量室。 d. 流量计安装时,无论进出口为垂直或水平位置,都应尽量保持转子轴线水平。 e. 当气体压力波动范围较大时,为保证计量精度,流量计上游应安装调压器。 f. 为防止新安装管道中的锈渣、焊渣及其它杂质进入流量计内,用户应先将过渡管安装在流量计的安装位置上,通气一段时间,确保无大颗粒杂质后,再换上流量计。安装流量计时,应确保流量计中心 与管线中心对齐,无错位、并使流量计不受外力影响(包括轴向与径向)。如管道配焊,应安过度管, 不可直接与流量计焊接。
建议垂直安装流量计,气体流向为上进下出,在特殊情况下可采取下进上出或左进右出,但订 货时需特殊说明,流量计出厂时标准产品为上进下出。安装流量计时应设置前后阀门和旁通管路 ,以 保证维修保养时,不必停气。图 4 、图5、图6 分别为 A、B 、C(进出口方位分别为上进下出、下进上 出、左进右出)三种流量计安装管路典型系统图,以供用户参考。

4.6 流量计安装完毕后,从注油口中注入润滑油(GB486~65 高速机油 H5 )至油窗中线(注意不能多加),
4.6.2 流量计投入运行一段时间后,如发现过滤器压降增大,应清洗过滤器或更换过滤网;如发现流量计 压降增大,起步流量升高时,可用干净汽油或煤油冲洗计量室。
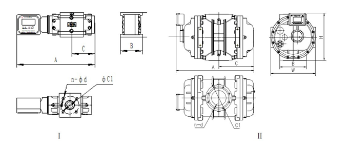
4.6.5 流量计安装连接尺寸,见表 3 及图 4 ,法兰按 GB/T9119-2000 标准。

五、型号代码

例如:LLQ-1410(80)-DA-5-I3-S;代表公称压力 1.0MPa,工况流量 140 m3 /h,温压自动补偿,使用压力 0.5MPa,带工况脉冲输出,带标况脉冲信号输出,带 IC 卡脉冲输出,带 RS485 通讯接口,机械表头加智能表头型 气体腰轮流量计。
免责声明:以上所展示的[ LLQ智能气体腰轮(罗茨)流量计]信息由会员[天津艾伦特科技发展有限公司]自行提供,内容的真实性、准确性和合法性由发布会员负责。