产品简介
1) 交流输入电压范围 90-264Vac 50/60Hz 2) 直流输出 5V/1.0A 3) 满足能源之星2.0和5级能效的要求并有足够的余量(板端数据)
公司简介
深圳市鹏锦科技有限公司是通过合资、合作等方式,从事产品开发、生产、加工、国内国际贸易业务.公司主营四维形变监测系统、大地测量仪器、管线探测仪器、管道工具、水文产品、气象产品、无人机、车载惯导系统、激光仪器、精密工具等仪器仪表;代理分销FMD IC、QX IC 、CHIP ON 单片机、三星IC、MHCHXM肖特基二几极管等电子元器件;开发生产销售PJK牌思维形变监测系统、大地测量仪器、求积仪、移动电源、无叶风扇、LED灯、按摩器等多元化经营的公司。公司坚持以"客户至上,信誉第一"为企业宗旨,以"团结、守信、高效"为企业精神,以忠诚及专业的服务原则履行职责,为客户提供日臻完美的服务。
国内贸易
一、仪器仪表
· PJK牌维形变监测系统:静力水准仪、倾角仪、水平位移仪
· PJK牌大地测量仪器:水准仪、经纬仪、全站仪、RTK GPS、GIS 产品、手持式GPS、回弹仪、激光仪器、测亩仪、轮尺、钢卷尺、玻璃纤维卷尺及其配件等。开发生产PJK牌轮尺、钢卷尺、玻璃纤维卷尺、测绳系列产品。
² 求积仪 PJ-90N、KP-90N 、KP-21C等
² 地图量距笔:CV-10、CV-10RCV,CV-98USB, CV-5等
· ASAHI碳黑吸油值分析仪S500、碳黑颗粒硬度测试仪:AS2000中国区总代
· 阿什泰克产品一级代理:MM10、MM100/MM120、PM100/PM120、PM200/PM220、PM700、PM800……开发生产充电器模块及充电器成品。
- 美国RIDGID(里奇)管线探测仪管道工具一级代理:SR-20、SR-60......
· 美国ECS浪涌保护器一级代理
· 美国DAVIS气象产品一级代理:
· 麦哲伦海王星、 探险家系列手持机一级代理:110、310、510、610、710、PRO 10
· 特价经销无人机:EBEE、X100、UX5等
· 特价经销车载惯导系统::图行、图层、图网
· 特价经销天宝R4、R5、R6、R7、R8 、R10GPS; S8、S6、S3、M3全站仪;DINI03电子水准仪等
· 特价经销徕卡(LAIKA)、天宝(Trimble)、光谱、拓普康(TOPCON)、索佳(SOKKIA)、尼康(NIKON)、宾得(PENTAX)、等测量仪器
· 特价经销:瑞得、南方、科力达、三鼎、北光、欧波、常州大地、苏一光、中海达、华测、合众思壮、苍穹等国产测量仪器
· 特价经销水文产品
- 芬兰Meditate测深仪广东省一级代理:MD300、MD500、MD DSS
- FLOWQUEST海流剖面仪广东省一级代理:300、600、1000
· 特价供应PJK牌激光测距仪
· 特价供应精密工具
展开
产品说明
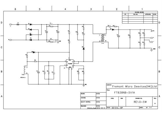
基于FT838NB的5V1A USB 充电器设计方案

1) 交流输入电压范围 90-264Vac 50/60Hz
2) 直流输出 5V/1.0A
3) 满足能源之星2.0和5级能效的要求并有足够的余量(板端数据)
(实测平均效率在PCB 板端73.5%以上,能源之星2.0 标准是68.17%)
4) 满足空载功耗小于100mW (实测70mW@230Vac)
5) 满足EMI EN55022 Class B级的要求,并有足够的余量
6) zui大的输出纹波小于100mVP-P
7) 系统批量生产保证输出电压精度在±5%以内,输出电流精度在±5% 以内
8) 自恢复的短路保护和环路开路保护



本页产品地址:http://www.geilan.com/sell/show-5475624.html