|
智能型雷达物位计测量原理
发射能量很低的极短的微波脉冲通过天线系统发射并接收。雷达波以光速运行。运行时间可以通过电子部件被转换成物位信号。一种特殊的时间延伸方法可以确保极短时间内稳定和精确的测量。即使工况比较复杂的情况下,存在虚假回波,用新的微处理技术和调试软件也可以准确的分析出物位的回波。

输入
天线接收反射的微波脉冲并将其传输给电子线路,微处理器对此信号进行处理,识别出微脉冲在物料表面所产生的回波。正确的回波信号识别由智能软件完成,精度可达到毫米级。距离物料表面的距离D与脉冲的时间行程T成正比:
D=C×T/2
其中C为光速
因空罐的距离E已知,则物位L为:
L=E-D
输出
通过输入空罐高度E(=零点),满罐高度F(=满量程)及一些应用参数来设定,应用参数将自动使仪表适应测量环境。对应于4-20mA输出。
应用介质:
YYD800系列智能型雷达物位计适用于对液体、浆料及颗粒料的物位进行非接触式连续测量,适用于温度、压力变化大;有惰性气体及挥发存在的场合。采用微波脉冲的测量方法,并可在工业频率波段范围内正常工作。波束能量较低,可安装于各种金属、非金属容器或管道内,对人体及环境均无伤害。
产品简介:
|
YYD800系列智能型雷达物位计
|

|

|

|
|
类 别
|
YYD801
|
YYD802
|
YYD803
|
|
应 用
|
过程条件简单,腐蚀性的液体、浆料、固体
比如:
水液储罐
酸碱储罐
浆料储罐
固体颗粒
小型储油罐
|
存储或过程容器腐蚀性的液体、浆料、固体
比如:
水液储罐
酸碱储罐
浆料储罐
固体颗粒
小型储油罐
|
适应各种存储容器或过程计量环境,液体、浆料、固体
比如:
原油、轻油储罐
原煤、粉煤仓位
挥发性液体储罐
焦碳料位
浆料储罐
固体颗粒
|
|
测 量 范 围
|
20米
|
20米
|
35米
|
|
过 程 连 接
|
螺纹
|
法兰
|
法兰
|
|
过 程 温 度
|
-40-130℃
|
-40-150℃
|
-40-250℃
|
|
过 程 压 力
|
-1.0-3bar
|
-1.0-20bar
|
-1.0-40bar
|
|
重 复 性
|
± 3mm
|
± 3mm
|
± 3mm
|
|
精 度
|
< 0.1%
|
< 0.1%
|
< 0.1%
|
|
频 率 范 围
|
6.8GHz
|
6.8GHz
|
6.8GHz
|
|
防爆/防护等级
|
EXiaIICT6/IP68
|
EXiaIICT6/IP68
|
EXiaIICT6/IP68
|
|
信 号 输 出
|
4-20mA/HART(两线)
|
4-20mA/HART(两线)
|
4-20mA/HART(两线)
|
安装指南
安装说明
- 推荐距离(1)墙至安装短管的外壁:
- 离罐壁为罐直径1/6处,zui小距离为200mm。
- 不能安装在入料口的上方(4)。
- 不能安装在中心位置(3),如果安装在中央,会产生多重虚假回波,干扰回波会导致信号丢失。
- 如果不能保持仪表与罐壁的距离,罐壁上的介质会黏附造成虚假回波,在调试仪表的时候应该进行虚假回波存储。
|

|
|
|
|
|
罐内安装
- 在信号波束内,应避免有如下安装物(1):例如限位开关,温度传感器等。
- 对称装置(2),如真空环,加热线圈,挡板等等。
- 如果罐内有(1)(2)干涉物件,应采用导波管进行测量。
安装选择
- 天线尺寸:天线越大,波束角越小,干扰回波将越弱。
- 天线调整:将天线调整到测量位置。
- 导波管:导波管用来避免干扰回波。
|

|
|
罐内安装(YYD801、YYD802)
标准安装
- 雷达天线不可向罐壁倾斜。
- 为了使温度影响zui小化,在对接法兰的连接处必须使用弹簧垫圈。
- 杆式天线必须伸出安装短管。
- 垂直放置杆式天线,不要让雷达束指向罐壁。
|

|
|
|
|
|
罐内安装(YYD803)
标准安装
- 雷达天线不可向罐壁倾斜。
- 喇叭天线必须延伸出安装短管,否则应使用天线延伸管。
- 喇叭天线必须调整至垂直,不要让雷达束指向罐壁。
|

|
|
安装短管较长时使用天线延伸管
- 当喇叭长度小于安装短管长度时,应使用天线延伸管。
- 如果喇叭直径大于安装短管的直径,包括延伸管在内的天线需要从容器里面安装,并将仪表抬高。选择延伸管使仪表至少抬高100mm。
|

|
|
导波管内安装
- 雷达传感器通过导波管或旁通管进行测量,测量管起到导波作用。下面是一个测量管(导波管的构造图)
- 测量管内壁必须平滑,如果可能的话测量管的内径需要与喇叭口的直径相符,请使用纵伸焊接的不锈钢管。可以通过预先焊接的法兰盘或焊接头延长测量管。
必须注意:
- 焊接时,不能产生凸点或凸缘。将法兰和测量管对齐固定,然后焊接。焊接不要穿透测量管管壁,管内壁必须保持平滑,一定要小心的除去焊缝和不平滑的地方,否则会造成很强的虚假回波。
|

|
测量条件
注意事项
- 测量范围从波束触及罐低的那一点开始计算,但在特殊情况下,若罐低为凹型或锥形,当物位低于此点时无法进行测量。
- 若介质为低介电常数当其处于低液位时,罐低可见,此时为保证测量精度,建议将零点定在低高度为C 的位置。
- 理论上测量达到天线尖端的位置是可能的,但是考虑到腐蚀及粘附的影响,测量范围的终值应距离天线的尖端至少100mm。
- 对于过溢保护,可定义一段安全距离附加在盲区上。
- zui小测量范围与天线有关。
- 随浓度不同,泡沫既可以吸收微波,又可以将其反射,但在一定的条件下是可以进行测量的。

测量范围超出的动作
当测量范围超出时,仪表输出为22mA电流。
接线方式

调试
YYD800可以通过三种方式调试:
- 通过显示调整模块YYPM
- 通过调试软件YYSOFT
- 通过HART手持编程器
|
现场编程模块(YYPM)
- YYPM编程器由6个按键和一个液晶显示屏,可以显示调整菜单和参数设置。其功能相当于一个分析处理仪表。
|

YYPM
|
|
|
|
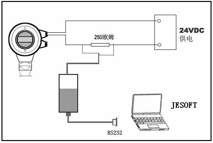
通过BTSOFT软件调试
无论那种信号输出,4-20mA/HART,雷达传感器都可以通过软件进行调试。采用BTSOFT软件进行仪表调试,需要一个仪表CONNECTCAT驱动器。

使用软件调试的时候,给雷达仪表加电24VDC,同时在连接HART适配器前端加一个250欧姆的电阻。如果一体式HART电阻(内部电阻250欧姆)的供电仪表,就不需要附加外部电阻,HART适配器可以和4-20mA线并联。
YYD800系列尺寸

编程器尺寸

技术数据:
基本参数
工作频率:6.8GHz
波 束 角:
24°YYD801, YYD802
18°YYD803 带DN150法兰
14°YYD803 带DN200法兰
12°YYD803 带DN250法兰
测量范围:0-35m
重 复 性:±3mm
分 辨 率:1mm
采 样:回波采样55次/s
响应速度:>0.2s(根据具体使用情况而定)
电流信号:4-20mA
精 度:<0.1%
天线材质 YYD801、YYD802为PP/PTFE
YYD803为316L不锈钢
通讯接口 HART通讯协议
过程连接
YYD801 (PP,PTFE天线) :G1-1/2 316L不锈钢,:
YYD802(棒式天线) :翻边法兰DN50,DN80,DN100,DN150
YYD803(喇叭口形式天线):法兰DN50,DN80,DN100,DN150,DN200,DN250
电 源:24V DC(+/-10%),波纹电压:1Vpp
耗电量:max22.5mA
环境条件 温度:-40℃-+80℃
容器压力(表压)-1-40bar
防爆认证 ExiaII CT6
外壳保护等级 IP68
两线制接线 供电和信号输出共用一根两芯导线
电缆入口:2个M20×1.5(电缆直径5-9mm)
|