| 提交询价信息 |
| 发布紧急求购 |
价格:电议
所在地:四川 成都市
型号:DYT4-RC
更新时间:2020-01-13
浏览次数:1419
公司地址:成都市高新区府城大道西段399号
![]()
李树群(先生) 经理
约图-仪控 您身边的仪控专家。约图-Dytmeter仪控有限公司是一家有着十几年专业生产电力智能数字测控仪、电工类数字电压、电流、功率、电量类仪表、各类工业传感器、电动执行器、旋转编码器等电力电子产品的高科技企业,简称“约图-仪控”。公司拥有以博士和硕士为主的高素质开发队伍,有着多年工业类传感器、多种智能测控仪的研发、生产、安装经验。本着务实、创新和高起点的精神持续推出多种符合于市场导向的新产品。公司生产的产品已广泛应用在石油、化工、电力、冶金、钢铁、机械、轻工、食品、包装、通讯、能源、环保等领域。约图-Dytmeter与多家国内外知名企业结成战略伙伴联盟,利用自身的工业系统集成优势,为用户提供全方位解决方案。公司主要生产经营网络电力测控仪、各类工业传感器、电动执行器、旋转编码器、低压电动机保护器及电机软启动,电力微机综合自动化,可编程控制器及变频器等。 约图-Dytmeter仪控有限公司特别推出D-YT46网络电力测控仪,D-YT41各类单相、三相电压、电流表、D-YT23智能数字转速、频率表,D-YT系列压力、液位、流量系列传感器、D-YT21计数、计米器等。...... 本公司秉承以“诚信、守约、快捷、务实”为服务准则;以“品质第一、客户至上”为经营宗旨。
网址http://www.dytmeter.com
微博http://weibo.com/dytmeter
电话:028-87690632
传真:028-87692569
邮编:610000
手机:18081148433
电子邮箱:dytmeter@163.com
网络专员QQ:2370671986 QQ:496474989

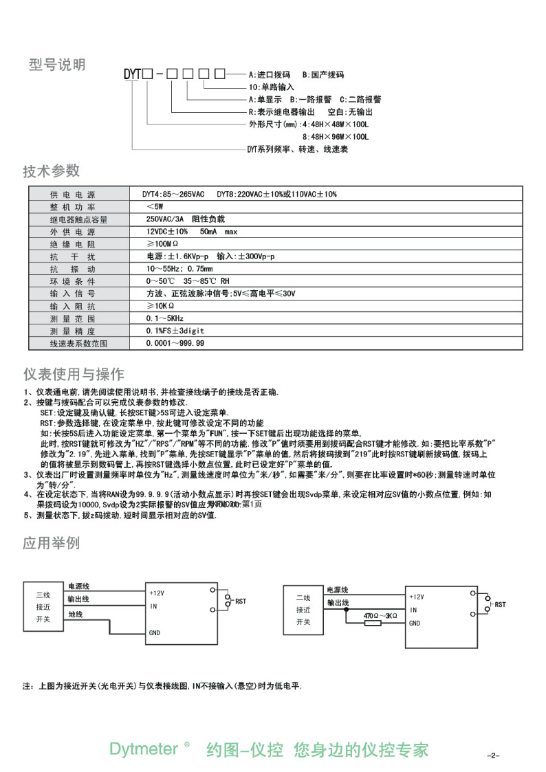
输入:各种波形脉冲(方波 三角波 接近开关、光电开关或交流电压等)电压输入类信号、触点开关、编码器等,还可用于测量工频(AC 0--600V),测量范围0.01Hz--100KHz,分辨力为0.01Hz,
显示有4位、5位、6位,小数点自动转换,输出、输入光电隔离,抗干扰能力强。
数字输出:多达三路报警,高值、低值、高低值等报警方式可选,
模拟输出:电流4-20mA或0-10V变送输出,量程任意设定。
可配标准RS232/RS485 MODBUS RTU 通信协议,直接与PLC或其它设备、计算机相连
宽电源供电: 常规:80-260V AC/DC 订做:12--30V AC/DC
外形尺寸:4:48*48*80 8: 96*48*80 7:72*72*100 等,外壳达IP65标准
免责声明:以上所展示的[DYT4-RC 带上下限报警数显转速表]信息由会员[成都市约图电气设备有限公司]自行提供,内容的真实性、准确性和合法性由发布会员负责。