| 提交询价信息 |
| 发布紧急求购 |
价格:电议
所在地:江苏 淮安市
型号:HTAA-YC型 音叉式液位开关
更新时间:2015-07-13
浏览次数:1610
公司地址:江苏金湖工业园区工二路8号0517-86996368 86997736
![]()
丁经理(先生) 经理
一.原理
HTAA-YC型音叉式液位开关是一种的液位开关。音叉由晶体激励产生振动,当音叉被液体浸没时振动频率发生变化,这个频率变化由电子线路检测出来并输出一个开关量。 音叉式液位开关又被称作“电气浮子“凡使用浮球液位开关和由于结构、湍流、搅动、气泡、振动 等原因导致不能使用浮球液位开关的场合均可使用“电气浮子”。由于音叉液位开关无活动部件,因此无须维 护和调整,是浮球液位开关的升级换代产品。 本系列产品经仪器仪表防爆安全监督检验站(NEPSI)认可,防爆 标志分别为:“dIIBT4和iaIIBT4,防爆合格证号分别为:GYB98180和GYB97316A”,可适用于相应爆炸性危险场所。
二.应用范围
音叉限位开关可以任何方向安装于液体罐、液体槽上用于液位的上下限位报警或控制, 亦可安装于管道上防止泵的无料运行。
。自来水、矿泉水
。纸浆、胶水、染料
。废水、泥浆
。酸、碱溶液可产生气体的液体
。柴油等危险场所
三.产品特点
1.免于维护
由于音叉限位开关的检测过程由电子电路完成,无活动部件,所以一经安装投运使用便不需要维护。
2.适应性强
被测液体不同的电参数、密度对测量均不产生影响。结垢、搅动、湍流、气泡、振动、中等粘度、高温、高压等恶劣条件对检测也无影响。
3.不需调校
由于音叉限位开关的检测不受被测介质电参数及密度的影响,所以无论测量何种液体都不需现场调校。
四.主要技术指标
1、供电电压
直流24V或l2-55V(本安型用DC24v);交流25V~250V50Hz
2、工作温度
仪表:-20℃~45℃
叉体:常温型-20℃~60℃
中温型-20℃~120℃
3、输出方式
直流24供电时为继电器输出(AC220V0.);直流l2~55V供电时为集电开路输出;(350mA,本安型产品≤50mA);交流25~250V供电时为两线制输出 (220V,4.4W~77W)。
4、功耗
直流供电时0.25W(24V时);交流供电时1.5W(220V时)
5、本安型
防爆标志∶iaⅡBT4;防爆证号∶GYB97316A;关联设备∶LB879。
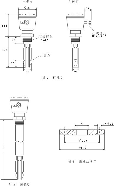
五.外型尺寸及安装方式

六.端子图及系统连线
有以下三种方式:

七.本安防爆型产品的现场接线

八.型号编制及说明

免责声明:以上所展示的[HTAA-YC型 音叉式液位开关 HTAA-YC型 音叉式液位开关]信息由会员[江苏汇通仪表有限公司]自行提供,内容的真实性、准确性和合法性由发布会员负责。