提交询价信息
发布紧急求购
您好,欢迎来到给览网!手机版|本站服务|添加收藏|帮助中心
您所在的位置: 给览网 » 供应 » 仪器配件 » 阀/接头 » DN65-100 比例积分球阀

DN65-100 比例积分球阀

深圳市欧门氏机电设备有限公司
会员指数: 企业认证: 

价格:电议

所在地:广东 深圳市

型号:DN65-100

更新时间:2020-08-05

浏览次数:2482

公司地址:深圳市福田区八卦四路10号中浩大厦21层2103

王斌(先生) 经理 

产品简介

欧门氏DN65-100二通开关量/模拟量电动调节球阀配套欧门氏MSBA05系列球阀驱动器,采用交流电压双向同步电机,可适配DN65~DN100口

公司简介


欧门氏楼宇系统(OUMENS BUILDING SYSTEM)集研发、生产、技术支持于一体,在楼宇系统控制领域有着多年的设计、开发、生产与服务经验,能为不同要求的自控系统提供全新的、多方位的解决方案。随着科学技术的迅猛发展,客户、投资方及终端用户对楼宇系统的舒适度、安全性、经济性以及高效性的要求均越来越高,因此,一栋建筑的技术设备费用往往占到了建筑成本的大部分。欧门氏楼宇系统通过提供高品质的自控产品来满足不同客户日益增加的需求,对于具有系统集成设备的现代化楼宇系统来说,欧门氏楼宇系统的全面开放性可广泛适用于各种自动控制要求。
在亚太地区,欧门氏(OUMENS BUILDING SYSTEM)对技术人员的培训从未间断,以保证我们的客户能享受到行业内最高级的服务。欧门氏的专业服务人员在调试、维护和升级组件及系统方面拥有丰富的经验,而且我们可以提供高性价比的软件支持。欧门氏全员奉行 :品质事件无小事,品质是欧门氏企业的生命,品质是欧门氏品牌的心脏。这也是每一位员工在工作中所信奉的原则,所追求的境界。对于客户,我们的宗旨是"质量+服务=共赢关系"!欧门氏精心制造与检测每一款产品,以确保产品的性能卓越,安装使用方便 ;我们慎重的寻找供应商,以确保产品价格合理,以求尽量缩短供货周期 。欧门氏全员都以能够为客户提供更多的产品信息、建议及培训作为一种莫大的荣幸,因为我们深知信任不容易得到却很容易失去,因而我们细心的做好每一个环节,信守每一份承诺。
欧门氏产品系列:基于MODBUS+以太网网络系统,DDC控制器,蒸汽阀,导热油阀门,温湿度传感器/变送器,压力/压差传感器/变送器,电动调节阀门,比例积分阀,高温蒸汽调节阀,电动调节球阀,不锈钢电动球阀,盘管电动球阀,风阀驱动器,电动蝶阀,动态/静态流量平衡阀,盘管温控器,液晶温控器,盘管电动阀,微压差变送器,气体压差开关,水压差控制器,压力变送器,压差变送器,液位传感器,一氧化碳变送器,二氧化碳变送器等。
欧门氏(OUMENS BUILDING SYSTEM)将所提供产品的安全性和质量保证作为一切行为的前提,并始终贯穿于每一个工作环节。我们所有的产品都符合欧盟的CE认证标准。欧门氏的每一份子时刻期待着能与您一道开发各种有益于您现在的业务并能为您将来的需要作出准备的解决方案。
百年沉淀进口品质值得信赖
Hundred years of history and import quality for your trusted.
展开

产品说明


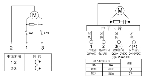
欧门氏DN65-100二通开关量/模拟量电动调节球阀配套欧门氏MSBA05系列球阀驱动器,采用交流电压双向同步电机,可适配DN65~DN100口径的球阀,手动操作灵活,带有位置指示功能。广泛用于中央空调、采暖、水处理、工业加工行业等系统的流体控制。可接受DC0~10V、DC2~10V、DC0~20mA、DC4~20mA的控制信号输入,比例式控制,提供DC0~10V的反馈信号输出,反映驱动器的相对位置
MSBA05系列球阀驱动器特性:
·交流电压双向同步电机。
·可适配DN65~DN100口径的球阀。
·采用符合UL94V-0标准的阻燃工程塑料。
·内置开关具有到位断电节能,电机寿命更长。
·手动操作灵活,带有位置指示功能。
·开关式电开电关型或浮点式(PID调节)控制。
·快速连接方式,拆装维护简便。
·球阀冷/热及环境冷/热不易传到驱动器内部。
·通过高可靠性与安全性测试。
·内置可调精度为10°的开关限位调节功能。
·可接受DC0~10V、DC2~10V、DC0~20mA、DC4~20mA的控制信号输入,比例式控制。
·提供DC0~10V的反馈信号输出,反映驱动器的相对位置。
·工作电源电压: 可选24VAC/110VAC/220VAC。
MSBA05系列球阀驱动器技术参数:
频率:50/60Hz     
扭矩:≥25Nm      
运行时间:≈45s(50Hz/90°)    
zui大角度:90°<开关限位≤95°
连接电线:0.5 ~ 1mm2     
上壳体材质:阻燃ABS工程塑料     
下壳体材质:阻燃增强尼龙PA6-110
齿轮材质:POM聚甲醛塑料、阻燃增强尼龙PA6-230、黄铜HPb59-1      
室温限制:运作:-5~+50℃  储存:-30~+70℃ 
保护等级:IP54  
配套阀体/阀球材质:HT250铸铁
适应工作介质:2~94℃冷\热水,50%乙二醇

常规接线图                             内置电子卡片接线图:

 DN65/80/100外形尺寸图:                            安装示意图: 
 

本页产品地址:http://www.geilan.com/sell/show-2534882.html
免责声明:以上所展示的[DN65-100 比例积分球阀]信息由会员[深圳市欧门氏机电设备有限公司]自行提供,内容的真实性、准确性和合法性由发布会员负责。
[给览网]对此不承担任何责任。
友情提醒:为规避购买风险,建议您在购买相关产品前务必确认供应商资质及产品质量!

发布询价单

您最近浏览过的产品

没有合适的产品?是否在线询价?
询价标题
联系人
电话
主要内容
验证码