| 提交询价信息 |
| 发布紧急求购 |
价格:电议
所在地:江苏 盐城市
型号:
更新时间:2013-12-04
浏览次数:906
公司地址:江苏省东台市时堰镇泰东工业园区
![]()
凡斌(先生)
隔膜压力表http://www.dtyida.com/yalibiao101.html主要用于石油、化工、制药、食品、轻纺等工业部门生产过程中的压力检测。
结构原理:
隔膜压力表由各种通用型压力仪表和不同结构的隔膜隔离器组成一个封闭系统,内充密封液。当被测介质的压力作用于隔膜时,则隔膜产生变形,压缩封闭系统中的密封液。由于密封液的固有性质,使压力仪表中的弹性元件产生相应的弹性变形—位移,经指示装置显示压力值。当隔膜的刚度足够小时,则压力仪表指示的压力就近于被测介质的压力值。
主要技术指标:
隔膜压力表的温度特性
由于隔膜压力表的系统内填充了密封液作为压力传递的介质,致使隔膜表的温度影响量与密封液体膨胀系数、隔膜刚度及受压部位的温度有关。对于低量程压力仪表的影响尤为明显。一般受压部温度误差规定不大于1.0%/℃,所以隔膜表的温度影响一般是由通用压力仪表温度影响量与隔膜隔离器受压部温度影响量两者之和。
○隔膜表的液位差
尤其对于带软连接管的隔膜表,由于隔膜受压部与通用型压力表安装位置不在同一水平面上,会产生液位差的影响量△P。在测量时更应注意。
○隔膜表的耐蚀性
隔膜压力表的耐蚀性可通过适合的选择与测量介质接触部分的隔膜,法兰及密封垫圈的材料来保证。
隔膜材料:0Cr17Ni12Mo2(316);蒙乃尔合金(Cu30Ni70);哈氏合金(H276C);钽(Ta)及氟塑料(F4)。
法兰材料:不锈钢0Cr17Ni12Mo2(316);不锈钢内衬氟塑料(316+F4)。
密封垫圈材料:丁腈橡胶;氟橡胶;硅橡胶及氟塑料。
○隔膜液的选择
保证隔膜压力表使用可靠性和安全性,应根据不同用途选择合适的密封液。
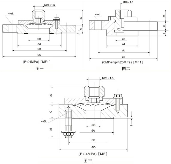
隔膜压力表选型表

隔膜压力表隔膜装置法兰尺寸:
1.敞开式凸面法兰
|
代号
|
量程上限值P(MPa)
|
推荐法兰标准代号
|
突面法兰尺寸(Mm)
|
尺寸图
|
||||||
|
D
|
K
|
f
|
f
|
L
|
C
|
B
|
||||
|
MF1
|
4
|
JIS-10/20K 50A
|
155
|
120
|
100
|
3
|
19
|
18
|
50
|
图一
|
|
4
|
50-1.0/4.0HGJ46
|
160
|
125
|
100
|
3
|
19
|
18
|
50
|
||
|
4
|
ANSI-2B 150LB
|
152
|
121
|
92.1
|
3
|
19
|
18
|
2"
|
||
|
4
|
ANSI-2B 300/100LB
|
165
|
127
|
92.1
|
3
|
19
|
18
|
2"
|
||
|
6~10
|
25-10.0 HGJ47
|
125
|
89
|
50.8
|
7
|
20
|
20
|
25
|
图二
|
|
|
6~10
|
25-10.0 HGJ47
|
165
|
127
|
92.1
|
3.5
|
20
|
26
|
50
|
||
|
16~25
|
20~25.0 HGJ53
|
130
|
89
|
43
|
7
|
22
|
20
|
25
|
||
|
MF
|
4
|
25-4.0 DIN
|
115
|
85
|
65
|
3
|
M12
|
26
|
25
|
图三
|

|
推荐法兰标准代号
|
尺寸
|
||||
|
DN
|
d1
|
K
|
d2
|
L
|
|
|
|
25
|
125
|
90
|
70
|
19
|
|
|
20
|
100
|
75
|
58
|
15
|
|
|
15
|
95
|
70
|
52
|
15
|
|
ANSI-1B-151b
|
1"
|
108
|
79.4
|
50.8
|
19.1
|
|
ANSI-1B-300/6001b
|
1"
|
124
|
88.9
|
50.8
|
19.1
|
|
20-1.0/4.0HGJ47
|
20
|
105
|
75
|
56
|
14
|


|
腐蚀介质
|
耐腐蚀材料
|
|||||
|
锡青铜(QSn6.5-0.4)
|
SUS316
|
纯钽(Ta)
|
蒙耐尔(Ni70Cu30)
|
哈氏合(HC)
|
聚四氟乙烯(F4)
|
|
|
硫酸(H2SO4)
|
V
|
△
|
○
|
V
|
V
|
V
|
|
硝酸(HNO3)
|
╳
|
V
|
○
|
╳
|
V
|
V
|
|
盐酸(HCI)
|
△
|
╳
|
○
|
╳
|
V
|
V
|
|
磷酸(H3PO4)
|
V
|
V
|
○
|
V
|
V
|
V
|
|
醋酸(CH3COOH)
|
V
|
V
|
○
|
V
|
○
|
V
|
|
烧碱(NaOH)
|
△
|
○
|
△
|
○
|
○
|
V
|
|
纯碱(Na2CO3)
|
○
|
○
|
○
|
○
|
V
|
V
|
|
小苏打(NaHCO3)
|
V
|
○
|
○
|
○
|
○
|
V
|
|
氯气(CI)
|
干:V
湿:╳ |
干:V
湿:╳ |
○
|
干:V
湿:╳ |
V
|
V
|
|
溴(Br2)
|
干:△
湿:╳ |
干:╳
湿:△ |
○
|
干:○
湿:╳ |
○
|
V
|
|
氨水(NH3)
|
╳
|
V
|
╳
|
╳
|
○
|
V
|
|
海水(30% NaCI)
|
V
|
V
|
○
|
○
|
○
|
V
|
|
符号说明:○——;△——有条件使用;V——可以使用;╳——不可以使用。
|
||||||
免责声明:以上所展示的[ 隔膜压力表]信息由会员[东台市仪达仪器仪表有限公司]自行提供,内容的真实性、准确性和合法性由发布会员负责。