| 提交询价信息 |
| 发布紧急求购 |
价格:电议
所在地:江苏 淮安市
型号:YPF-100B
更新时间:2010-11-30
浏览次数:1960
公司地址:江苏省金湖县神华大道361号
![]()
徐斌(先生) 经理
江苏昌辉仪器仪表有限公司是国内专业从事工业过程控制,智能仪表的研发、生产、销售和服务为一体的现代化高新技术企业。主要产品有温度仪表、压力仪表、流量仪表、显示仪表、记录仪表、液位仪表、检验仪表以及各种电线电缆。规格齐全、形式多样,可满足不同场合的不同要求,并能按用户要求设计生产特殊协议的产品。
公司座落在美丽富饶的高邮湖畔,有“天下第一荷花”美称的鱼米之乡——金湖境内,交通方便,东临京沪高速、西靠宁连高速、盐金线贯穿境内。主要产品有:WR系列热电偶、WZ系列热电阻、双金属温度计、压力表、压力变送器、电磁流量计、涡街流量计、涡轮流量计、金属管浮子流量计、磁翻板液位计、压力效验仪、精密数字压力表等产品。产品广泛化工、石油、制药、冶金、造纸、电力等行业。
昌辉公司倡导“以至诚之心为人,用唯美标准做事”的核心价值观;以人为本,塑造充满活力与创业精神的团队,为创新人才提供了施展才华的平台。近年来,公司致力于将昌辉打造成世界著名品牌的目标,加强企业战略管理和研究,探索出了一条保持企业持续健康发展的路径。
|
型号
|
测量范围
|
顾压部尺寸D1
|
|
CH-YPF-100A
|
0~0.06;0~0.1;0~0.16;0~0.25;0~0.4; 0~0.6;0~1.0;0~1.6;0~2.5;-0.1~0;-0.1~0.06;-0.1~0.15; -0.1~0.3;-0.1~0.5;-0.1~0.9;-0.1~1.5; -0.1~2.4MPa
|
φ85
|
|
CH-YPF-100B
CH-YPF-100B-F |
φ115
|
|
|
CH-YPF-150A
|
φ85
|
|
|
CH-YPF-150B
CH-YPF-150B-F |
φ115
|
|
|
CH-YPF-100B
CH-YPF-100B-F |
0~1.6;0~2.5;0~4;0~6;0~10;0~16;0~25;0~40;-1.6~0;-2.5~0;-4~0;-6~0;-10~0;-16~0;-25~0;-40~0;-0.8~0.8;-1.2~1.2;-2~2;-3~3;-5~5;-8~8;-12~12;-20~20KPa
|
φ160
|
|
CH-YPF-150B
CH-YPF-150B-F |
φ160
|
|
型号
|
导压系统工程
|
|||
|
膜片
|
法兰接头
|
密封垫圈
|
表壳材料
|
|
|
CH-YPF-100A
CH-YPF-150A |
Cr15Ni7Mo
(PH15-7Mo) 316L(≤25KPa) |
1Cr18Ni9
|
丁腈橡胶
|
铸铝
|
|
CH-YPF-100B
CH-YPF-150B |
聚四氟乙烯
|
1Cr18Ni9
|
||
|
CH-YPF-100BF
CH-YPF-150BF |
||||


|
|
CH-YPF-100A
|
CH-YPF-100B
|
CH-YPF-100B-F
|
CH-YPF-150A
|
CH-YPF-150B
|
CH-YPF-150B-F
|
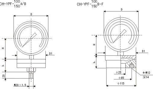
|
D
|
φ100
|
φ110
|
φ110
|
φ150
|
φ160
|
φ160
|
|
H
|
57
|
57
|
57
|
80
|
80
|
80
|
|
h
|
42
|
42
|
|
43
|
43
|
|
免责声明:以上所展示的[YPF-100B 膜片压力表]信息由会员[江苏昌辉仪器仪表有限公司]自行提供,内容的真实性、准确性和合法性由发布会员负责。