| 提交询价信息 |
| 发布紧急求购 |
价格:电议
所在地:北京
型号:IN-085
更新时间:2016-07-26
浏览次数:1344
公司地址:北京市石景山区阜石路166号泽洋大厦803室
![]()
罗继锋(先生)
德国 B&K-申克 振动监测表系统 振动传感器 美国水分仪等 更多产品http://www.duoguo17.com北京多国科技 罗继锋 -807 QQ:59387824
电涡流传感器常见用途:
汽轮机 TST测量 :轴振、转速/零转速、偏心、键相、超速保护测量
水轮机振摆监测 :摆渡、转速、键相
风机、压缩机、水泵振动监测 :轴振、转速、键相、轴向位移
IN-08X /INA-08X 一体式非接触传感器(量程在1.5mm范围内)组成
探头 IN-08X /INA-08X
前置器 内置(一体化)

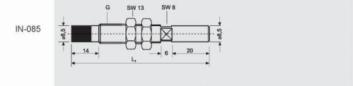
IN-085一体式非接触传感器 全螺纹带接头
接线方法
红色线……DC(-24V电源)
黄色线……SIG(信号线)
白色线……COM(公共端)
黄黑线……SHIELD(屏蔽线)
技术指标:
灵敏度:8mV/µm(200mV/mil)
量程:1.5mm
灵敏度误差:±5%(室温)
±10%(整个工作温度范围内)
线性度:±1%(室温)
±7%(整个工作温度范围内)
工作温度:0℃~125℃
探头直径:7.5mm
电源:-24V(-18V~-26VDC)<30mA电流
允许传输信号电缆长度:1000米
选型指南:
IN-08X-【A】-【B】-【C】-【D】-【E】
常温应用:0-125℃
A:
通条螺纹…………………………………081
反装………………………………………083
右直角(不适用于防爆环境)…………084
带接线接头………………………………085
B:
M10X1-6g安装螺纹……………………3
3/8“-24UNF-2A安装螺纹……………4
C:探头体长度
70(zui小),80、90……250mm(zui大)……XXX
常用70mm和110mm两种(M10X1螺纹)
D:电缆长度
(IN-085或INA-085)………00
电缆长度(5米)……………50
E:特殊要求
无……0
有……1
选型指南:
INA-08X-【A】-【B】-【C】-【D】-【E】
防爆应用:EEx ib IIC T4……T6(zui高使用温度115℃)
A:
通条螺纹…………………………………81
反装………………………………………83
右直角(不适用于防爆环境)…………84
带接线接头………………………………85
B:
M10X1-6g安装螺纹……………………3
3/8“-24UNF-2A安装螺纹……………4
C:探头体长度
70(zui小),80、90……250mm(zui大)…………XXX
常用70mm和110mm两种(M10X1螺纹)
D:电缆长度
(IN-085或INA-085)………00
电缆长度(5米)……………50
E:特殊要求
无……0
有……1
B&K VIBRO德国申克 电涡流位移传感器1.5mm量程范围。 一体化电涡流传感器。
IN-081 IN-083 IN-084 IN-085
B&K VIBRO德国申克 电涡流位移传感器1.5mm量程范围。 一体化电涡流传感器,防爆传感器。
INA-081 INA-083 INA-085
德国 B&K-申克 振动监测表系统 振动传感器 美国水分仪等 更多产品http://www.duoguo17.com北京多国科技 罗继锋 -807 QQ:59387824
免责声明:以上所展示的[IN-085 申克传感器一体式涡流传感器IN-08X系列 电涡流传感器IN-085]信息由会员[北京多国科技有限公司]自行提供,内容的真实性、准确性和合法性由发布会员负责。