提交询价信息
发布紧急求购
您好,欢迎来到给览网!手机版|本站服务|添加收藏|帮助中心
您所在的位置: 给览网 » 供应 » 仪器配件 » 其他仪器配件 » FL-2 分流器

FL-2 分流器

江苏昆仑工控(淮电)电气十厂
会员指数: 企业认证:         

价格:电议

所在地:江苏 苏州市

型号:FL-2

更新时间:2021-10-21

浏览次数:3621

公司地址:江苏,河北,北京,上海,沈阳,吉林,黑龙江,广东,广西,山西,山东,四川,浙江,福建,内蒙,陕西,山西,安徽,湖北,湖南,江西,贵州,云南,新疆,青海,宁夏,重庆等

周经理(先生) 总监 

产品简介

咨询电话:,手机:江苏FL-2系列分流器主要由锰铜片和铜接头焊接构成,在分流器两端的接头

公司简介

〖企业简介〗
江苏昆仑工控(淮电)电气有限公司成立于1997年,2003在苏州成立了江苏昆仑工控电气十厂,本厂专业研发,生产,销售各种电力工控,机电,石油煤矿,化工设备配套产品厂家。先后在苏州,无锡,淮安,浙江,连云港,广东,北京,上海等地均设有生产,销售分支机构,主要产品有:数显电流电压,功率,功率因数表、温控表,温湿度表,计数器,转速表,欧姆表,时间继电器,光电,电磁隔离变送器、液位器,压力变送器,差压变送器,温压一体传感器,分流器,互感器,接近开关,三色灯等配套产品。公司目前旗下有员工约500人,年产销100万台,年销售额收入近1000万元。公司一贯坚持“质量第一,用户至上,优质服务,信守合同”的宗旨,凭借着高质量的产品,良好的信誉,优质的服务,产品畅销全国近三十多个省、市、自治区以及远销欧美、东南亚等国家。竭诚与国内外商家双赢合作,共同发展,共创辉煌!

展开

产品说明

咨询:0,:,

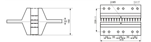
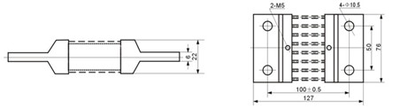
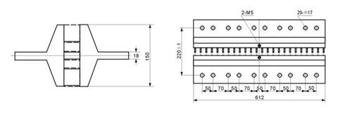
江苏FL-2系列分流器主要由锰铜片和铜接头焊接构成,在分流器两端的接头上有两组接线端钮:外边一组为电位端钮,供与电源线连接,内边一组为电位端钮供与测量仪表连接,本公司专业生产各类固定式定值分流器和合金电阻器的电参数和尺寸,同时我们能为客户定做不同款式(包括出口型)的特殊分流器.如有特殊要求可订制订货。 FL-2型系列分流器其精度为:0.5级,规格范围有:1A-15000A,二次电压:20mV、30mV、50mV、60mV、75mV、100mV、150mV等,常规为75mV 一.产品用途分流器广泛用于扩大仪表测量电流范围,均可用于通讯系统。 电子整机自动化控制的电源等回路作限流.均流.取样.检测作用,使用条件为 B 。二.主要技术参数: 1.准确度等级:5~4000A:0.5 级,5000A~10000A:1 级。 2.使用环境条件: -40~+60℃,相对湿度≤95%(35℃) 3.耐机械性能:能承受加速度为 70 米/秒及冲击频率每分钟 80~120 6 小时的运输颠震。 4.超载性能:额定电流 120%,2 小时。 5.电压降:50mV,75mV,100mV,200mV,300mV. 6.负载下发热:温升变化趋稳定电流 50A 以下不超过 80℃。 额定电流 50A 以上不超过 120℃。 三.分流器型号表示规则: FL-2 200A 75mV 0.5 (型号) (电流) (压降) (精度) 四:外观尺寸图

产品型号 产品安装尺寸
FL-2150A
FL-2100A
FL-2200A
FL-2300A
FL-2400A
FL-2500A
FL-2600A
FL-2750A
FL-21000A
FL-22000A
FL-23000A
FL-25000A
FL-26000A
FL-27500A
FL-210000A
FL-215000A

本页产品地址:http://www.geilan.com/sell/show-2261257.html
免责声明:以上所展示的[FL-2 分流器]信息由会员[江苏昆仑工控(淮电)电气十厂]自行提供,内容的真实性、准确性和合法性由发布会员负责。
[给览网]对此不承担任何责任。
友情提醒:为规避购买风险,建议您在购买相关产品前务必确认供应商资质及产品质量!

发布询价单

没有合适的产品?是否在线询价?
询价标题
联系人
电话
主要内容
验证码