产品简介
无轴承液压马达BM5系列无轴承马达,除了没有输出轴及轴承壳体外,无轴承马达的驱动部件与标准马达及车轮马达相同,这种马达特别
公司简介
企业简介
山东超越液压机械有限公司是专业生产摆线类液压产品的股份制公司。公司坐落于孔孟之乡,礼仪之邦,环境优美,交通便利的济宁市工业开发区。公司致力于发展高新设计和制造技术,进口多台大型数控加工中心,数控成型磨床,数控内圆磨床等,制造和供应全规格的全液压转向器,摆线液压马达以及其它液压产品。我们可以向用户提供上千种各系列、规格和尺寸的液压马达。规格大小(额定排量)从50cc/r到1000cc/r,转速范围从小型马达额定转速1000r/min到大型马达100r/min,最大工作力矩从100Nm到2000Nm。
在生产上公司本着“以科技为先导,以质量求生存”的宗旨,吸收国内外先进技术,推出了标准型和扩充型液压马达,扩充型又包括车轮液压马达和无轴承液压马达。公司产品的密封件,轴密封采用德国进口齿型滑动式组合密封,静密封采用美资企业亚新科的产品。公司产品的轴承采用外资企业托林顿的轴承。公司产品的铸件全部采用安泰铸业的铸件。其产品特点:
1.先进的定转子参数设计,启动压力低,效率高,低速运转平稳。
2.较高的工作压力,输出扭矩高。
3.先进的轴密封设计,高的背压承受能力。
4.先进可靠的联动轴设计,提高了马达的使用寿命。
5.先进的配流机构设计,具有配流精度高和磨损自动补偿的特点。
6.在液压系统中可串联或并联使用,串联使用时应接外泄油管。
7.采用圆锥滚子轴承设计,具有较大的径向承载能力,使得马达可直接驱动工作机构。
公司通过了ISO9001:2000质量体系认证,我们将以ISO9000质量体系为根本,以提高产品性能为出发点,向客户提供具有竞争力的一流产品和服务。
在经营中公司推出了“质量我保证,价格您来定,服务请放心,顾虑帮您消”的经营理念。长期以来,公司坚持以“诚”,“信”为立足之本服务于用户,在广大用户中树立了良好的口碑。
给我们一次机会,我们将会成为终身的朋友。
展开
产品说明
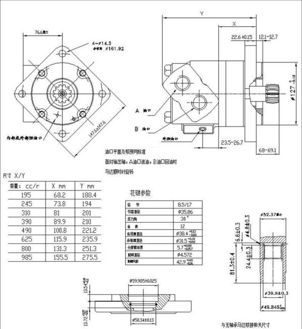
无轴承液压马达
BM5系列无轴承马达,除了没有输出轴及
轴承壳体外,无轴承马达的驱动部件与标准
马达及车轮马达相同,这种马达特别适用于
齿轮箱传动,使用无轴承马达时,必须考虑
设计有以轴承支承的内花键轴与马达的花键
轴匹配。
无轴承液压马达
BM6系列无轴承马达,除了没有输出轴及
轴承壳体外,无轴承马达的驱动部件与标准
马达及车轮马达相同,这种马达特别适用于
齿轮箱传动,使用无轴承马达时,必须考虑
设计有以轴承支承的内花键轴与马达的花键
轴匹配。
本页产品地址:http://www.geilan.com/sell/show-2241501.html

免责声明:以上所展示的[
BM 无轴承液压马达BM5的原理]信息由会员[
山东超越液压机械有限公司]自行提供,内容的真实性、准确性和合法性由发布会员负责。
[给览网]对此不承担任何责任。
友情提醒:为规避购买风险,建议您在购买相关产品前务必确认供应商资质及产品质量!