| 提交询价信息 |
| 发布紧急求购 |
永嘉县双德阀门有限公司是一家集阀门研发,生产,销售,售后为一体的综合性高新技术企业。坐落于“中国泵阀之乡”---永嘉县瓯北镇。
D343H弹性硬密封蝶阀 产品结构
次硬密封蝶阀系列产品,系我公司新开发的长寿命、节能型蝶阀。其结构采用三维偏心原理设计,阀座采用硬软密封兼容的多层次结构,加工精湛,工艺。本产品由阀体、蝶板、多层次阀座、阀杆、传动机构等主要部件组成。
· D343H弹性硬密封蝶阀 特点
43H弹性硬密封蝶阀 采用的是三维偏心原理设计,使密封面的空间运动轨迹达到理想化,密封面相互之间无磨擦、无干涉,加之密封材料选择得当,从而使蝶阀的密封性、耐腐蚀性、耐高温性和耐磨性等得到了可靠的保证。其主要特点如下:
1、开启力矩小,灵活方便,省力节能:
2、三维偏心结构,使蝶板越关越紧,其密封性能可靠,达到无泄漏:
3、耐高压、耐腐蚀、耐磨损、使用寿命长等。
· D343H弹性硬密封蝶阀 主要技术参考数
|
公称通径 |
DN(mm) |
50-1600 |
||||
|
公称压力 |
PN(MPa) |
0.6 |
1.O |
1.6 |
2.5 |
4.0 |
|
试验压力 (MPa) |
强度试验 |
0.9 |
1.5 |
2.4 |
3.75 |
6.0 |
|
密封试验Seal test |
0.66 |
1.1 |
1.76 |
2.75 |
4.4 |
|
|
气密封试验Ai rTest |
0.6 |
0.6 |
0.6 |
0.6 |
0.6 |
|
|
适用介质 |
水、蒸气、油品、酸类腐蚀性等。 |
|||||
|
适用温度 |
碳钢:-29%-425% 不锈钢:-40%-600% |
|||||
· D343H弹性硬密封蝶阀 主要零件的材质
|
零件名称 |
材料 |
|
阀体 |
铸铁、铸钢、不锈钢、铬钼钢、合金钢 |
|
蝶板 |
铸钢、合金钢(镀硬铬)、不锈钢、铬钼钢 |
|
阀座密封圈 |
不锈钢、多层次、聚内脂、抗磨材料 |
|
阀杆 |
2Crl3、1Crl3不锈钢、铬钼钢2Crl3,1Crl3 |
|
填料 |
柔性石墨 |
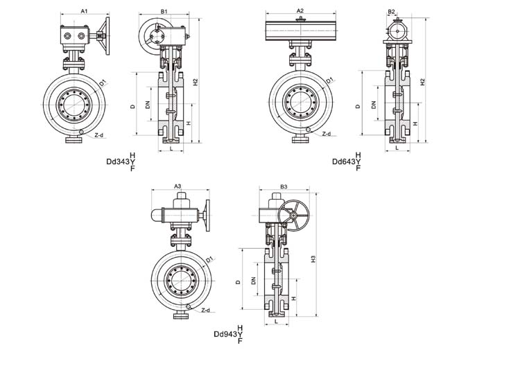
Dd3/643/9H/Y/F-40C.P.R.V系列法兰式多层次金属硬密封蝶阀
|
公称通径DN
|
结构长度(标准值)
|
外形尺寸(标准值)
|
连接尺寸(标准值)
|
||||||||||||
|
H
|
Dd373H
|
Dd673H
|
Dd973H
|
PN4.0MPa
|
|||||||||||
|
毫米
|
英寸
|
L
|
H1
|
A1
|
B1
|
H2
|
A2
|
B2
|
H3
|
A3
|
B3
|
D
|
D1
|
Z-d
|
|
|
50
|
2
|
108
|
112
|
350
|
180
|
200
|
|
|
|
530
|
250
|
255
|
165
|
125
|
4-18
|
|
65
|
21/2
|
112
|
115
|
370
|
270
|
280
|
625
|
250
|
170
|
530
|
250
|
255
|
185
|
145
|
8-18
|
|
80
|
3
|
114
|
120
|
380
|
270
|
280
|
625
|
250
|
170
|
565
|
250
|
255
|
200
|
160
|
8-18
|
|
100
|
4
|
127
|
138
|
420
|
270
|
280
|
645
|
250
|
170
|
600
|
250
|
255
|
235
|
190
|
8-22
|
|
125
|
5
|
140
|
164
|
460
|
380
|
420
|
675
|
250
|
170
|
640
|
250
|
255
|
270
|
220
|
8-26
|
|
150
|
6
|
140
|
175
|
555
|
380
|
420
|
715
|
450
|
220
|
705
|
300
|
315
|
300
|
250
|
8-26
|
|
200
|
8
|
152
|
200
|
760
|
400
|
425
|
800
|
450
|
220
|
115
|
300
|
315
|
375
|
320
|
12-30
|
|
250
|
10
|
165
|
243
|
830
|
400
|
425
|
850
|
450
|
220
|
945
|
300
|
315
|
450
|
385
|
12-33
|
|
300
|
12
|
178
|
250
|
895
|
450
|
560
|
925
|
560
|
280
|
1070
|
300
|
315
|
515
|
450
|
16-33
|
|
350
|
14
|
190
|
280
|
950
|
450
|
560
|
1035
|
650
|
280
|
1140
|
300
|
315
|
580
|
510
|
16-36
|
|
400
|
16
|
216
|
305
|
1190
|
535
|
580
|
1070
|
650
|
280
|
1210
|
300
|
315
|
660
|
585
|
16-39
|
|
450
|
18
|
222
|
350
|
1255
|
535
|
580
|
1190
|
650
|
280
|
1335
|
575
|
714
|
685
|
610
|
20-39
|
|
500
|
20
|
229
|
380
|
1305
|
535
|
580
|
|
|
|
1415
|
575
|
714
|
755
|
670
|
20-42
|
注:
法兰标准GB/T9113.1-2000 GB/T911.5.1-2000 GB/T9113.2-2000 GB/T9115.2-2000
用户注意:表中H1、H2、H3尺寸均可根据用户需要加长(长杆蝶阀),本产品一般按短系列,若需长系列或特殊材料定货时提出。
注:Dd-代表多层次密封结构。
订货须知:
免责声明:以上所展示的[D343H 蜗轮法兰蝶阀]信息由会员[永嘉县双德阀门公司]自行提供,内容的真实性、准确性和合法性由发布会员负责。