产品简介
              
              
                  产品名称:法兰三通球阀产品型号:Q44F                                    一、产品特点:            法兰连接三通球阀,连接              
            
          
              
                  
公司简介
              
              
                   上海玉武阀门有限公司成立于1999年,占地面积2万多平方米,其中建筑面积1.8万多平方米,注册资金2008万元,现有员工280名,其中高级工程师25名,专职技工38名,拥有各类生产和检测设备120余台。公司通过IS09001:2000质量管理体系认证、API美国石油工业协会认证、ISO14001:2004环境管理体系认证、GB/T 28001-2001职业健康安全管理体系及中华人民共和国特种设备制造许可(压力管道)等认证。玉武阀门主要产品有:气动阀门,蝶阀、球阀、截止阀、闸阀、止回阀、柱塞阀、针型阀、放料阀、底阀、排污阀、排泥阀、排气阀、过滤器、隔膜阀、旋塞阀、保温阀门、控制阀、平衡阀、卫生级阀门、玻璃钢球阀、呼吸阀、阻火器、消防阀门:
代理销售进口阀门类,台湾富山阀门
本公司坚持走:以质量求生存,以科技求发展,重合同守信用的道路,生产经营得到迅速发展。我们将以优质的产品和最完善的售后服务来真诚与各界朋友开展广泛的合作,共同创造一个美好的未来!
在玉武行销遍布大江南北之际,为所有玉武用户提供及时、完善、全面的销售服务,使企业与客户紧密相连,携手共创美好未来! "确保您的投资效益"是我们的经营宗旨。 总经理率全体员工向广大用户致意,诚邀有志之士来我厂洽谈业务,互相交流,共图发展!
               
              展开
           
          
          
              
                  
产品说明
              
              
                   产品名称:法兰三通球阀
产品型号:Q44F
    
        
            | 
             一、产品特点: 
            法兰连接三通球阀,连接三通球阀,法兰三通球阀产品特点①、两阀座密封三通球阀结构紧凑、外型美观、密封性能好。也能实现管道中介流向的切换。也能使阻互垂直的两个通道连通或关闭。②、四阀座密封三通球阀造型美观,结构紧凑合理,它不仅可实现介质流向的切换,也可使三个通道相互连通,同时也可关闭任一通道,使另外一通道连通,灵活控制管路中介质的合流或分流。 
              
            二、主要零件材料: 
            
            
                
                    
                        | 
                         零件名称 
                         | 
                        
                         材质 
                         | 
                     
                    
                        | 
                         GB 
                         | 
                        
                         ASTM 
                         | 
                     
                    
                        | 
                         阀体、阀盖 
                         | 
                        
                         WCB 
                         | 
                        
                         A216-WCB 
                         | 
                     
                    
                        | 
                         密封圈 
                         | 
                        
                         PTFE、对位聚苯 
                         | 
                        
                         PTFE、对位聚苯 
                         | 
                     
                    
                        | 
                         球体 
                         | 
                        
                         1Cr18Ni9Ti 
                         | 
                        
                         SS304 
                         | 
                     
                    
                        | 
                         阀座、阀杆 
                         | 
                        
                         2Cr13 
                         | 
                        
                         A246-416 
                         | 
                     
                    
                        | 
                         双头螺栓 
                         | 
                        
                         35CrMoA 
                         | 
                        
                         A193-B7 
                         | 
                     
                
             
             
              
            备注:三通球阀一般采用两阀座结构,如流向图A所示两种工况。选用两面阀座L型结构(即Q44型)。流向B中①和④两种工况亦可选用两阀座T型结构(即Q45型)。流向图B②和③两种工况必须选用四阀认T型结构(即Q45型)。其余工况也可以先用四阀座结构,但在订货合同中注明阀座结构。如阀门有其它要求请参阅样本《阀门的型号编制方法》填寰相应的要求代号。 
            三、主要性能范围: 
            
            
                
                    
                        | 
                         公称压力 
                         | 
                        
                         试验压力(MPa) 
                         | 
                     
                    
                        | 
                         壳体 
                         | 
                        
                         高压液密封 
                         | 
                        
                         体压气密封 
                         | 
                     
                    
                        | 
                         1.6 
                         | 
                        
                         2.4 
                         | 
                        
                         1.76 
                         | 
                        
                         0.6 
                         | 
                     
                    
                        | 
                         2.5 
                         | 
                        
                         3.75 
                         | 
                        
                         2.75 
                         | 
                     
                    
                        | 
                         4.0 
                         | 
                        
                         6.0 
                         | 
                        
                         4.4 
                         | 
                     
                    
                        | 
                         CLASS150 
                         | 
                        
                         3.0 
                         | 
                        
                         2.2 
                         | 
                     
                    
                        | 
                         适用工况 
                         | 
                        
                         适用介质 
                         | 
                        
                         水、油品、气等非腐蚀和酸碱腐蚀介质 
                         | 
                     
                    
                        | 
                         适用温度 
                         | 
                        
                         -28~350℃ 
                         | 
                     
                    
                        | 
                         应用规范 
                         | 
                        
                         连接法兰 
                         | 
                        
                         JB79-59、GB9113、HG20592-97、ANSI  B16.5 
                         | 
                     
                    
                        | 
                         检验试验 
                         | 
                        
                         GB/T9092-99、API598 
                         | 
                     
                
             
             
            其余制造规范均按本厂标准; 
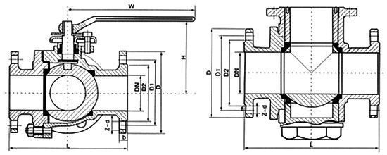
            四、法兰连接三通球阀国标连接尺寸和外形 PN1.6MPa  : 
            
            
                
                    
                        | 
                         型号 
                         | 
                        
                         公称通径DN(mm) 
                         | 
                        
                         尺寸(mm) 
                         | 
                     
                    
                        | 
                         L 
                         | 
                        
                         L2 
                         | 
                        
                         D 
                         | 
                        
                         D1 
                         | 
                        
                         D2 
                         | 
                        
                         b 
                         | 
                        
                         f 
                         | 
                        
                         Z-d 
                         | 
                        
                         H 
                         | 
                        
                         W 
                         | 
                     
                    
                        | 
                         Q44F-16C 
                        (P)  
                        (R) 
                         | 
                        
                         15 
                         | 
                        
                         150 
                         | 
                        
                         72 
                         | 
                        
                         95 
                         | 
                        
                         65 
                         | 
                        
                         45 
                         | 
                        
                         14 
                         | 
                        
                         2 
                         | 
                        
                         4-14 
                         | 
                        
                         95 
                         | 
                        
                         130 
                         | 
                     
                    
                        | 
                         20 
                         | 
                        
                         160 
                         | 
                        
                         80 
                         | 
                        
                         105 
                         | 
                        
                         75 
                         | 
                        
                         55 
                         | 
                        
                         14 
                         | 
                        
                         2 
                         | 
                        
                         4-14 
                         | 
                        
                         110 
                         | 
                        
                         130 
                         | 
                     
                    
                        | 
                         25 
                         | 
                        
                         180 
                         | 
                        
                         90 
                         | 
                        
                         115 
                         | 
                        
                         85 
                         | 
                        
                         65 
                         | 
                        
                         14 
                         | 
                        
                         2 
                         | 
                        
                         4-18 
                         | 
                        
                         120 
                         | 
                        
                         140 
                         | 
                     
                    
                        | 
                         32 
                         | 
                        
                         200 
                         | 
                        
                         100 
                         | 
                        
                         135 
                         | 
                        
                         100 
                         | 
                        
                         78 
                         | 
                        
                         16 
                         | 
                        
                         2 
                         | 
                        
                         4-18 
                         | 
                        
                         144 
                         | 
                        
                         180 
                         | 
                     
                    
                        | 
                         40 
                         | 
                        
                         220 
                         | 
                        
                         110 
                         | 
                        
                         145 
                         | 
                        
                         110 
                         | 
                        
                         85 
                         | 
                        
                         16 
                         | 
                        
                         3 
                         | 
                        
                         4-18 
                         | 
                        
                         152 
                         | 
                        
                         220 
                         | 
                     
                    
                        | 
                         50 
                         | 
                        
                         240 
                         | 
                        
                         120 
                         | 
                        
                         160 
                         | 
                        
                         125 
                         | 
                        
                         100 
                         | 
                        
                         16 
                         | 
                        
                         3 
                         | 
                        
                         4-23 
                         | 
                        
                         182 
                         | 
                        
                         220 
                         | 
                     
                    
                        | 
                         65 
                         | 
                        
                         260 
                         | 
                        
                         130 
                         | 
                        
                         180 
                         | 
                        
                         145 
                         | 
                        
                         120 
                         | 
                        
                         16 
                         | 
                        
                         3 
                         | 
                        
                         4-18 
                         | 
                        
                         193 
                         | 
                        
                         240 
                         | 
                     
                    
                        | 
                         80 
                         | 
                        
                         280 
                         | 
                        
                         140 
                         | 
                        
                         195 
                         | 
                        
                         160 
                         | 
                        
                         135 
                         | 
                        
                         20 
                         | 
                        
                         3 
                         | 
                        
                         8-18 
                         | 
                        
                         217 
                         | 
                        
                         270 
                         | 
                     
                    
                        | 
                         100 
                         | 
                        
                         320 
                         | 
                        
                         160 
                         | 
                        
                         215 
                         | 
                        
                         180 
                         | 
                        
                         155 
                         | 
                        
                         20 
                         | 
                        
                         3 
                         | 
                        
                         8-18 
                         | 
                        
                         245 
                         | 
                        
                         350 
                         | 
                     
                    
                        | 
                         125 
                         | 
                        
                         380 
                         | 
                        
                         190 
                         | 
                        
                         245 
                         | 
                        
                         210 
                         | 
                        
                         185 
                         | 
                        
                         22 
                         | 
                        
                         3 
                         | 
                        
                         8-18 
                         | 
                        
                         282 
                         | 
                        
                         500 
                         | 
                     
                    
                        | 
                         150 
                         | 
                        
                         440 
                         | 
                        
                         220 
                         | 
                        
                         280 
                         | 
                        
                         240 
                         | 
                        
                         210 
                         | 
                        
                         24 
                         | 
                        
                         3 
                         | 
                        
                         8-23 
                         | 
                        
                         319 
                         | 
                        
                         600 
                         | 
                     
                    
                        | 
                         200 
                         | 
                        
                         550 
                         | 
                        
                         260 
                         | 
                        
                         335 
                         | 
                        
                         295 
                         | 
                        
                         265 
                         | 
                        
                         26 
                         | 
                        
                         3 
                         | 
                        
                         12-23 
                         | 
                        
                         380 
                         | 
                        
                         1000 
                         | 
                     
                    
                        | 
                         250 
                         | 
                        
                         670 
                         | 
                        
                         310 
                         | 
                        
                         405 
                         | 
                        
                         355 
                         | 
                        
                         320 
                         | 
                        
                         30 
                         | 
                        
                         3 
                         | 
                        
                         12-25 
                         | 
                        
                         460 
                         | 
                        
                         1400 
                         | 
                     
                    
                        | 
                         300 
                         | 
                        
                         720 
                         | 
                        
                         370 
                         | 
                        
                         460 
                         | 
                        
                         410 
                         | 
                        
                         375 
                         | 
                        
                         30 
                         | 
                        
                         3 
                         | 
                        
                         12-25 
                         | 
                        
                         520 
                         | 
                        
                         1800 
                         | 
                     
                
             
             
            五、法兰连接三通球阀美标连接尺寸和外形 150Lb  : 
            
            
                
                    
                        | 
                         公称通径DN 
                         | 
                        
                         尺寸(mm) 
                         | 
                     
                    
                        | 
                         (in) 
                         | 
                        
                         (mm) 
                         | 
                        
                         L 
                         | 
                        
                         D 
                         | 
                        
                         D1 
                         | 
                        
                         D2 
                         | 
                        
                         b 
                         | 
                        
                         f 
                         | 
                        
                         Z-Φd 
                         | 
                        
                         H 
                         | 
                        
                         L0 
                         | 
                     
                    
                        | 
                         1/2 
                         | 
                        
                         15 
                         | 
                        
                         140 
                         | 
                        
                         89 
                         | 
                        
                         60.5 
                         | 
                        
                         35 
                         | 
                        
                         10 
                         | 
                        
                         1.6 
                         | 
                        
                         4-Φ15 
                         | 
                        
                         55 
                         | 
                        
                         130 
                         | 
                     
                    
                        | 
                         3/4 
                         | 
                        
                         20 
                         | 
                        
                         165 
                         | 
                        
                         98 
                         | 
                        
                         70 
                         | 
                        
                         43 
                         | 
                        
                         11 
                         | 
                        
                         1.6 
                         | 
                        
                         4-Φ15 
                         | 
                        
                         55 
                         | 
                        
                         130 
                         | 
                     
                    
                        | 
                         1 
                         | 
                        
                         25 
                         | 
                        
                         165 
                         | 
                        
                         108 
                         | 
                        
                         79.5 
                         | 
                        
                         51 
                         | 
                        
                         12 
                         | 
                        
                         1.6 
                         | 
                        
                         4-Φ15 
                         | 
                        
                         70 
                         | 
                        
                         140 
                         | 
                     
                    
                        | 
                         11/4 
                         | 
                        
                         32 
                         | 
                        
                         220 
                         | 
                        
                         117 
                         | 
                        
                         79 
                         | 
                        
                         64 
                         | 
                        
                         13 
                         | 
                        
                         1.6 
                         | 
                        
                         4-Φ15 
                         | 
                        
                         75 
                         | 
                        
                         180 
                         | 
                     
                    
                        | 
                         11/2 
                         | 
                        
                         40 
                         | 
                        
                         250 
                         | 
                        
                         127 
                         | 
                        
                         98.5 
                         | 
                        
                         73 
                         | 
                        
                         15 
                         | 
                        
                         1.6 
                         | 
                        
                         4-Φ15 
                         | 
                        
                         90 
                         | 
                        
                         220 
                         | 
                     
                    
                        | 
                         21/2 
                         | 
                        
                         50 
                         | 
                        
                         260 
                         | 
                        
                         152 
                         | 
                        
                         120.5 
                         | 
                        
                         92 
                         | 
                        
                         16 
                         | 
                        
                         1.6 
                         | 
                        
                         4-Φ19 
                         | 
                        
                         104 
                         | 
                        
                         260 
                         | 
                     
                    
                        | 
                         2 
                         | 
                        
                         65 
                         | 
                        
                         320 
                         | 
                        
                         178 
                         | 
                        
                         139.5 
                         | 
                        
                         105 
                         | 
                        
                         18 
                         | 
                        
                         1.6 
                         | 
                        
                         4-Φ19 
                         | 
                        
                         153 
                         | 
                        
                         350 
                         | 
                     
                    
                        | 
                         3 
                         | 
                        
                         80 
                         | 
                        
                         320 
                         | 
                        
                         190 
                         | 
                        
                         152.5 
                         | 
                        
                         127 
                         | 
                        
                         19 
                         | 
                        
                         1.6 
                         | 
                        
                         4-Φ19 
                         | 
                        
                         187 
                         | 
                        
                         400 
                         | 
                     
                    
                        | 
                         4 
                         | 
                        
                         100 
                         | 
                        
                         370 
                         | 
                        
                         229 
                         | 
                        
                         190.5 
                         | 
                        
                         157 
                         | 
                        
                         24 
                         | 
                        
                         1.6 
                         | 
                        
                         8-Φ19 
                         | 
                        
                         206 
                         | 
                        
                         500 
                         | 
                     
                    
                        | 
                         5 
                         | 
                        
                         125 
                         | 
                        
                         510 
                         | 
                        
                         254 
                         | 
                        
                         216 
                         | 
                        
                         186 
                         | 
                        
                         24 
                         | 
                        
                         1.6 
                         | 
                        
                         8-Φ22 
                         | 
                        
                         252 
                         | 
                        
                         600 
                         | 
                     
                    
                        | 
                         6 
                         | 
                        
                         150 
                         | 
                        
                         510 
                         | 
                        
                         279 
                         | 
                        
                         241.5 
                         | 
                        
                         216 
                         | 
                        
                         26 
                         | 
                        
                         1.6 
                         | 
                        
                         8-Φ22 
                         | 
                        
                         244 
                         | 
                        
                         1000 
                         | 
                     
                    
                        | 
                         8 
                         | 
                        
                         200 
                         | 
                        
                         580 
                         | 
                        
                         373 
                         | 
                        
                         298.5 
                         | 
                        
                         270 
                         | 
                        
                         29 
                         | 
                        
                         1.6 
                         | 
                        
                         8-Φ22 
                         | 
                        
                         283 
                         | 
                        
                         1300 
                         | 
                     
                    
                        | 
                         10 
                         | 
                        
                         250 
                         | 
                        
                         670 
                         | 
                        
                         406 
                         | 
                        
                         362 
                         | 
                        
                         324 
                         | 
                        
                         31 
                         | 
                        
                         1.6 
                         | 
                        
                         12-Φ25 
                         | 
                        
                         345 
                         | 
                        
                         1600 
                         | 
                     
                    
                        | 
                         12 
                         | 
                        
                         300 
                         | 
                        
                         720 
                         | 
                        
                         483 
                         | 
                        
                         432 
                         | 
                        
                         381 
                         | 
                        
                         32 
                         | 
                        
                         1.6 
                         | 
                        
                         12-Φ25 
                         | 
                        
                         420 
                         | 
                          | 
                     
                
             
             
            玉武阀门公司订货须知:①【三通球阀 】产品 名称与型号②【三通球阀  】口径③【三通球阀】 是否带附件以便我们的为您正确选型④【三通球阀】的使用压力⑤【三通球阀】的使用介质的温度。 
               若已经由设计单位选定玉武阀门公司的【三通球阀】型号,请按【三通球阀】型号直接向我司销售部订购。 
               当使用的场合非常重要或环境比较复杂时,请您尽量提供设计图纸和详细参数,由我们的玉武阀门公司为您审核把关。 
            感谢您访问我们的网站【http://www.ywfmyxgs.com】如有任何疑问.您可以致电给我们,我们一定会尽心尽力为您提供优质的服务。:   
            
             | 
        
    
本页产品地址:http://www.geilan.com/sell/show-1841305.html