| 提交询价信息 | 
| 发布紧急求购 | 
 
        
                       
                       
                  价格:电议
所在地:河北 沧州市
型号:SM-500型
更新时间:2015-05-25
浏览次数:1056
公司地址:河北省沧州西献县尹屯工业区

张文纲(先生) 经理

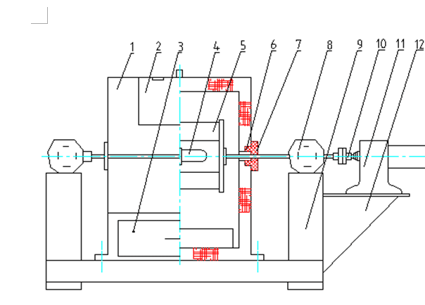
1. 罩壳:罩壳由二层玻璃钢板中间夹吸音棉组成,分上下两罩,上罩壳有罩门(2),下罩壳有取料斗(3),可盛放磨好的物料,罩壳与磨机轴用带有毛毡圈端盖7密封,所以罩壳起到隔音和防尘的良好密封作用。
2. 磨机:磨机由筒体(5)、磨门盖(4)、轴承及轴承(8)、联轴器(10)和齿轮减速机(11)等组成,是研磨物料的主体部分,在卸料时将磨盖换上栅孔卸料板,满足卸料的要求。
3. 支座:支座是由磨机(9)及电动机(12)组成的钢结构,用以支承罩壳,磨机,电动减速机及电器控制箱等,磨机座底部有4 个Φ20底脚螺栓孔,用以固定全套设备。(地脚安装尺寸见图二)。
4. 电器控制箱(电气原理图见图三):由按钮、组合开关、热继电器、时间继电器、组合开关等组成,研磨时间出厂时已调到场30min,用户也可以根据物料研磨细度自由调整。当磨机停机后方可打开磨门,若磨门未对准罩壳门时用点动开关点动对准之。




河北荣达路桥科仪器材厂
 
 免责声明:以上所展示的[SM-500型 SM-500型试验磨]信息由会员[河北荣达路桥科仪器材厂]自行提供,内容的真实性、准确性和合法性由发布会员负责。
免责声明:以上所展示的[SM-500型 SM-500型试验磨]信息由会员[河北荣达路桥科仪器材厂]自行提供,内容的真实性、准确性和合法性由发布会员负责。