产品简介
智能型水温水位控制仪,水温水位控制仪,水位水温显示控制仪,水位控制仪厂家,水位控制仪价格,水温水位控制显示检测仪厂家订做
公司简介
鼎兴自控工程有限公司(简称“鼎兴公司”)成立于1999年,位于陕西省西安市。
是一家专业生产销售自动控制设备、人防设备、供水设备、加热器等产品的厂家。主要产品有:D
XWK系列水温控制仪、DXHY恒压控制器、DXYK系列水位控制仪、DSKG系列电气控制柜、DLCK流量智能测控仪、
DXJ型汽水混合加热器、DXX型旋转式消声加热器、自洁式过滤器、国标除污器、DYCK型压差控制仪、
自动无塔上水器、消防多功能变频供水设备、全自动无负压管等。
公司一贯坚持“质量第一,用户至上,优质服务,信守合同”的宗旨,
凭借着高质量的产品,良好的信誉,优质的服务,
产品畅销全国近三十多个省、市、自治区以竭诚与国内外商家双赢合作,共同发展,共创辉煌!
公司网站:
展开
产品说明
智能型水温水位控制仪,水温水位控制仪,水位水温显示控制仪,水位控制仪厂家,水位控制仪价格,水温水位控制显示检测仪厂家订做
一、智能型水温水位控制仪概述:
智能型水温水位控制仪是本公司技术人员根据用户的实际需要,开发的一种控制装置,它是由恒温智能控制仪和液位智能控制仪两者组合而成,兼备了两者的优点,使水温及水位得到显示与控制,节水、节能,进一步增加了系统的安全性,在热媒不需回收的热水制备系统中,采用旋转式消声加热器为核心设备,配以水温水位控制仪,不失为一种较为合理的选择。
二、智能型水温水位控制仪型号编制:

三、智能型水温水位控制仪结构及工作原理
1、智能型水温水位控制仪结构:
水温水位控制仪由温控器部分与水位控制部分组成,与其配套的还有电动阀前的减压装置,及用于加热的旋转式消声加热器。
2、智能型水温水位控制仪原理:
容器内的水位传感器,将感受到的水位信号传送到控制器,控制器内的计算机将实测的水位信号与设定信号进行比较,得出偏差,然后根据偏差的性质,向给水电动阀发出“开”“关”的指令,保证容器达到设定水位。进水程序完成后,温控部份的计算机向供给热媒的电动阀发出“开”的指令,于是系统开始对容器内的水进行加热。到设定温度时。控制器才发出关阀的命令、切断热源,系统进入保温状态。程序编制过程中,确保系统在没有达到安全水位的情况下,控制热源的电动调节阀不开阀,从而避免了热量的损失与事故的发生。
3、特点:
1、节水 、节能,使制备热水的成本大为降低。
2、编制较为科学的控制程序,保证了系统的安全。
3、数字显示直观明了,操作简单方便。
四、智能型水温水位控制仪使用范例
(一)用于生活热水的制备

1、水温水位智能控制箱 5、温度传感器 9、蒸汽减压阀
2、给水电动阀 6、旋转式消声加热器 10、过滤器
3、闸阀 7、止回阀 11、压力表
4、水位传感器 8、供汽电动阀 12、截止阀
注意点:
1、在加热器前端须装止回阀,以防止停汽时,产生虹吸现象,使水箱中的热水倒流至蒸汽管道。
2、当蒸汽压力 ≥ 3Kg时,电动阀前须装减压阀,方可保证其它用汽单位有足够的蒸汽供给。
(二)用于集中供热的循环系统中

1 、水温水位智能控制箱 2 、给水电动阀 3 、闸阀 4 、软水器 5 、软水箱
6 、过滤器 7 、循环水泵 8 、膨胀水箱 9 、压力表 10 、碟阀
11 、板式换热器 12 、供汽电动阀 13 、截止阀 14 、暖气片
15 、温度传感器 16 、水位传感器 17 、止回阀 18 、补水泵
在集中供热的循环系统中,通过控制安装在市网供热末端的电动调节阀开度,来调节流入热交换器内的热媒流量,使采暖水的温度得到控制。安装在软水箱内的水位传感器把即时水位信号传到智能控制器,控制器将该信号与设定信号进行比较得出偏差,根据差值的大小及性质向补水泵发出开启的指令,保证循环系统内水的损失得到及时准确的补给。
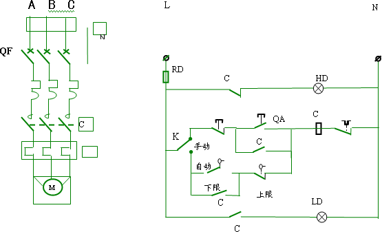
水位控制信号控制补水泵的电气原理图:

五、订货须知:
1、订货时请注明电动调节阀型号、公称通径、材质、耐压值、介质温度、反馈信号种类。
2、说明采用的水位控制仪种类:控制的范围,所控制水泵的功率、控制回路电压。
3、控制热交换器的种类,蒸汽(高温水)入口与热水出口的公称通径大小
|
本页产品地址:http://www.geilan.com/sell/show-1773189.html

免责声明:以上所展示的[
DXYK 水温水位控制仪]信息由会员[
西安鼎兴自控工程有限公司第一销售部]自行提供,内容的真实性、准确性和合法性由发布会员负责。
[给览网]对此不承担任何责任。
友情提醒:为规避购买风险,建议您在购买相关产品前务必确认供应商资质及产品质量!