| 提交询价信息 |
| 发布紧急求购 |
价格:电议
所在地:北京
型号:SRL-1
更新时间:2018-03-20
浏览次数:4148
公司地址:北京市朝阳区黑庄户定辛庄23号
![]()
李丽(女士) 经理
北京圣瑞科自动化设备有限公司是一家集生产、销售、研发于一身的仪器仪表厂商。产品广泛用于玻璃、冶金、钢铁、石化、水泥,纺织,食品等行业中。公司严格按照ISO9001:2000国际质量体系标准,有计划、有目地开发新产品.秉承服务社会的经营理念,力争提供工艺先进、品质可靠、价格合理的传感器产品来回馈大众。
公司拥有独立的进出口经营权,销售网络遍及全国各地,远销日本、欧美等国家和地区。我们热切期盼与国内外各界朋友建立广泛的联系。
公司主要产品:
温度传感器:热电偶,热电阻,双金属温度计,以及各种型号的防腐,耐磨,一体化温度变送器。
位移传感器:磁致伸缩位移传感器,拉绳传感器,直线位移传感器,电子尺,非接触式位移传感器,德国NOVOtechnik电子尺(华北区代理),VOLFA直线位移传感器(华北区总代理)、德国WAYCON位移传感器(华北区总代理)
称重传感器:德国HBM 区域代理 ,美国威世世铨区域代理 ,美国TRANSCELL区域代理,德国sartorius(PHILIPS)区域代理
瑞士METTLER TOLEDO称重传感器区域代理,美国Am cells称重传感器区域代理,美国Interface力传感器区域代理,德国FLINTEC称重传感器区域代理,德国TesT称重传感器区域代理
压力传感器:压力变送器,压力表,压力开关,美国SSI压力传感器区域代理,美国MSI压力传感器区域代理
流量传感器:电磁流量计,玻璃转子流量计,涡街流量计,超声波流量仪表
液位变送器:超声波液位计,浮球式液位变送器,射频导纳物位计等
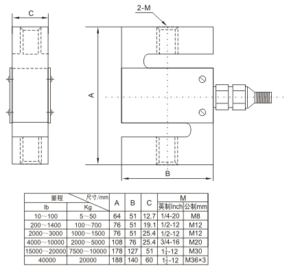
规 格: 5-20000kg
产品备注: 适用于配料秤、机电结合秤、吊钩秤、包装秤及其它力值的测量与控制。
|
用途与特点
承受拉、压力均可,输出对称性好。精度高、结构紧凑,规格齐全。 适用于配料秤、机电结合称、吊钩秤及其它力值的测量与控制。 量程、规格、外形及安装尺寸 5,10,20,30,100,200,300,500kg, 1,2,3,5,10,15,20t |
|||||||||||||||||||||||||||||||||
|
|||||||||||||||||||||||||||||||||

免责声明:以上所展示的[SRL-1 S型拉压力传感器]信息由会员[北京圣瑞科自动化设备有限公司]自行提供,内容的真实性、准确性和合法性由发布会员负责。