提交询价信息
发布紧急求购
您好,欢迎来到给览网!手机版|本站服务|添加收藏|帮助中心
您所在的位置: 给览网 » 供应 » 工控仪表 » 电工仪表 » 多功能测试仪 » ARC功率因数自动补偿控制仪

ARC功率因数自动补偿控制仪

上海安科瑞股份有限公司
会员指数: 企业认证:

价格:电议

所在地:上海

型号:

更新时间:2012-09-10

浏览次数:1697

公司地址:上海市嘉定区育绿路253号

周(先生)  

产品简介

ARC功率因数自动补偿控制仪

公司简介

123
展开

产品说明


ARC功率因数自动补偿控制仪

1  概述
  ARC系列功率因数自动补偿控制器是用于低压配电系统进行无功功率补偿的专用控制器,可以与电压等级在400V以下的静态电容屏(柜)配套使用。输出路数有6、8、10、12四种规格。产品符GB/T15576-2008国家标准,具有功能完善、运行稳定可靠、控制精度高等特点。
  ARC系列功率因数自动补偿控制器具备RS485通讯接口,其所采样得到的电压、电流、频率、有功功率、无功功率、谐波含量、功率因数、温度可通过通讯接口传送到其它外部设备。
  具备过电压保护、欠流锁定、电网谐波过大保护功能。
  可选配开关量输入与温度控制,扩展开关量输入,能对外部中间控制接触器进行监控。温度控制能对电容屏(柜)降温风机进行自动控制。

2  型号说明

3  选型表

4  使用条件
  ●海拔高度不超过2500米
  ●周围环境温度为-25℃~60℃,24小时的平均温度不高于40℃
  ●空气的相对湿度在25℃时不大于85%,不结露
  ●周围环境无腐蚀性气体,无导电尘埃,无易燃易爆介质存在
  ●工作的电网电压波动幅度不得大于±20%
  ●安装地点无剧烈震动、无雨雪直接侵蚀

5  技术参数

6  面板图示

7  外形及尺寸(mm)

8  接线端子
  上排端子

  中排端子

  下排端子

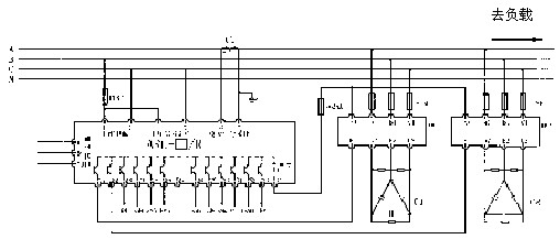
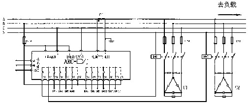
9  接线图

工作电源为AC220V,相电压采样,继电器输出


工作电源为AC380V,线电压采样,继电器输出


工作电源为AC220V,相电压采样,带隔离的复合开关输出


工作电源为AC380V,线电压采样,带隔离的复合开关输出

有意向,可索取详细资料,请联系:

上海安科瑞电气股份有限公司

地址:上海市嘉定区马东工业园区育绿路253

技术支持:王凯锋 021-69158378

电子邮箱:acrelwangkaifeng@163.com

邮编:201801

QQ787160548

需了解更多http://blog.sina.com.cn/s/blog_85daef9a0100tvat.html


本页产品地址:http://www.geilan.com/sell/show-174335.html
免责声明:以上所展示的[ ARC功率因数自动补偿控制仪]信息由会员[上海安科瑞股份有限公司]自行提供,内容的真实性、准确性和合法性由发布会员负责。
[给览网]对此不承担任何责任。
友情提醒:为规避购买风险,建议您在购买相关产品前务必确认供应商资质及产品质量!

发布询价单

厂商其他产品

没有合适的产品?是否在线询价?
询价标题
联系人
电话
主要内容
验证码