提交询价信息
发布紧急求购
您好,欢迎来到给览网!手机版|本站服务|添加收藏|帮助中心
您所在的位置: 给览网 » 供应 » 工控仪表 » 温度仪表 » 热电阻 » 装配式热电阻

装配式热电阻

江苏三普仪表有限公司
会员指数: 企业认证:

价格:电议

所在地:江苏 淮安市

型号:

更新时间:2017-03-15

浏览次数:1827

公司地址:江苏省金湖

王(先生)  

产品简介

http://www.spjt.net/sanpu-Products-226656/http://www.spjt.net/sanpu-Products-226656/

公司简介


 江苏三普仪表有限公司(前江苏三普仪表厂),多年来始终坚持走“自主研发,优化创新,市场为向"的革新之路。热销产品:旋进旋涡流量计,一体化孔板流量计,V锥流量计,涡街流量计,电磁流量计等。经过不懈的努力和发展,企业技术力量雄厚,拥有比较完善的生产工艺,在产品开发和设计方面都具有较强的能力。企业以优良的产品质量,极高的性能价格比和良好的售后服务与信誉,向用户提供各种质量可靠、性能优良的流量仪表、温度仪表、压力仪表等系列产品。产品种类齐全,能够满足用户在不同介质、不同环境条件下的测量选择,为客户提供选型、设计、生产、调试等服务,同时提供现场改造的全面技术支持。企业产品遍及全国各地,广泛应用于石油、电力、石化、热力、发电、冶金、化工、自来水、造纸、造船等各领域中。企业已通过 ISO9001:2000国际质量体系认证,并完全按照国家标准建立健全质量管理。被江苏省评为“江苏省明星企业",省科技厅授予“江苏省民营科技企业"“江苏省质量信得过企业",连续多年被淮安市市政府授予“高新技术企业"和“重合同守信用单位",是中国石油天然气集团公司一级供应网络成员单位。企业携全体员工将一如既往地坚持“质量第一、信誉至上、开拓进取、贡献社会"的企业理念,发扬“高品质、讲诚信、勇于创新"的企业精神,为广大新老客户提供优质的产品及全面的服务,我们愿与广大客商携手合作,共谋大业,共展宏图!
展开

产品说明

http://www.spjt.net/sanpu-Products-226656/

http://www.spjt.net/sanpu-Products-226656/

应用
 
    通常和显示仪表、记录仪表等配套使用。直接测量生产过程中的-200~500℃范围内液体、蒸汽和气体介质以及固体表面温度。
 
特点
  ●压 簧式感温元件,抗振性能好;
  ●测量精确度高;
  ●机械强度高,耐压性能好;
  ●进口薄膜电阻元件,性能可靠稳定;
工作原理
    热电阻是利用物质在温度变化时,其电阻也随着发生变化的特征来测量温度的。当阻值变化时,工作仪表便显示出阻值所对应的温度值。
主要技术参数
 
  ○产 品执行标准
   IEC751
   JB/T8622-1997
   JB/T8623-1997
  ○常温绝缘电阻
    热电阻在环境温度为15~35℃,相对湿度不大于80%,试验电压为10~100V(直流)电极与外套管之间的绝缘电阻≥100MΩ。
  ○测温范围及允差

型号
分度号
测量范围
精度等级
允许偏差
SP-WZPJ
Pt100
-200~+500
A
±(0.15+0.002|t|)
B
±(0.30+0.005|t|)
SP-WZCJ
Cu50
Cu100
-50~+100
-
±(0.30+0.006|t|)

注:t为感温元件实测温值。
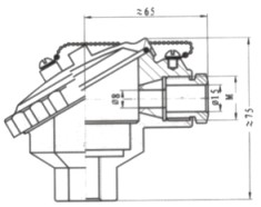
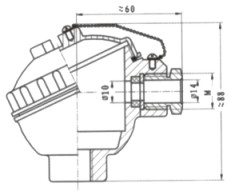
接线盒形式

防喷式

防水式
    注:电气出口M未特殊指明,一律视为M20×1.5。
型号命名方法
 
W
温度仪表
 
 
|
|
|
|
|
|
|
|
|
|
|
|
|
|
|
|
|
|
|
|
|
|
|
|
|
|
|
|
|
|
|
|
|
Z
热电阻
 
 
|
|
|
|
|
|
|
|
|
|
|
|
|
|
|
|
|
|
|
|
|
|
|
|
|
|
|
|
|
|
|
感温元件材料      分度号
P
C
铂             Pt100
铜             Cu50
|
|
|
|
|
|
|
|
|
|
|
|
|
|
|
|
|
|
|
|
|
|
|
|
|
|
|
|
铂电阻元件

2
单支
双支
|
|
|
|
|
|
|
|
|
|
|
|
|
|
|
|
|
|
|
|
|
|
|
|
 
安装固定形式
1
2
3
4
5
6
无固定装置
固定螺纹
活动法兰
固定法兰
活络管接头式
固定螺纹锥形式
|
|
|
|
|
|
|
|
|
|
|
|
|
|
|
|
接线盒形式
2
3
防喷式
防水式
|
|
|
|
|
|
|
|
|
|
|
|
保护管直径
0
1
Φ16
Φ12
|
|
|
|
|
|
|
|
|
工作端形式
G
变截面

|
|
|
|
|
|
|
 
SP-W
Z
P
2
——
2
2
0
G
典型型号示例
   
选型须知
    1)型号
    2)分度号
  3)精度等级
    4)安装固定形式
    5)保护管材质
    6)长度或插入深度
    例A:热电阻,Pt100型,A级,固定螺纹 M27×2,保护管316L,长度450mm,插入深度300mm。WZP-220,Pt100热电阻,L×I=450×300,I级,保护管316L,螺纹 M27×2。
 
热电阻(适用于铠装和隔爆热电偶)
 
序号
形式
保护管材质
公称压力
热响应时间
备注
1
无固定
1Cr18Ni9Ti
常压
<90S
保护管外径为Φ16、Φ12两种具体要求双方协商而定
2
固定螺纹
≤10MPa
3
活动法兰
常压
4
固定法兰
≤2.5MPa
5
活络管接头式
常压
6
固定螺纹锥形式
≤30MPa
7
直形管接头式
常压
8
固定螺纹管接头式
9
活动螺纹管接头式
 
 
固定装置类型
插入深度L (mm)
备注
150
200
250
300
400
500
750
1000
1500
2000
无固定
 
 
 
 
 
 
 
 
 
 
 
 
 
 
 
 
 
 
 
 
 
 
 
 
 
 
 
 
 
 
 
 
 
 
 
 
 
 
 
 
 
 
 
 
 
 
 
 
 
 
 
 
 
 
 
 
 
 
 
 
 
 
 
 
保护管总长
L=l+150
特殊插入深
度及其保护
管材质可按
协议定货
固定螺纹
活动法兰
固定法兰
活络管接头式
固定螺纹锥形式
直形管接头式
固定螺纹管接头式
活动螺纹管接头式
 
 
保护管材质及选用
材质
使用温度
特点及用途
1Cr18Ni9Ti
-200~800
具有高温耐蚀性,通常作为一般热钢使用
304
-200~800
低碳含量,具有良好耐晶间腐蚀性,通常作为一般耐热钢使用
316
-200~750
低碳含量,具有良好耐晶间腐蚀性,作为耐腐蚀钢使用
316L
-200~750
超低碳含量,具有良好耐晶间腐蚀性,作为耐腐蚀钢使用
310S
-200~ 1000
具有高温抗氧化性,耐腐蚀型通常作为热钢使用
GH3030
0~1100
镍基高温合金钢,具有优良抗氧化性,耐腐蚀型,通常作为耐热钢使用

本页产品地址:http://www.geilan.com/sell/show-172423.html
免责声明:以上所展示的[ 装配式热电阻]信息由会员[江苏三普仪表有限公司]自行提供,内容的真实性、准确性和合法性由发布会员负责。
[给览网]对此不承担任何责任。
友情提醒:为规避购买风险,建议您在购买相关产品前务必确认供应商资质及产品质量!

发布询价单

没有合适的产品?是否在线询价?
询价标题
联系人
电话
主要内容
验证码